电脑桌面
添加小米粒文库到电脑桌面
安装后可以在桌面快捷访问

轨道层梁板钢筋施工方案

轨道层梁板钢筋施工方案_第1页
1/23
轨道层梁板钢筋施工方案_第2页
2/23
轨道层梁板钢筋施工方案_第3页
3/23
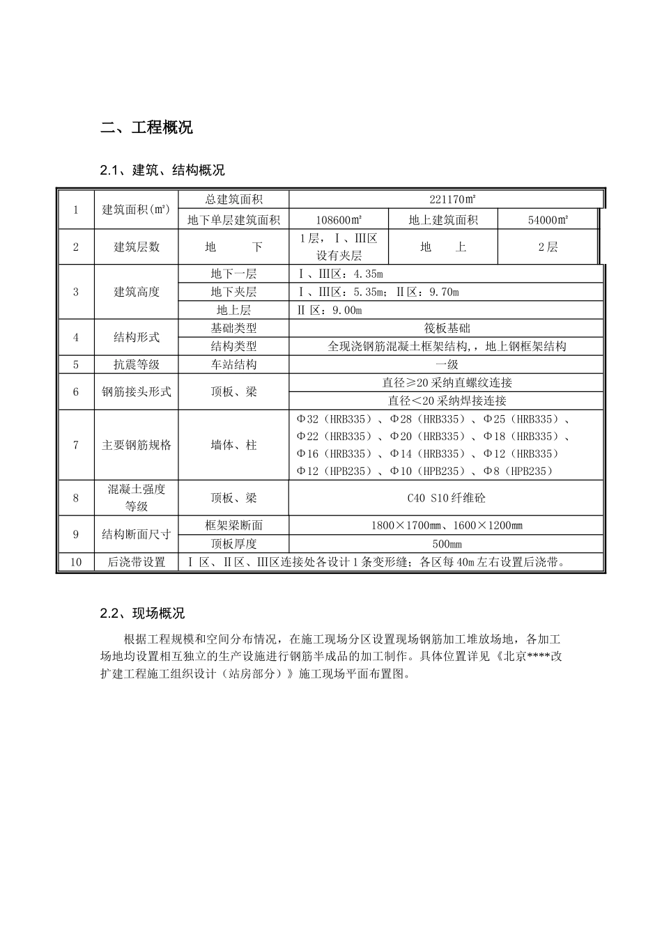
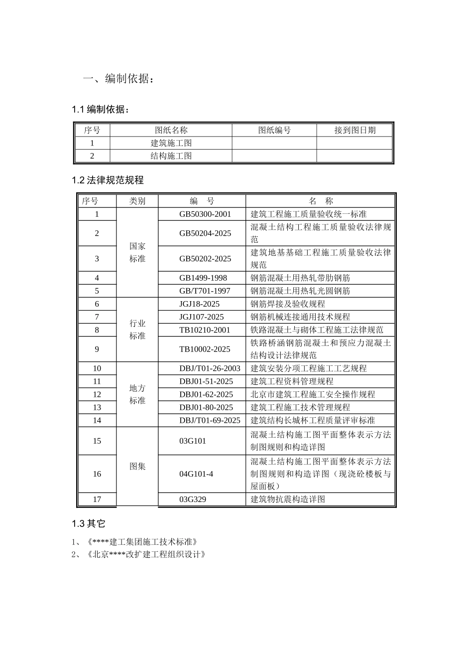
一、编制依据:1.1 编制依据:序号图纸名称图纸编号接到图日期1建筑施工图2结构施工图1.2 法律规范规程序号类别编 号名 称1国家标准GB50300-2001建筑工程施工质量验收统一标准2GB50204-2025混凝土结构工程施工质量验收法律规范3GB50202-2025建筑地基基础工程施工质量验收法律规范4GB1499-1998钢筋混凝土用热轧带肋钢筋5GB/T701-1997钢筋混凝土用热轧光圆钢筋6行业标准JGJ18-2025钢筋焊接及验收规程7JGJ107-2025钢筋机械连接通用技术规程8TB10210-2001铁路混凝土与砌体工程施工法律规范9TB10002-2025铁路桥涵钢筋混凝土和预应力混凝土结构设计法律规范10地方标准DBJ/T01-26-2003建筑安装分项工程施工工艺规程11DBJ01-51-2025建筑工程资料管理规程12DBJ01-62-2025北京市建筑工程施工安全操作规程13DBJ01-80-2025建筑工程施工技术管理规程14DBJ/T01-69-2025建筑结构长城杯工程质量评审标准15图集03G101混凝土结构施工图平面整体表示方法制图规则和构造详图1604G101-4混凝土结构施工图平面整体表示方法制图规则和构造详图(现浇砼楼板与屋面板)1703G329建筑物抗震构造详图1.3 其它1、《****建工集团施工技术标准》2、《北京****改扩建工程组织设计》二、工程概况2.1、建筑、结构概况1建筑面积(㎡)总建筑面积221170㎡地下单层建筑面积108600㎡地上建筑面积54000㎡2建筑层数地 下1 层,Ⅰ、Ⅲ区设有夹层地 上2 层3建筑高度地下一层Ⅰ、Ⅲ区:4.35m地下夹层Ⅰ、Ⅲ区:5.35m;Ⅱ区:9.70m地上层Ⅱ 区:9.00m4结构形式基础类型筏板基础结构类型全现浇钢筋混凝土框架结构,,地上钢框架结构5抗震等级车站结构一级6钢筋接头形式顶板、梁直径≥20 采纳直螺纹连接直径<20 采纳焊接连接7主要钢筋规格墙体、柱Φ32(HRB335)、Φ28(HRB335)、Φ25(HRB335)、Φ22(HRB335)、Φ20(HRB335)、Φ18(HRB335)、Φ16(HRB335)、Φ14(HRB335)、Φ12(HRB335)Φ12(HPB235)、Φ10(HPB235)、Φ8(HPB235)8混凝土强度等级顶板、梁C40 S10 纤维砼9结构断面尺寸框架梁断面1800×1700㎜、1600×1200㎜顶板厚度500mm10后浇带设置Ⅰ 区、Ⅱ区、Ⅲ区连接处各设计 1 条变形缝;各区每 40m 左右设置后浇带。2.2、现场概况根据工程规模和空间分布情况,在施工现场分区设置现场钢筋加工堆放场地,各加工场地均设置相互独立的生产设施进行钢筋半成品的加工制作。具体位置详见《北京****改扩建工程施工组织设计(站房部分)》施工现场平面布置图。三...

1、当您付费下载文档后,您只拥有了使用权限,并不意味着购买了版权,文档只能用于自身使用,不得用于其他商业用途(如 [转卖]进行直接盈利或[编辑后售卖]进行间接盈利)。
2、本站所有内容均由合作方或网友上传,本站不对文档的完整性、权威性及其观点立场正确性做任何保证或承诺!文档内容仅供研究参考,付费前请自行鉴别。
3、如文档内容存在违规,或者侵犯商业秘密、侵犯著作权等,请点击“违规举报”。

碎片内容

轨道层梁板钢筋施工方案

您可能关注的文档

确认删除?
VIP
微信客服
  • 扫码咨询
会员Q群
  • 会员专属群点击这里加入QQ群
客服邮箱
回到顶部