电脑桌面
添加小米粒文库到电脑桌面
安装后可以在桌面快捷访问

镇江市某分公司18号住宅楼工程造价分析实例

镇江市某分公司18号住宅楼工程造价分析实例_第1页
1/2
镇江市某分公司18号住宅楼工程造价分析实例_第2页
2/2
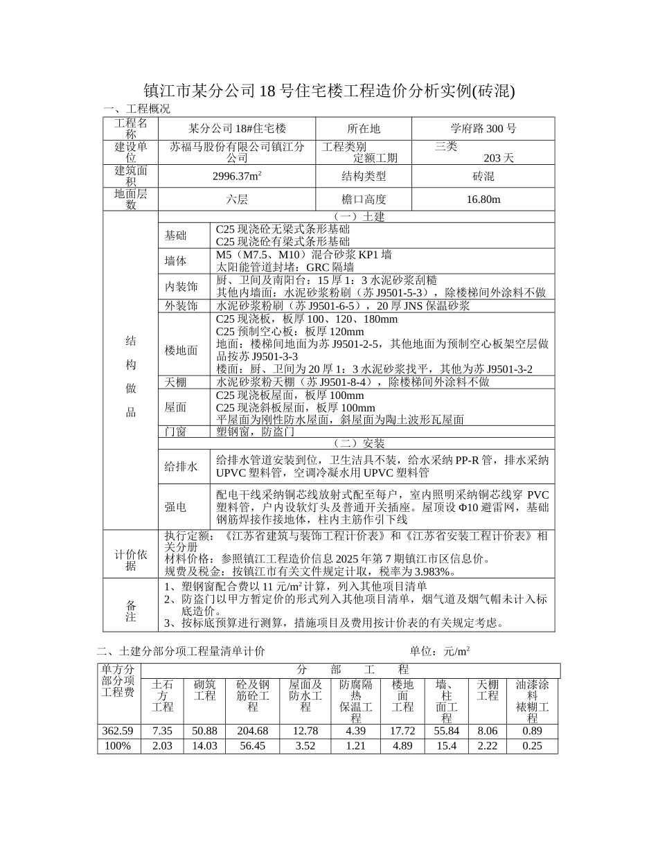
镇江市某分公司 18 号住宅楼工程造价分析实例(砖混) 一、工程概况工程名称某分公司 18#住宅楼所在地学府路 300 号建设单位苏福马股份有限公司镇江分公司工程类别 定额工期三类 203 天建筑面积2996.37m2结构类型砖混地面层数六层檐口高度16.80m 结 构 做 品(一)土建基础C25 现浇砼无梁式条形基础C25 现浇砼有梁式条形基础墙体M5(M7.5、M10)混合砂浆 KP1 墙太阳能管道封堵:GRC 隔墙内装饰厨、卫间及南阳台:15 厚 1:3 水泥砂浆刮糙其他内墙面:水泥砂浆粉刷(苏 J9501-5-3),除楼梯间外涂料不做外装饰水泥砂浆粉刷(苏 J9501-6-5),20 厚 JNS 保温砂浆 楼地面C25 现浇板,板厚 100、120、180mmC25 预制空心板:板厚 120mm地面:楼梯间地面为苏 J9501-2-5,其他地面为预制空心板架空层做品按苏 J9501-3-3楼面:厨、卫间为 20 厚 1:3 水泥砂浆找平,其他为苏 J9501-3-2天棚水泥砂浆粉天棚(苏 J9501-8-4),除楼梯间外涂料不做屋面C25 现浇板屋面,板厚 100mmC25 现浇斜板屋面,板厚 100mm平屋面为刚性防水屋面,斜屋面为陶土波形瓦屋面门窗塑钢窗,防盗门(二)安装给排水给排水管道安装到位,卫生洁具不装,给水采纳 PP-R 管,排水采纳UPVC 塑料管,空调冷凝水用 UPVC 塑料管强电配电干线采纳铜芯线放射式配至每户,室内照明采纳铜芯线穿 PVC塑料管,户内设软灯头及普通开关插座。屋顶设 Φ10 避雷网,基础钢筋焊接作接地体,柱内主筋作引下线 计价依据执行定额:《江苏省建筑与装饰工程计价表》和《江苏省安装工程计价表》相关分册材料价格:参照镇江工程造价信息 2025 年第 7 期镇江市区信息价。规费及税金:按镇江市有关文件规定计取,税率为 3.983%。 备 注1、塑钢窗配合费以 11 元/m2计算,列入其他项目清单2、防盗门以甲方暂定价的形式列入其他项目清单,烟气道及烟气帽未计入标底造价。3、按标底预算进行测算,措施项目及费用按计价表的有关规定考虑。二、土建分部分项工程量清单计价 单位:元/m2单方分部分项工程费分 部 工 程土石方工程砌筑工程砼及钢筋砼工程屋面及防水工程防腐隔热保温工程楼地面工程墙、柱面工程天棚工程油漆涂料裱糊工程362.597.3550.88204.6812.784.3917.7255.848.060.89100%2.0314.0356.453.521.214.8915.42.220.25三、单方工程造价指标分析 项 目 单方造价清单计价费 各项规费 税金 小 计其中分部分项工程清单计价措施项目清单计...

1、当您付费下载文档后,您只拥有了使用权限,并不意味着购买了版权,文档只能用于自身使用,不得用于其他商业用途(如 [转卖]进行直接盈利或[编辑后售卖]进行间接盈利)。
2、本站所有内容均由合作方或网友上传,本站不对文档的完整性、权威性及其观点立场正确性做任何保证或承诺!文档内容仅供研究参考,付费前请自行鉴别。
3、如文档内容存在违规,或者侵犯商业秘密、侵犯著作权等,请点击“违规举报”。

碎片内容

镇江市某分公司18号住宅楼工程造价分析实例

确认删除?
VIP
微信客服
  • 扫码咨询
会员Q群
  • 会员专属群点击这里加入QQ群
客服邮箱
回到顶部