电脑桌面
添加小米粒文库到电脑桌面
安装后可以在桌面快捷访问

青岛软土地基处理施工方案

青岛软土地基处理施工方案_第1页
1/38
青岛软土地基处理施工方案_第2页
2/38
青岛软土地基处理施工方案_第3页
3/38
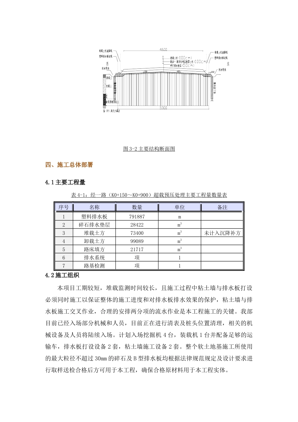
青岛港董家口港区经一路(纬十四路~纬十三路市政工程一期(K0+000~K0+966)软基处理方案一、编制依据《城镇道路工程施工与质量验收法律规范》(CJJ1-2025)《公路软土地基路堤设计与施工技术细则》(JTG/TD31-02-20252)《给水、排水管道工程施工及验收法律规范》(GB50268—2025)《公路路基施工技术法律规范》(JTG F10-2025)《公路工程质量验收评定标准 第一册(土建工程)》(JTG F80-2025)《公路工程土工合成材料—塑料排水板(带)》(JT/T521-2025) 青岛港董家口港区经一路(纬十四路~纬十三路)市政工程一期(K0+000~K0+966)K0+150~K0+900 软基处理变更设计图纸二、编制说明K0+150~K0+900 软基处理设计变更后调整为打设塑料排水板的配合粘土墙的工艺,本方案编制目的为明确此分项施工的机械设备及施工工艺,指导本分项的施工。三、工程概述3.1 工程地理位置经一路位于董家口港区中部,中心路以东,南起纬十四路,北至滨海大道辅道,贯穿整个港区,规划道路等级为城市主干路。本地基处理主要范围为一期 K0+150~K0+900 段(纬十四路至纬二十一路段)。图 3-1 经一路工程地理位置 3.2 主要工程变更内容根据前期讨论并经专家评审,经一路(K0+150~K0+900)软基处理采纳水泥搅拌桩复合地基方案。我单位于 2025 年 12 月开始水泥搅拌桩现场试桩。经试验采纳“四搅两喷”工艺,水泥掺量 14%,水灰比 0.6,外掺剂 3%,成桩质量较好(试验桩位于K0+400 处)。2025 年 2 月开始大规模施工。2025 年 3 月,K0+600~K0+800 段施工过程中返浆严重,经取芯检测,成桩质量差,不能满足设计要求。经建设、监理、设计、勘察、施工单位多次现场讨论讨论,确定本段道路软基处理变更为超载预压方案,本软基处理变更段长约 750m,塑料排水板插板处理宽度 53m,处理面积约 40000m2;土柱堆载宽度 46m,堆载面积约 34700m2。3.3 主要结构断面图见图 3-2 主要结构断面图。本工程位置图 3-2 主要结构断面图 四、施工总体部署4.1 主要工程量表 4-1 :经一路( K0+150 ~ K0+900 )超载预压处理主要工程量数量表 序号名称数量单位备注1塑料排水板791887m2碎石排水垫层28422m33堆载土方73400m3未计入沉降补方4卸载土方99089m35路床填方21717m36排水系统项17路基检测项14.2 施工组织本项目工期较短,堆载监测时间较长,且施工过程中粘土墙与排水板打设必须同时施工以保证整体的施工进度和对排水板排水效果的保...

1、当您付费下载文档后,您只拥有了使用权限,并不意味着购买了版权,文档只能用于自身使用,不得用于其他商业用途(如 [转卖]进行直接盈利或[编辑后售卖]进行间接盈利)。
2、本站所有内容均由合作方或网友上传,本站不对文档的完整性、权威性及其观点立场正确性做任何保证或承诺!文档内容仅供研究参考,付费前请自行鉴别。
3、如文档内容存在违规,或者侵犯商业秘密、侵犯著作权等,请点击“违规举报”。

碎片内容

青岛软土地基处理施工方案

您可能关注的文档

确认删除?
VIP
微信客服
  • 扫码咨询
会员Q群
  • 会员专属群点击这里加入QQ群
客服邮箱
回到顶部