电脑桌面
添加小米粒文库到电脑桌面
安装后可以在桌面快捷访问

饭店改扩建冬期施工方案

饭店改扩建冬期施工方案_第1页
1/21
饭店改扩建冬期施工方案_第2页
2/21
饭店改扩建冬期施工方案_第3页
3/21
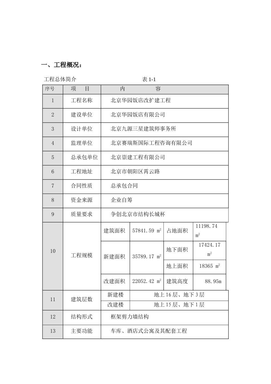
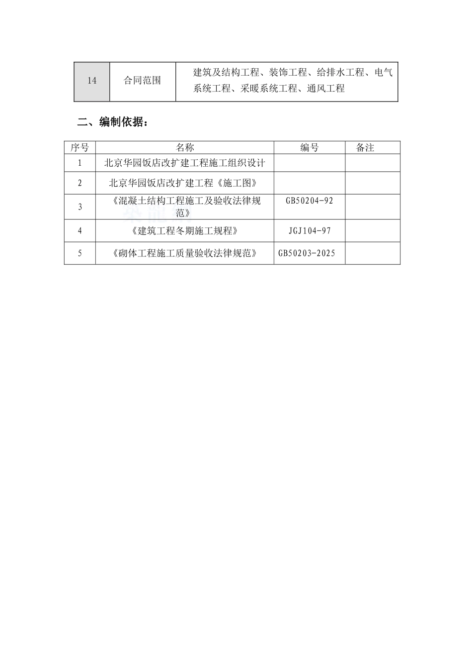
目 录一、工程概况:.........................................................................................................2二、编制依据:.........................................................................................................3三、冬施时间:.........................................................................................................4四、冬季施工安排.....................................................................................................5五、冬季施工准备:.................................................................................................6六、冬季施工测温工作安排:.................................................................................7七、主要分项工程冬季施工措施:.........................................................................9八、质量保证措施:...............................................................................................17九、冬期施工安全措施:.......................................................................................19附录(热工计算)...................................................................................................21一、工程概况:工程总体简介 表 1-1序号项 目内 容1工程名称北京华园饭店改扩建工程2建设单位北京华园饭店有限公司3设计单位北京九源三星建筑师事务所4监理单位北京赛瑞斯国际工程咨询有限公司5总承包单位北京崇建工程有限公司6工程地址北京市朝阳区霄云路7合同性质总承包合同8资金来源企业自筹9质量要求争创北京市结构长城杯10工程规模建筑面积57841.59 m2占地面积11198.74 m2新建面积35789.17 m2地下面积17424.17 m2地上面积18365 m2改建面积22052.42 m2建筑高度88.95m11建筑层数新建楼地上 16 层、地下 3 层改建楼地上 15 层、地下 1 层 12结构形式框架剪力墙结构13主要功能车库、酒店式公寓及其配套工程14合同范围建筑及结构工程、装饰工程、给排水工程、电气系统工程、采暖系统工程、通风工程 二、编制依据:序号名称编号备注1北京华园饭店改扩建工程施工组织设计2北京华园饭店改扩建工程《施工图》3《混凝土结构工程施工及验收法律规范》GB50204-924《建筑工程冬期施工规程》JGJ...

1、当您付费下载文档后,您只拥有了使用权限,并不意味着购买了版权,文档只能用于自身使用,不得用于其他商业用途(如 [转卖]进行直接盈利或[编辑后售卖]进行间接盈利)。
2、本站所有内容均由合作方或网友上传,本站不对文档的完整性、权威性及其观点立场正确性做任何保证或承诺!文档内容仅供研究参考,付费前请自行鉴别。
3、如文档内容存在违规,或者侵犯商业秘密、侵犯著作权等,请点击“违规举报”。

碎片内容

饭店改扩建冬期施工方案

您可能关注的文档

确认删除?
VIP
微信客服
  • 扫码咨询
会员Q群
  • 会员专属群点击这里加入QQ群
客服邮箱
回到顶部