电脑桌面
添加小米粒文库到电脑桌面
安装后可以在桌面快捷访问

合同评审记录VIP免费

合同评审记录_第1页
1/2
合同评审记录_第2页
2/2
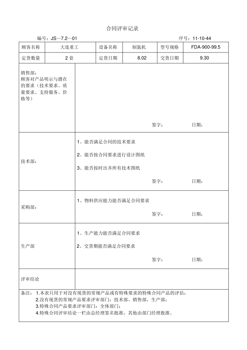
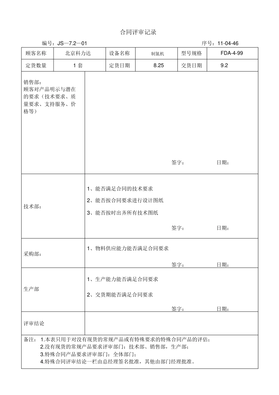
合同评审记录编号:JS—7.2—01序号:11-04-46顾客名称北京科力达设备名称制氮机型号规格FDA-4-99定货数量1套定货日期8.25交货日期9.2销售部:顾客对产品明示与潜在的要求(技术要求、质量要求、支持服务、价格等)签字:日期:1、能否满足合同的技术要求2、能否按合同要求进行设计图纸技术部:3、能否按时出齐所有技术图纸签字:日期:1、物料供应能力能否满足合同要求采购部:签字:日期:1、生产能力能否满足合同要求生产部2、交货期能否满足合同要求签字:日期:评审结论备注:1.本表只用于对没有现货的常规产品或有特殊要求的特殊合同产品的评估;2.没有现货的常规产品要求评审部门:技术部、销售部,生产部;3.特殊合同产品要求评审部门:全体部门;4.特殊合同评审结论一栏由总经理签名批准,其他由部门经理批准。合同评审记录编号:JS—7.2—01序号:11-10-44顾客名称大连重工设备名称制氮机型号规格FDA-900-99.5定货数量2套定货日期8.02交货日期9.30销售部:顾客对产品明示与潜在的要求(技术要求、质量要求、支持服务、价格等)签字:日期:1、能否满足合同的技术要求2、能否按合同要求进行设计图纸技术部:3、能否按时出齐所有技术图纸签字:日期:1、物料供应能力能否满足合同要求采购部:签字:日期:1、生产能力能否满足合同要求生产部2、交货期能否满足合同要求签字:日期:评审结论备注:1.本表只用于对没有现货的常规产品或有特殊要求的特殊合同产品的评估;2.没有现货的常规产品要求评审部门:技术部、销售部,生产部;3.特殊合同产品要求评审部门:全体部门;4.特殊合同评审结论一栏由总经理签名批准,其他由部门经理批准。

1、当您付费下载文档后,您只拥有了使用权限,并不意味着购买了版权,文档只能用于自身使用,不得用于其他商业用途(如 [转卖]进行直接盈利或[编辑后售卖]进行间接盈利)。
2、本站所有内容均由合作方或网友上传,本站不对文档的完整性、权威性及其观点立场正确性做任何保证或承诺!文档内容仅供研究参考,付费前请自行鉴别。
3、如文档内容存在违规,或者侵犯商业秘密、侵犯著作权等,请点击“违规举报”。

碎片内容

合同评审记录

您可能关注的文档

确认删除?
VIP
微信客服
  • 扫码咨询
会员Q群
  • 会员专属群点击这里加入QQ群
客服邮箱
回到顶部