电脑桌面
添加小米粒文库到电脑桌面
安装后可以在桌面快捷访问

c30P6抗渗混凝土配合比设计

c30P6抗渗混凝土配合比设计_第1页
1/4
c30P6抗渗混凝土配合比设计_第2页
2/4
c30P6抗渗混凝土配合比设计_第3页
3/4
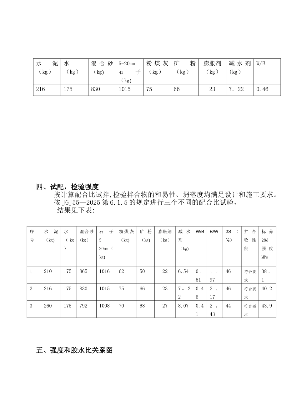
C30P6 混凝土配合比设计(夏季)一、设计要求1、泵送 C30P6 抗渗混凝土2、坍落度 180±20mm3、和易性良好,无泌水、无离析现象,易泵送,易施工.4、28 天抗压强度符合强度评定标准(GB/T50107—2025)。二、原材料要求水泥:P.O42.5 级;砂:混合中砂,属Ⅱ区颗粒级配;碎石贾峪 5~25mm 连续粒级;掺合料: II 级粉煤灰;掺合料:S95 级.外加剂:高效减水剂;膨胀剂:水:地下饮用水.三、计算步骤1、确定混凝土配制强度(ƒcu ,0)依据 JGJ55-2025 表 4.0。2 标准差 σ 质的规定,C30 混凝土 5。0 MPa。则 C30混凝土的配制强度为:ƒcu ,0 = 30+1.645×5.0 =38.2MPa2、计算水胶比 (1)计算水泥 28 天胶砂抗压强度值 fce =γcfce = 1。16 × 42。5 = 49。3MPa (2)计算胶凝材料 28 天胶砂抗压强度值 fb = γf fce = 0.74×1。0×49。3 = 36。48MPa (粉煤灰掺量 21%,矿粉掺量 18%)(3)计算水胶比W/B=αafb/(fcu,0+αaαbfb)=0。53x36。48/(38.2+0.53x0。20x36.48)=0.463、确定用水量(m wo)依据 JGJ55—2025 第 5。2。1 条规定,用水量可依表 5.2.1-2 选取,取用水量为 210kg。由于高效减水剂减水剂率为 18%,则试验单方混凝土用水量取 175kg。4、确定胶凝材料用量mbo =175/0。46=380.4㎏/m3取值 mbo =380㎏/m35、确定掺合料用量(m fo)依据 JGJ55—2025 表 3。0.5-1 和 5.1。3 的规定粉煤灰掺量取 21%,则每立方 mfo =380×0。21=79.8㎏/m3 取值 mfo=80kg依据 JGJ55-2025 表 3。0。5-1 和 5.1.3 的规定矿粉掺量取 18%,则每立方 mfo =380×0.18=68.4㎏/m3 取值 mfo=70kg6、确定水泥用量(mc)mc =380—80-70=230㎏/m37。 计算减水剂用量选取掺量为 1。9%,得:.ma1 = m bo ×0。019 =7。22㎏/m38、计算膨胀剂用量 膨胀剂用量= mboβP=380×6%=23㎏/m39、确定掺膨胀剂后胶凝材料用量: mc o=230—230×0。06=216 kg /m3 mfo=80—80×0。06=75 kg /m3mfo=70—70×0.06=66kg /m310、确定砂率 依据 JGJ55—2025 第 5.4.2.3 的规定,因使用人工砂,所以砂率取值为45%。11、 计算砂、石用量采纳质量法计算配合比,按下式计算:mc o+ mfo+m 膨 + mgo + mso + mwo + ma1= mcp msoβs = ― × 100% mgo+mso 依据 JGJ55-2025 第 5。5。1 的规定,拌合物质量取 2400㎏/m3 ,然后将以上已知数据代入上面两公式后得:m...

1、当您付费下载文档后,您只拥有了使用权限,并不意味着购买了版权,文档只能用于自身使用,不得用于其他商业用途(如 [转卖]进行直接盈利或[编辑后售卖]进行间接盈利)。
2、本站所有内容均由合作方或网友上传,本站不对文档的完整性、权威性及其观点立场正确性做任何保证或承诺!文档内容仅供研究参考,付费前请自行鉴别。
3、如文档内容存在违规,或者侵犯商业秘密、侵犯著作权等,请点击“违规举报”。

碎片内容

c30P6抗渗混凝土配合比设计

您可能关注的文档

确认删除?
VIP
微信客服
  • 扫码咨询
会员Q群
  • 会员专属群点击这里加入QQ群
客服邮箱
回到顶部