电脑桌面
添加小米粒文库到电脑桌面
安装后可以在桌面快捷访问

《建筑消防设施的维护管理》-

《建筑消防设施的维护管理》-_第1页
1/5
《建筑消防设施的维护管理》-_第2页
2/5
《建筑消防设施的维护管理》-_第3页
3/5
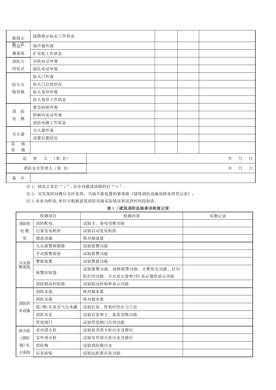
附 录 A( 法律规范性附录 )建筑消防设施维护管理记录表各种记录表见 A.1~表 A。5。表 A.1 消防控制室值班记录火 灾报警控制器日运行情况记录时间火灾报警控制器运行情况报警性质消防联动控制器运行情况报警、故障部位、原因及处理情况值班人签名值班人签名值班人签名正常故障火警误报故障报警漏报正常故障时/时时/时时/时自动手动火灾报警控制器日检查情况记录火灾报警控制器型号自检消音复位主电源备用电源检查人故障及处理情况 消防安全管理人(签字):注 1:情况正常打“√",存在问题或故障的打“×";注 2:对发现的问题应及时处理,当场不能处置的要填报《建筑消防设施故障处理登记表》;注 3:本表为样表,单位可根据控制器数量及值班时段制表。表 A。2 建筑消防设施巡查记录巡 查项 目巡查内容巡查情况 正 常 故 障故障原因及处理情况消 防供配电设 施消防电源工作状态自备发电设备状况消防配电房、发电机房环境火灾自动报警系 统火灾报警探测器外观区域显示器运行状况、CRT 图形显示器运行状况、火灾报警控制器、消防联动控制器外观和运行状况手动报警按钮外观火灾警报装置外观消防控制室工作环境消防供水设施消防水池外观消防水箱外观消防水泵及控制柜工作状态稳压泵、增压泵、气压水罐工作状态水泵接合器外观、标示管网控制阀门启闭状态泵房工作环境消火栓(消防炮)灭火系统室内消火栓外观室外消火栓外观消防炮外观启泵按钮外观自动喷水灭火系 统喷头外观报警阀组外观末端试水装置压力值泡沫灭火系统泡沫喷头外观泡沫消火栓外观泡沫炮外观泡沫产生器外观泡沫液贮罐间环境泡沫液贮罐外观比例混合器外观泡沫泵工作状态气体灭火系统气体灭火控制器工作状态储瓶间环境气体瓶组或储罐外观选择阀、驱动装置等组件外观紧急启/停按钮外观放气指示灯及警报器外观喷嘴外观防护区状况防烟排烟系统挡烟垂壁外观送风阀外观表 A。2 建筑消防设施巡查记录(续)巡 查项 目巡查内容巡查情况 正 常 故 障故障原因及处理情况防烟排烟系统送风机工作状态排烟阀外观电动排烟窗外观自然排烟窗外观排烟机工作状态送风、排烟机房环境应急照明和疏应急灯外观应急灯工作状态疏散指示标志外观散指示标 志疏散指示标志工作状态应急广播系统扬声器外观扩音机工作状态消防专用电话分机电话外观插孔电话外观防火分隔设施防火门外观防火门启闭状况防火卷帘外观防火卷帘工作状态消 防电 梯紧急按钮外观轿厢内电话外观消防电梯工作...

1、当您付费下载文档后,您只拥有了使用权限,并不意味着购买了版权,文档只能用于自身使用,不得用于其他商业用途(如 [转卖]进行直接盈利或[编辑后售卖]进行间接盈利)。
2、本站所有内容均由合作方或网友上传,本站不对文档的完整性、权威性及其观点立场正确性做任何保证或承诺!文档内容仅供研究参考,付费前请自行鉴别。
3、如文档内容存在违规,或者侵犯商业秘密、侵犯著作权等,请点击“违规举报”。

碎片内容

《建筑消防设施的维护管理》-

确认删除?
VIP
微信客服
  • 扫码咨询
会员Q群
  • 会员专属群点击这里加入QQ群
客服邮箱
回到顶部