电脑桌面
添加小米粒文库到电脑桌面
安装后可以在桌面快捷访问

《质量成本控制程序》

《质量成本控制程序》_第1页
1/9
《质量成本控制程序》_第2页
2/9
《质量成本控制程序》_第3页
3/9
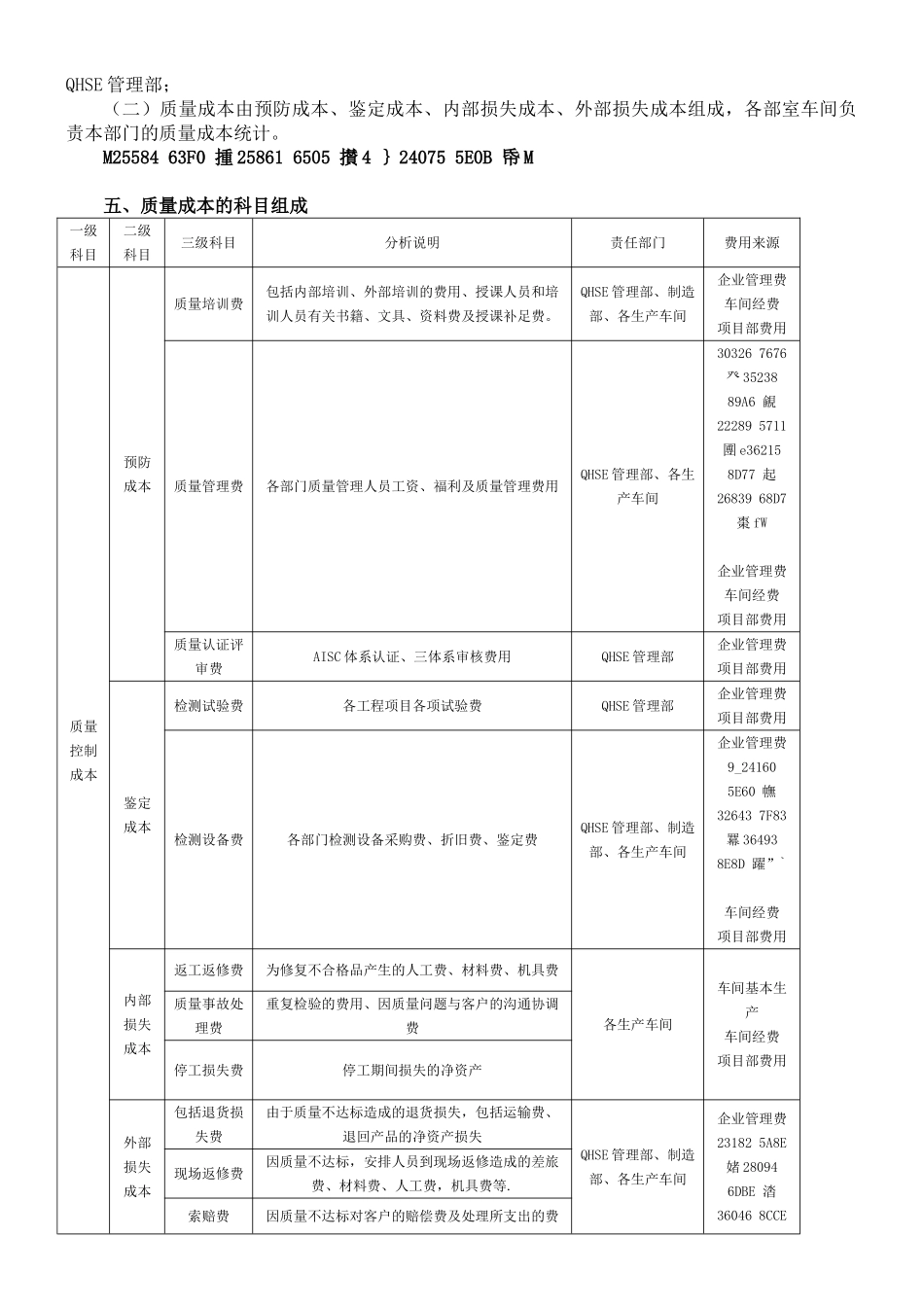
山东中通钢构建筑股份有限公司质量成本管理程序文件一、目的为降低各项资金费用,实现公司年度目标,在全公司开展质量成本管理,推行质量成本控制办法,结合本公司特点,制定本文件。二、适用范围适用于公司各生产部室、车间的质量成本管理三、定义(一)、质量成本:为获得顾客满意的质量对组织外部做出质量保证而发生的费用以及没有达到顾客满意的质量而造成的损失。(二)、预防成本:为预防产品不能达到顾客满意的质量所支付的费用。(三)、鉴定成本:评价产品是否达到规定的质量要求进行的试验、检验、检查所支付的费用.(四)、内部质量损失:产品在交付前未能达到规定的质量要求所造成的损失。(五)、外部质量损失:产品在交付后因未能达到顾客满意的质量所造成的损失。三、各部门职责(一)公司领导(总经理、运营副总、QHSE 管理部部长)负责审批质量目标。(二)QHSE 管理部1、负责编制质量成本控制文件,对质量成本进行分析,统计、控制和改进,监督检查各生产部室、车间质量成本统计及控制情况;2、负责每月对质量成本进行分析,及时向有关领导,部室提供质量成本分析报告;3、负责质量鉴定成本及预防成本的统计,其中预防成本同人力资源部结合,质量鉴定成本包括 QHSE 管理部检测设备的费用统计,鉴定费用的统计,及各项试验费用的统计;4、负责统计本部门质量管理活动所产生的费用。5、负责核算、审核各部门的质量数据,负责价格、成本的确认、协调各部门数据的真实性;37470 925E 鉞 T827201 6A41 橁 A33983 84BF 蒿 27647 6BFF 毿(三)制造部1、负责统计本部门的质量预防成本及质量管理成本;2、制造部驻现场人员负责统计现场因质量问题产生的费用;(四)各生产车间1、负责统计本车间各项质量管理费用,以工段为单位每月统计质量成本,由质量管理人员负责汇总,监督;2、负责统计本部门内部质量损伤及外部质量损失;3、负责本部门的质量改进工作的推动。4、车间应以工段为单位每月统计质量成本,由质量管理人员负责汇总,监督,由车间主任负责审核;(五)各项目部1、负责统计本项目部项目的各项质量管理费用,指定质量成本负责人员,每月统计质量成本,由指定的质量成本管理人员负责汇总,统计;2、负责统计项目运营过程中产生的内部质量损失及外部质量损失;3、负责项目部的质量改进工作;4、项目部指定的质量成本负责人员,负责每月汇总质量成本情况,并由项目经理负责审核.(六)项目运营部项目运营部负责监督项目部实施质量成本...

1、当您付费下载文档后,您只拥有了使用权限,并不意味着购买了版权,文档只能用于自身使用,不得用于其他商业用途(如 [转卖]进行直接盈利或[编辑后售卖]进行间接盈利)。
2、本站所有内容均由合作方或网友上传,本站不对文档的完整性、权威性及其观点立场正确性做任何保证或承诺!文档内容仅供研究参考,付费前请自行鉴别。
3、如文档内容存在违规,或者侵犯商业秘密、侵犯著作权等,请点击“违规举报”。

碎片内容

《质量成本控制程序》

您可能关注的文档

确认删除?
VIP
微信客服
  • 扫码咨询
会员Q群
  • 会员专属群点击这里加入QQ群
客服邮箱
回到顶部