电脑桌面
添加小米粒文库到电脑桌面
安装后可以在桌面快捷访问

《钢丝绳芯输送带硫化接头标准》

《钢丝绳芯输送带硫化接头标准》_第1页
1/13
《钢丝绳芯输送带硫化接头标准》_第2页
2/13
《钢丝绳芯输送带硫化接头标准》_第3页
3/13
关于印发《平煤股份公司钢丝绳芯输送带硫化接头标准(试行)》的通知各原煤生产单位,机关有关部门:为法律规范公司钢丝绳芯输送带硫化接头工艺流程,提高硫化接头质量,防止断带事故发生,公司组织制定了《平煤股份公司钢丝绳芯输送带硫化接头标准(试行)》,现印发给你们,望遵照执行。执行中若发现问题,请及时向公司汇报. 二 00 九年五月二十六日平煤股份公司钢丝绳芯输送带硫化接头标准﹝试行﹞一、为法律规范公司钢丝绳芯输送带(以下简称高强皮带)硫化接头工艺,提高硫化接头质量,减少断带事故发生,特制定本标准.二、硫化接头用设备及材料(一)硫化器:硫化接头用硫化器必须是通过鉴定,证件齐全的合格产品(硫化器的性能要求见附一)。在有瓦斯、煤尘爆炸危险的场所硫化接头必须使用具有防爆性能的硫化器,否则必须有严密的安全措施。(二)胶料:胶料包括复盖胶(面胶),芯胶和胶浆。为保证硫化接头质量,胶料一般应选用原皮带厂指定胶料.若采纳其它厂的胶料,必须事先做一个硫化接头送权威部门进行抗拉强度测试,符合要求后方可使用。胶料应在使用前到厂家购置新配置生产的。若存放期不超过三个月,且存放得当(温度在 25°以下,避开阳光直射,远离热源,无油脂类物质污染),外观无异常变化,可直接使用。若存放期超过三个月,使用前必需进行鉴定(胶料的鉴别见附 2),确认未失效后方可使用。(三) 工具及辅助材料硫化接头需用的工具和辅助材料见表一。序号名称数量技术要求1工作台2 个木制厚度≥50mm,宽度>带宽 500mm。长度>接头长度 0。6m。2夹板4 付提前制作.3垫铁2 根钢质、比待接胶带薄 0.5-1.0mm 宽为 50-100mm,长度>接头长度 400-500mm4水银温度计12-15 支测温范围-50-250℃。5白铁皮2 张厚度 0.5mm。宽度 100mm,长度为热板宽度6活板手2 把10 寸-12 寸.7游标卡1 把刻度范围 0-250mm8钢卷尺2 个长度范围 10m9不锈钢板尺2 把长度范围 1-1.5 米10直角尺1 把400×500mm11螺丝刀2 把14″—16″12断丝钳2 把规格 20″13软轴砂轮机2 台砂轮片直径 150mm14刀具20 把15电工钳2 把规格:8″16油石5 块粗、细两种17油刷4 把6″18粗砂布20 张19线绳20mφ1-3mm20粉线包1 个21红色腊笔数支22橡皮手套8 双23线手套8 双24新毛巾数条25水盆4 个26白细布12m27120#汽油25kg25kg/每接头28玻纸数张29热风机1 台1000W 左右三、硫化接头前的准备工作(一)硫化场地的选择硫化接头地点要选择...

1、当您付费下载文档后,您只拥有了使用权限,并不意味着购买了版权,文档只能用于自身使用,不得用于其他商业用途(如 [转卖]进行直接盈利或[编辑后售卖]进行间接盈利)。
2、本站所有内容均由合作方或网友上传,本站不对文档的完整性、权威性及其观点立场正确性做任何保证或承诺!文档内容仅供研究参考,付费前请自行鉴别。
3、如文档内容存在违规,或者侵犯商业秘密、侵犯著作权等,请点击“违规举报”。

碎片内容

《钢丝绳芯输送带硫化接头标准》

您可能关注的文档

确认删除?
VIP
微信客服
  • 扫码咨询
会员Q群
  • 会员专属群点击这里加入QQ群
客服邮箱
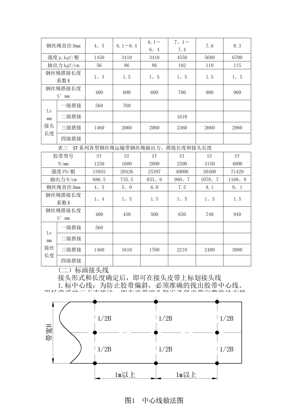
回到顶部