电脑桌面
添加小米粒文库到电脑桌面
安装后可以在桌面快捷访问

七氟丙烷系统施工方案

七氟丙烷系统施工方案_第1页
1/7
七氟丙烷系统施工方案_第2页
2/7
七氟丙烷系统施工方案_第3页
3/7
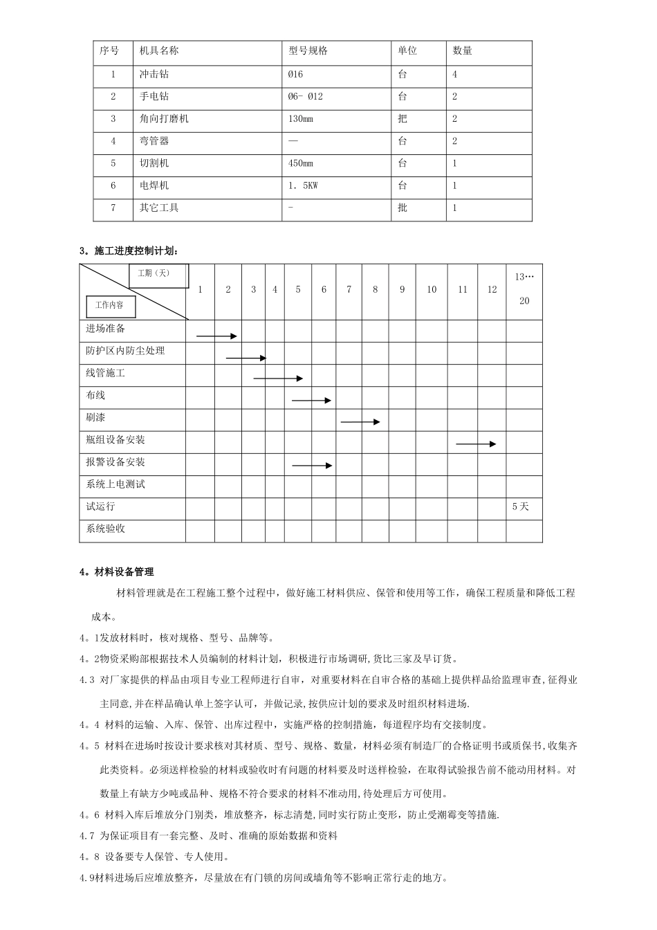
七氟丙烷自动灭火系统施工方案细则一、工程承包方式包施工、包材料、包机械、包质量、包安全、包工期、包验收。二、质量要求本工程质量验收结论必须达到国家消防专业工程施工质量验收法律规范标准,通过验收。三、编制依据气体灭火系统设计法律规范(GB50370-2025)四、保修期为了更好服务客户,免费保修为一年。(不可抗力的因素除外)按中华人民共和国《建筑工程质量管理条例》和建设部颁发的《房屋建筑质量保修办法》实施。五、施工内容及技术要求:1、 施工内容:1.1 该自动灭火系统工程由七氟丙烷自动灭火系统装置和火灾自动报警系统组成。1。2气体灭火系统设备包括储瓶、电磁驱动容器阀、压力信号器、喷头、连接管路、管路附件、柜体。1。3 火灾自动报警系统包括火灾探测器、灭火控制器、消防警铃、声光报警器、放气指示灯、紧急启停按钮和系统布线等。2、技术要求: 2.1 设计图纸;2.2国家标准GB50370-2025《气体灭火系统设计法律规范》。2。3国家标准GB50116-98《火灾自动报警系统设计法律规范》。2。4 国家标准GB50166—2025《火灾自动报警系统施工及验收法律规范》。2。5国家标准GB50263-2025《气体灭火系统施工及验收法律规范》。2.6广东海捷消防科技有限公司《气体灭火系统设计手册》。六。 施工组织1。 机构组成1。1 现场主管(1人):全面负责施工现场的统筹安排。1。2 电工班(1人):负责火灾自动报警系统的安装、调试。1.3 质安员(1人):负责施工过程的安全检查、质量检查工作.2。 主要施工机具及设备计划现场主管管工班电工班质安员序号机具名称型号规格单位数量1冲击钻Ø16台42手电钻Ø6- Ø12台23角向打磨机130mm把24弯管器—台25切割机450mm台16电焊机1.5KW台17其它工具-批13。施工进度控制计划:12345678910111213…20进场准备防护区内防尘处理线管施工布线刷漆瓶组设备安装报警设备安装系统上电测试试运行5 天系统验收4。材料设备管理材料管理就是在工程施工整个过程中,做好施工材料供应、保管和使用等工作,确保工程质量和降低工程成本。4。1发放材料时,核对规格、型号、品牌等。4。2物资采购部根据技术人员编制的材料计划,积极进行市场调研,货比三家及早订货。4.3 对厂家提供的样品由项目专业工程师进行自审,对重要材料在自审合格的基础上提供样品给监理审查,征得业主同意,并在样品确认单上签字认可,并做记录,按供应计划的要求及时组织材料进场.4。4 材料的运输、入库、保管、出库过程中,实施严格的...

1、当您付费下载文档后,您只拥有了使用权限,并不意味着购买了版权,文档只能用于自身使用,不得用于其他商业用途(如 [转卖]进行直接盈利或[编辑后售卖]进行间接盈利)。
2、本站所有内容均由合作方或网友上传,本站不对文档的完整性、权威性及其观点立场正确性做任何保证或承诺!文档内容仅供研究参考,付费前请自行鉴别。
3、如文档内容存在违规,或者侵犯商业秘密、侵犯著作权等,请点击“违规举报”。

碎片内容

七氟丙烷系统施工方案

您可能关注的文档

确认删除?
VIP
微信客服
  • 扫码咨询
会员Q群
  • 会员专属群点击这里加入QQ群
客服邮箱
回到顶部