电脑桌面
添加小米粒文库到电脑桌面
安装后可以在桌面快捷访问

三类维修管理制度资料

三类维修管理制度资料_第1页
1/11
三类维修管理制度资料_第2页
2/11
三类维修管理制度资料_第3页
3/11
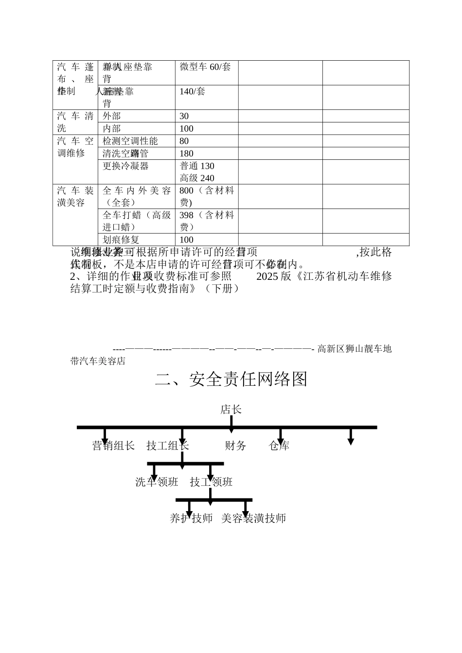
三类专项管理制度 —-——-—-——————-—-—-—-—-—-----—-—---—--—-———--—-———----— 高新区狮山靓车地带汽车美容店目 录1、收费标准2、安全责任网络图3、服务承诺4、用户抱怨受理程序5、工艺流程图6、环境保护措施7、岗位责任制度8、设备仪器管理制度9、质量检验制度10、人员技术培训制度11、各工种安全操作规程12、各机电设备安全操作规程13、安全生产管理制度14、环境保护制度15、配件管理制度16、收费备案及公示制 ——-————-—-—--————-—--——-——-——--—-— 高新区狮山靓车地带汽车美容店1、收费标准参照执行 2025 版《江苏省机动车维修结算工时定额与收费指南》(下册)汽车维修专项作业工费,主要作业项目及内容。单位:元作业项目及内容轿车汽 车 玻璃安装前档风玻璃普通 80/块 高级 200/块后档风玻璃普通 80/块 高级 200/块汽 车 蓬布 、 座垫制作新制单人座垫靠背微型车 60/套新制三人座垫靠背140/套汽 车 清洗外部30内部100汽 车 空调维修检测空调性能80清洗空调管路180更换冷凝器普通 130 高级 240汽 车 装潢美容全 车 内 外 美 容(全套)800(含材料费)全车打蜡(高级进口蜡)398(含材料费)划痕修复100说明:1、各三类专项维修业户可根据所申请许可的经营项目,按此格式制作看板,不是本店申请的许可经营项目,可不必制作在内。2、详细的作业项目及收费标准可参照2025 版《江苏省机动车维修结算工时定额与收费指南》(下册) ----———------————--——-——--—-————- 高新区狮山靓车地带汽车美容店二、安全责任网络图店长营销组长 技工组长 财务 仓库洗车领班 技工领班养护技师 美容装潢技师 ---—-—————---————--——-----—--—-—-— 高新区狮山靓车地带汽车美容店 三、服 务 承 诺1、为确保用户利益,在质保期内,凡因质量问题造成车辆故障、损坏、无法正常使用的,本店将予以返修。2、接待用户热忱,文明用语、礼貌待客。3、法律规范经营、不推诿、不欺诈.5、文明生产、爱护车辆,保持竣工车辆内外洁净。服务热线电话:监督电话:苏州市运输管理处 96520 投诉电话:13646222318 -——-—---——----——----—-—-—-—-—-———— 高新区狮山靓车地带汽车美容店四、用户抱怨受理程序客 户 抱 怨接 待 人 员轻度抱怨推断抱怨程度 严重抱怨抱怨原因 -—---—--—--—-——-——-—----—-—-——---— 高...

1、当您付费下载文档后,您只拥有了使用权限,并不意味着购买了版权,文档只能用于自身使用,不得用于其他商业用途(如 [转卖]进行直接盈利或[编辑后售卖]进行间接盈利)。
2、本站所有内容均由合作方或网友上传,本站不对文档的完整性、权威性及其观点立场正确性做任何保证或承诺!文档内容仅供研究参考,付费前请自行鉴别。
3、如文档内容存在违规,或者侵犯商业秘密、侵犯著作权等,请点击“违规举报”。

碎片内容

三类维修管理制度资料

确认删除?
VIP
微信客服
  • 扫码咨询
会员Q群
  • 会员专属群点击这里加入QQ群
客服邮箱
回到顶部