电脑桌面
添加小米粒文库到电脑桌面
安装后可以在桌面快捷访问

上海公路工程项目用表

上海公路工程项目用表_第1页
1/199
上海公路工程项目用表_第2页
2/199
上海公路工程项目用表_第3页
3/199
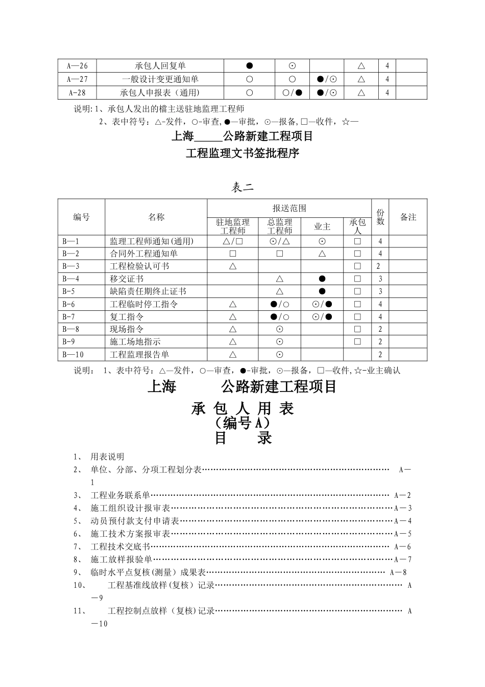
上海 公路新建工程项目基本表格及用表说明(试行)二○○七年十二月前 言上海 公路新建工程项目基本表格是根据交通部《公路工程施工监理法律规范》(JTG G10—2025)、《公路工程国内招标文件模板》(2025 年版)、《公路工程质量检验评定标准》和上海市《公路工程施工质量验收法律规范》编制而成。房建工程参照(土建工程 JTG F80/1-2025)建设部有关法律规范规定,其项目用表自成体系,单独列出.使用时要按表格要求的项目内容仔细填写完整,字迹要求清楚工整,用黑墨水笔或蓝黑墨水笔填写。本基本用表是按二级监理组织机构制定的用表。在用表过程中,若发现表格中的内容、标准及测(试)验规程与交通部发布的有关法律规范、测(试)验规程以及与上海 公路新建工程项目招标文件的有关条款要求不一致时,应执行交通部发布的法律规范和测(试)验规程以及上海 公路新建工程项目招标文件中相关条款的规定,使用过程中存在的问题,及时函告公管中心,以便及时修订。 总 目 录一、 工程监理文书签批程序二、 承包人用表(编号 A)三、 监理工程师用表(编号 B)四、 道路工程质量检验单(编号 C-1)五、 桥梁工程质量检验单(编号 C-2)六、 交通工程设施项目质量检验单(编号 C-3)七、 绿化工程质量检验单(编号 C-4)八、 工程质量检验评定表(编号 H)上海 公路新建工程项目工程监理文书签批程序 表一编号名 称报送范围份数备注驻地监理工程师总监理工程师业主承包人A—1单位、分部、分项工程划分表○○●△4A—2工程业务联系单○○●△5A-3施工组织设计报审表○○●△4A-4动员预付款支付申请表○●△3A-5施工技术方案报审表○○●△4A—6工程技术交底书●△3A-7施工放样报验单●⊙△2A—8临时水平点复核(测量)成果表●⊙△2A—9工程基准线放样(复核)记录●⊙△2A—10工程控制点放样(复核)记录●⊙△2A—11建筑材料报验单●△2A—12原材料、成品、半成品供应单位资质报审表○●△3A—13进场设备报验单●△3A-14分包申请○○●△4A—15工程开工申请单○○●△4A—16承包人每月工作计划●⊙△2A-17中间检验申请单●△2A—18工程报验单●△2A—19复工申请○●/○⊙/●△4A-20工程事故报告单○○●△4A—21工程质量问题报告单○○●△4A—22工程事故处理单○●⊙△4A-23工程质量问题处理单○○●△4A—24交工报验单○●⊙△5A—25缺陷责任期终止报验单○●☆△5A—26承包人回复单●⊙△4A—27一般设计变更通知单○○●/...

1、当您付费下载文档后,您只拥有了使用权限,并不意味着购买了版权,文档只能用于自身使用,不得用于其他商业用途(如 [转卖]进行直接盈利或[编辑后售卖]进行间接盈利)。
2、本站所有内容均由合作方或网友上传,本站不对文档的完整性、权威性及其观点立场正确性做任何保证或承诺!文档内容仅供研究参考,付费前请自行鉴别。
3、如文档内容存在违规,或者侵犯商业秘密、侵犯著作权等,请点击“违规举报”。

碎片内容

上海公路工程项目用表

您可能关注的文档

文森传品+ 关注
实名认证
内容提供者

一家传播文化教育的小店,资料丰富,随意挑选。

确认删除?
VIP
微信客服
  • 扫码咨询
会员Q群
  • 会员专属群点击这里加入QQ群
客服邮箱
回到顶部