电脑桌面
添加小米粒文库到电脑桌面
安装后可以在桌面快捷访问

临时用电专项施工方案32000VIP专享

临时用电专项施工方案32000_第1页
1/21
临时用电专项施工方案32000_第2页
2/21
临时用电专项施工方案32000_第3页
3/21
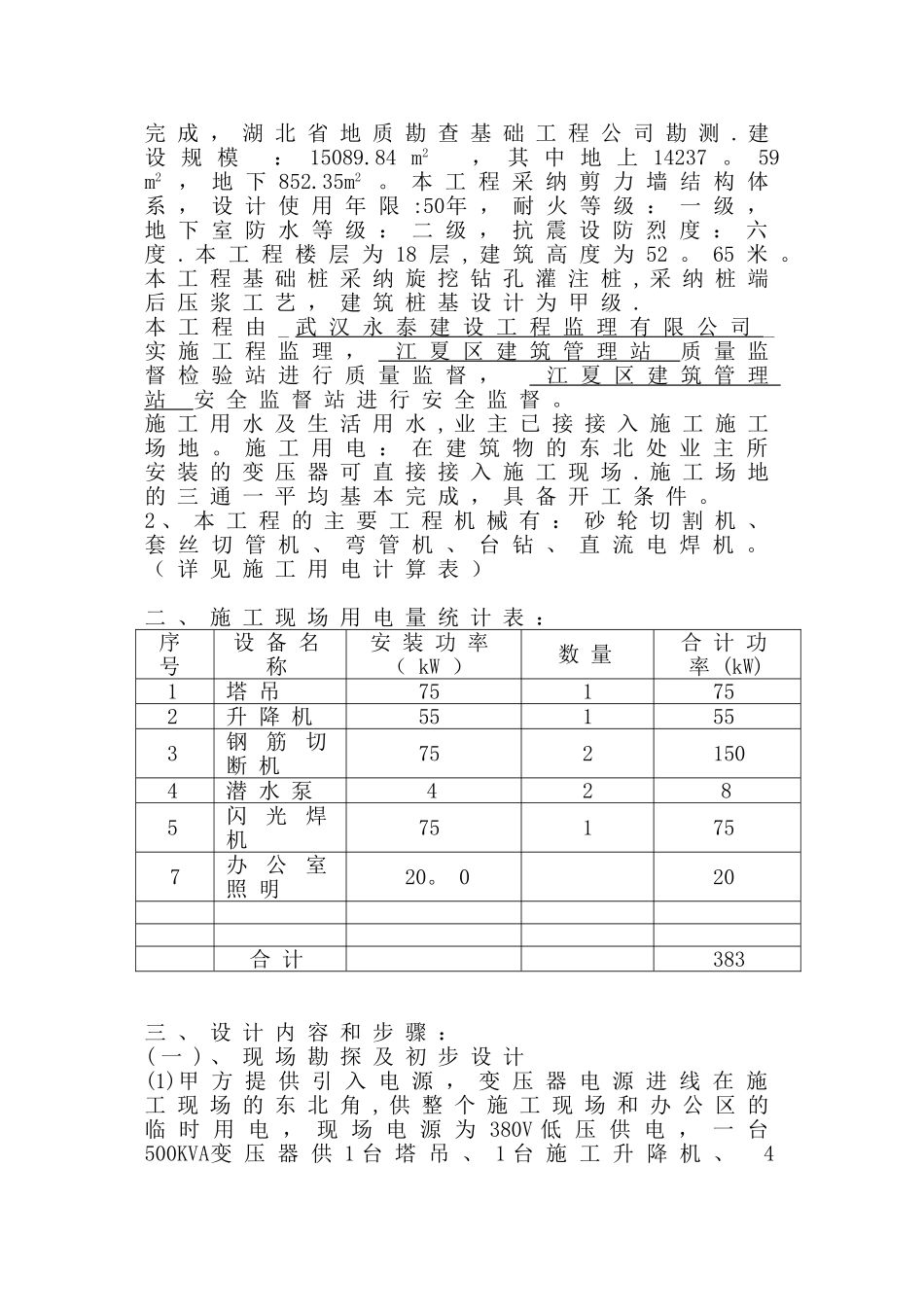
临 时 用 电 专 项 施 工 方 案编 制 : 审 核 :审 批 :中 拓 建 设 工 程 进 展 有 限 公 司编 制 时 间 : 2025 年 1 月 20 日临 时 用 电 专 项 施 工 方 案一 、 工 程 概 况 :本 工 程 位 于 武 汉 市 江 夏 区 纸 坊 街 文 化 路 以 西 ,建 筑 设 计 由 北 京 威 斯 顿 建 筑 设 计 有 限 公 司 所完 成 , 湖 北 省 地 质 勘 查 基 础 工 程 公 司 勘 测 . 建设 规 模 : 15089.84 m2 , 其 中 地 上 14237 。 59 m2 , 地 下 852.35m2 。 本 工 程 采 纳 剪 力 墙 结 构 体系 , 设 计 使 用 年 限 :50年 , 耐 火 等 级 : 一 级 ,地 下 室 防 水 等 级 : 二 级 , 抗 震 设 防 烈 度 : 六度 . 本 工 程 楼 层 为 18 层 , 建 筑 高 度 为 52 。 65 米 。本 工 程 基 础 桩 采 纳 旋 挖 钻 孔 灌 注 桩 , 采 纳 桩 端后 压 浆 工 艺 , 建 筑 桩 基 设 计 为 甲 级 .本 工 程 由 _ 武 汉 永 泰 建 设 工 程 监 理 有 限 公 司 _实 施 工 程 监 理 , 江 夏 区 建 筑 管 理 站 质 量 监督 检 验 站 进 行 质 量 监 督 , 江 夏 区 建 筑 管 理站 安 全 监 督 站 进 行 安 全 监 督 。施 工 用 水 及 生 活 用 水 , 业 主 已 接 接 入 施 工 施 工场 地 。 施 工 用 电 : 在 建 筑 物 的 东 北 处 业 主 所安 装 的 变 压 器 可 直 接 接 入 施 工 现 场 . 施 工 场 地的 三 通 一 平 均 基 本 完 成 , 具 备 开 工 条 件 。2 、 本 工 程 的 主 要 工 程 机 械 有 : 砂 轮 切 割 机 、套 丝 切 管 机 、 弯 管 机 、 台 钻 、 直 流 电 焊 机 。( 详 见 施 工 用 电 计 算 表 )二 、 施 工 现 场 用 电 量 统 计 表 :序号设 备 名称安 装 功 率( kW )数 量合 计 功率 (kW)1塔 吊751752升 降 机551553钢筋切断 机7521504潜 水 泵4285闪光焊机75175 7办公室照 明 20。 020合 计383三 、 设 计 内 容 和 步 骤 :( 一 ) 、 现 场 勘...

1、当您付费下载文档后,您只拥有了使用权限,并不意味着购买了版权,文档只能用于自身使用,不得用于其他商业用途(如 [转卖]进行直接盈利或[编辑后售卖]进行间接盈利)。
2、本站所有内容均由合作方或网友上传,本站不对文档的完整性、权威性及其观点立场正确性做任何保证或承诺!文档内容仅供研究参考,付费前请自行鉴别。
3、如文档内容存在违规,或者侵犯商业秘密、侵犯著作权等,请点击“违规举报”。

碎片内容

临时用电专项施工方案32000

确认删除?
VIP
微信客服
  • 扫码咨询
会员Q群
  • 会员专属群点击这里加入QQ群
客服邮箱
回到顶部