电脑桌面
添加小米粒文库到电脑桌面
安装后可以在桌面快捷访问

临时用电施工方案29907

临时用电施工方案29907_第1页
1/7
临时用电施工方案29907_第2页
2/7
临时用电施工方案29907_第3页
3/7
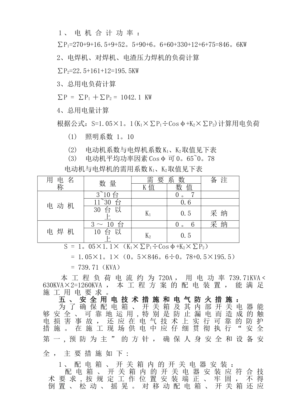
* ** * 工 程** * * 号 楼临时用电施工方案编 制 :审 核 :审 定 :重 庆 * * 建 设 (集 团 ) 有 限 公 司二 0 一 一 年 一 月 二 十 一 日临 时 用 电 施 工 方 案一 、 工 程 概 况* * * *二 、 电 源电 源 由 业 主 申 请 的 生 产 用 电 , 由 供 电 局 设 计 安装 ( A、 B地 块 各 一 台 ) 。 从 低 压 配 电 房 配 电 箱 接 出 ,输 出 电 压 380V.三 、 电 箱 的 配 置 及 线 路 走 向根 据 本 工 程 施 工 所 需 的 机 械 和 平 面 布 置 要 求 :1 、 临 时 配 电 室 单 独 设 置 ( A、 B地 块 各 设 一 台箱 式 变 电 器 , 变 压 器 容 量 为 630KVA ) . ( 3m×3m=9m2)2 、 业 主 提 供 的 低 压 配 电 柜 为 总 配 电 箱 , 临 时配 电 室 设 二 级 配 电 箱 6 台 , 另 设 动 力 ( 照 明 ) 分 箱80 个 , 有 出 产 合 格 证 。3 、 线 路 : 从 总 配 电 柜 接 出 三 相 五 线 , 架 设 至 临时 配 电 房 二 级 配 电 箱 上 。四 、 本 工 程 所 采 纳 的 主 要 机 械 设 备 表序号设 备 名 称规 格 型号额 定 率( KW)数量负 荷 计算1塔 吊QTZ40306 台1802钢 筋 弯 曲机QW6-4033 台93钢 筋 切 断机GT4-125.53 台16 。 54钢 筋 调 直机33 台95闪 光 对 焊机UN—1007.53 台22 。 56电 焊 机BX1-500237 台1617电 渣 压 力焊 机DX3—750112台128搅 拌 机JDY500A7 。 57 台52 。 59外 用 电 梯156 部9010插 入 式 振捣 器Zb110—501.16 台6 。 611潜 水 电 泵QXN60—32/2160台6012卷 扬 机WD5 。 560台33013木 工 圆 锯 Y100L-434 台1214木 工 平 刨机 Y90L-232 台615空 压 机U-3157.510台751042 。 11 、 电 机 合 计 功 率 :∑P1=270+9+16.5+9+52。5+90+6。6+60+330+12+6+75=846。6KW2、电焊机、对焊机、电渣压力焊机的负荷计算∑P2=22.5+161+12=195.5KW3、总用电负荷计算∑P = ∑P1 +∑P2 = 1042.1 KW4、总用电量计算根据公式:S=1.05×1。1(K1×∑P1÷Cosφ+K2×∑P2)计算用电负荷(1)照明系数 1。10(2)电动机系数与电焊机系数 K1、K2取...

1、当您付费下载文档后,您只拥有了使用权限,并不意味着购买了版权,文档只能用于自身使用,不得用于其他商业用途(如 [转卖]进行直接盈利或[编辑后售卖]进行间接盈利)。
2、本站所有内容均由合作方或网友上传,本站不对文档的完整性、权威性及其观点立场正确性做任何保证或承诺!文档内容仅供研究参考,付费前请自行鉴别。
3、如文档内容存在违规,或者侵犯商业秘密、侵犯著作权等,请点击“违规举报”。

碎片内容

临时用电施工方案29907

您可能关注的文档

确认删除?
VIP
微信客服
  • 扫码咨询
会员Q群
  • 会员专属群点击这里加入QQ群
客服邮箱
回到顶部