电脑桌面
添加小米粒文库到电脑桌面
安装后可以在桌面快捷访问

主厂房防雷接地施工方案

主厂房防雷接地施工方案_第1页
1/14
主厂房防雷接地施工方案_第2页
2/14
主厂房防雷接地施工方案_第3页
3/14
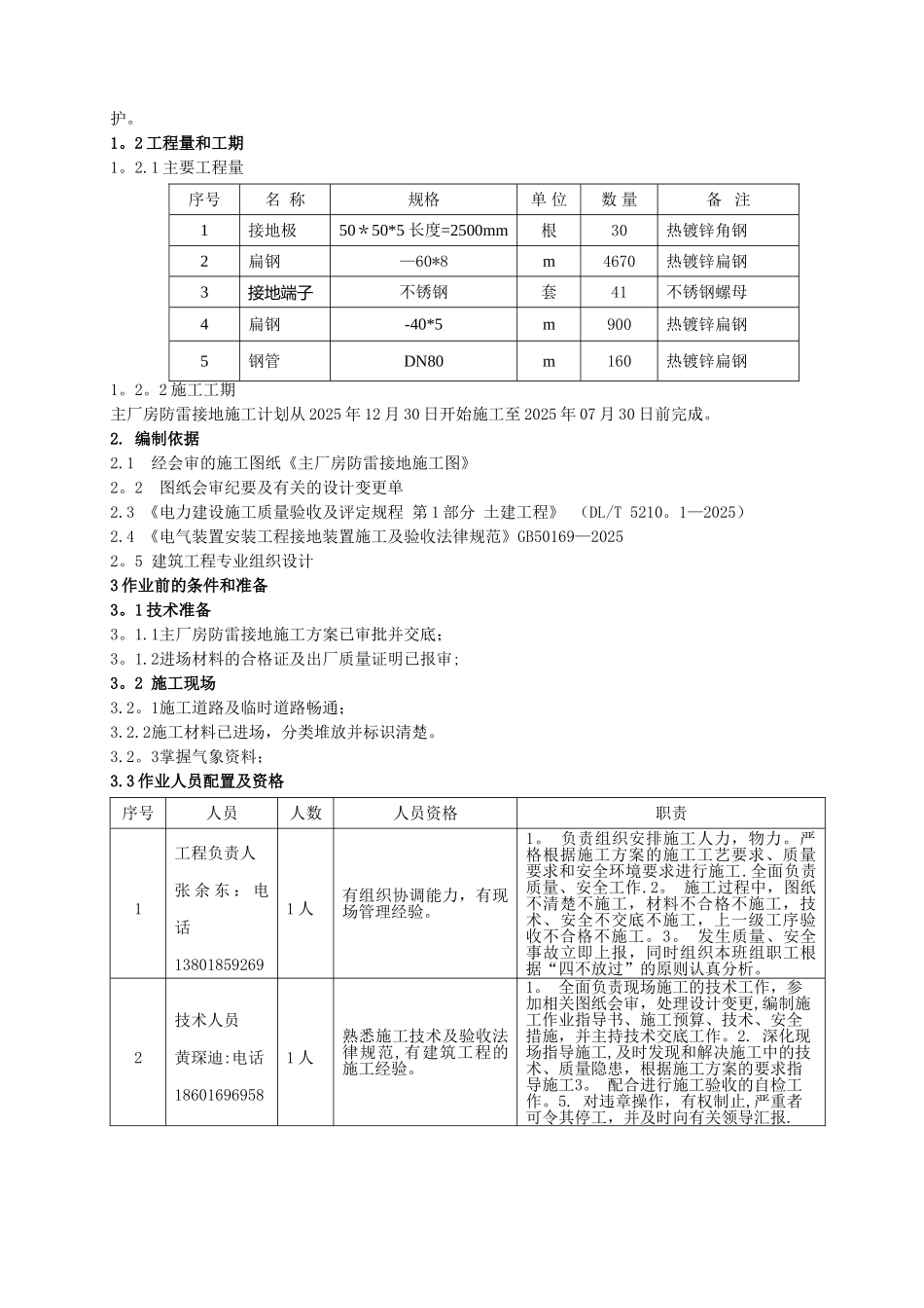
QG/DZ FA-JSRJ—2025-26华能苏州燃机热电联产项目主厂房防雷接地施工方案编 制: 年 月 日会 签: 年 月 日审 核: 年 月 日批 准: 年 月 日上海电力建筑工程公司苏州燃机项目部二○一六年一月九日主厂房防雷接地施工方案编号:版本号:1.0状 态:执行目 录1. 工程概况及工程量2. 编制依据3. 作业前的条件和准备4. 作业程序、施工方案5. 质量措施6. 成品保护措施7. 作业的安全环境保护措施8. 本作业需执行的强制性条文9. 接地工程施工危险点分析及预防措施10. 安全专项措施 11.重大风险作业与重要环境因素清单附录 1:重大风险作业及控制措施清单附录 2:重要环境因素及控制措施清单文件修改记录:版本号修改说明修改人审核人批准人1 工程概况及工程量1。1 工程概况主厂房防雷接地包含 0。00 米层、3.90 米、4。50 米、7。90 米、9.00 米,室内引上线、室内水平接地干线等。由于现场施工条件限制,施工阶段首先施工 0.00 米层,再施工 3。90 米、4.50 米、7。90 米、9.00 米.先施工引上线再安装室内水平接地干线。主厂房防雷接地水平接地线采纳-60*8 热镀锌扁钢,垂直接地极采纳 L50*50*5 L=2500 热镀锌角钢;引上线部分接地干线及接地引上线采纳-60*8 热镀锌扁钢:接地体穿道路、楼面采纳 DN80 热镀锌钢管保护。1。2 工程量和工期1。2.1 主要工程量序号名 称规格单 位数 量备 注1接地极50*50*5 长度=2500mm根30热镀锌角钢2扁钢—60*8m4670热镀锌扁钢3接地端子不锈钢套41不锈钢螺母4扁钢-40*5m900热镀锌扁钢5钢管DN80m160热镀锌扁钢1。2。2 施工工期主厂房防雷接地施工计划从 2025 年 12 月 30 日开始施工至 2025 年 07 月 30 日前完成。2. 编制依据2.1 经会审的施工图纸《主厂房防雷接地施工图》2。2 图纸会审纪要及有关的设计变更单2.3 《电力建设施工质量验收及评定规程 第 1 部分 土建工程》 (DL/T 5210。1—2025)2.4 《电气装置安装工程接地装置施工及验收法律规范》GB50169—20252。5 建筑工程专业组织设计3 作业前的条件和准备3。1 技术准备3。1.1主厂房防雷接地施工方案已审批并交底;3。1.2进场材料的合格证及出厂质量证明已报审;3。2 施工现场3.2。1施工道路及临时道路畅通;3.2.2施工材料已进场,分类堆放并标识清楚。3.2。3掌握气象资料;3.3 作业人员配置及资格序号人员人数人员资格职责1工程负责人张 余 东 : 电话138018592691 人...

1、当您付费下载文档后,您只拥有了使用权限,并不意味着购买了版权,文档只能用于自身使用,不得用于其他商业用途(如 [转卖]进行直接盈利或[编辑后售卖]进行间接盈利)。
2、本站所有内容均由合作方或网友上传,本站不对文档的完整性、权威性及其观点立场正确性做任何保证或承诺!文档内容仅供研究参考,付费前请自行鉴别。
3、如文档内容存在违规,或者侵犯商业秘密、侵犯著作权等,请点击“违规举报”。

碎片内容

主厂房防雷接地施工方案

元素商铺+ 关注
实名认证
内容提供者

欢迎挑选合适的文档

确认删除?
VIP
微信客服
  • 扫码咨询
会员Q群
  • 会员专属群点击这里加入QQ群
客服邮箱
回到顶部