电脑桌面
添加小米粒文库到电脑桌面
安装后可以在桌面快捷访问

二次装修消防设计专篇

二次装修消防设计专篇_第1页
1/5
二次装修消防设计专篇_第2页
2/5
二次装修消防设计专篇_第3页
3/5
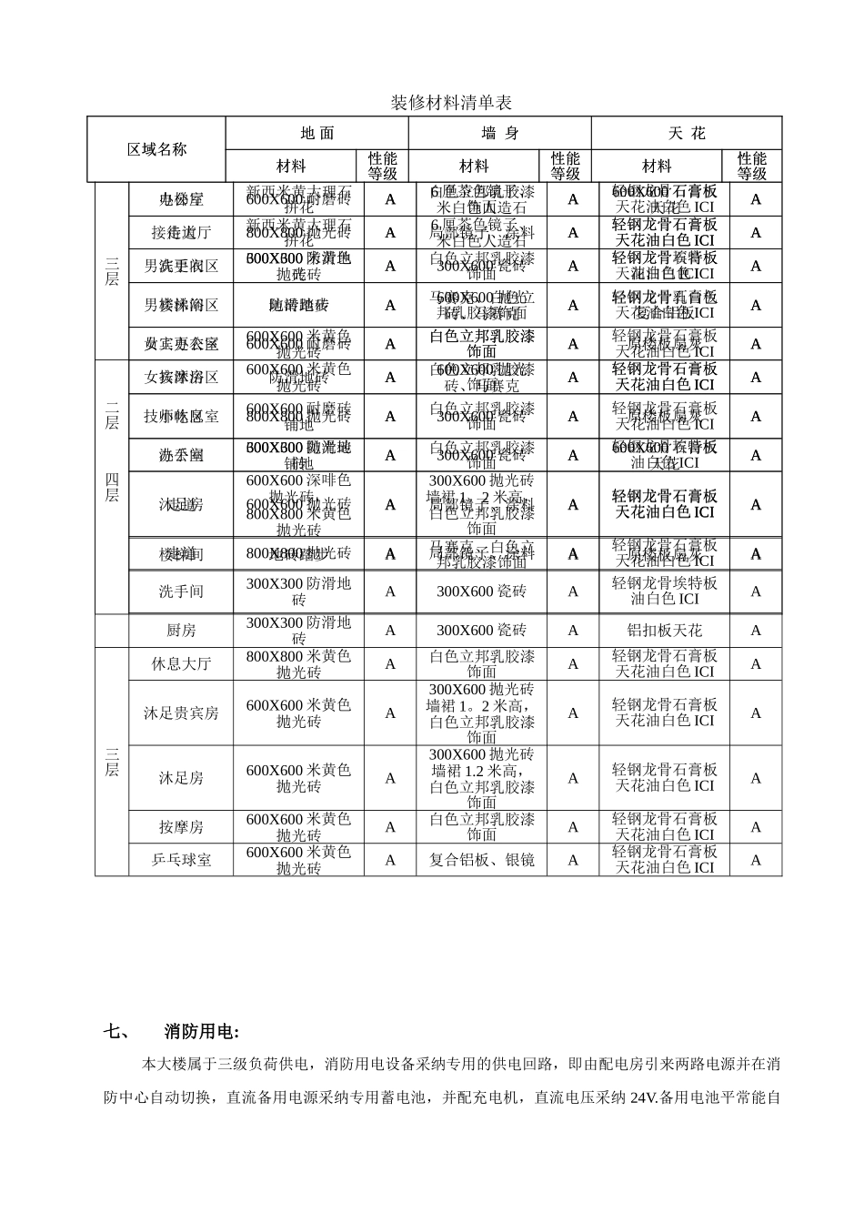
XX 休 闲 馆装修消防设计专篇一、设计依据《建筑设计防火法律规范》GB50016—2025; 《建筑内部装修设计防火法律规范》GB50222—95(2001 年版)《建筑内部装修防火施工及验收法律规范》(GB50354—2025)《自动喷水灭火系统设计法律规范》GB50084—2001(2025 年版);《火灾自动报警系统设计法律规范》(GB50116-98)《建筑灭火器配置设计法律规范》(GB50140-2025)二、工程概况:本装修项目位于 XX 商业楼的二层、三层、四层(局部),装修后作为桑拿休闲会所使用,属于多层建筑物的娱乐场所。其中二层作餐厅(厨房)、桑拿沐浴、沐足使用;三层作休息室、健身室、沐足、按摩房使用,四层作按摩房使用。三、总平面:本装修项目所在的商业楼为一栋六层钢筋砼结构建筑物,占地面积 XX 平方米,建筑面积 XX 平方米,楼高 20.5 米,耐火等级不应低于二级,已通过 XX 分局“XX 字[200X]第 XX 号”文验收。本大楼北面为 XX,东面为在建商业楼(耐火等级为二级),西面为六层商业楼(耐火等级为二级),南面为住宅楼(耐火等级为二级),其中西侧与相邻商业楼建筑的防火间距为 4 米,相邻外墙实行防火墙分隔。大楼的东面和北面设有消防车道,道宽大于 4 米。四、平面设计:本大楼首层为临街商铺、水泵房和消防控制室;二层作餐厅(厨房)、桑拿沐浴、沐足、美容保健使用;三层作休息室、健身室、沐足、按摩房使用;四层为按摩房和棋牌;五层和六层为旅馆。按每层为一个防火分区,防火分区的面积为 XX 平方米;其中,水泵房和消防控制室位于首层东南角楼梯旁,采纳耐火极限不低于 2.00h 的隔墙和不低于 1.5h 的楼板与其他部位隔开,并设置直通室外的安全出口;二层厨房与小吃区采纳耐火极限不低于 2.00h 的不燃烧体隔墙和乙级防火门分隔。五、疏散楼梯本大楼的五层和六层设有 3 部疏散楼梯,四层及四层以下在原有基础上增加上 1 部,即设有 4 部疏散楼梯,4 部疏散楼梯均为室内封闭楼梯间,通往疏散楼梯的门应为向疏散方向开启的乙级防火门。各疏散楼梯的梯段净宽度均大于 1。7 米,楼梯疏散门的净宽均大于 1。2 米,以下为各层疏散宽度的计算:(1)六层为旅馆,疏散人数为 495 人,六层疏散宽度计算:495(人)*1。0/100=4.95 米,本层实际疏散宽度为 5.1 米,大于计算疏散宽度,符合要求;(2)五层为旅馆,疏散人数为 490 人,五层疏散宽度计算:490(人)*1。0/100=4。9 米;本层实际疏散宽度为 5.1 米,大...

1、当您付费下载文档后,您只拥有了使用权限,并不意味着购买了版权,文档只能用于自身使用,不得用于其他商业用途(如 [转卖]进行直接盈利或[编辑后售卖]进行间接盈利)。
2、本站所有内容均由合作方或网友上传,本站不对文档的完整性、权威性及其观点立场正确性做任何保证或承诺!文档内容仅供研究参考,付费前请自行鉴别。
3、如文档内容存在违规,或者侵犯商业秘密、侵犯著作权等,请点击“违规举报”。

碎片内容

二次装修消防设计专篇

您可能关注的文档

确认删除?
VIP
微信客服
  • 扫码咨询
会员Q群
  • 会员专属群点击这里加入QQ群
客服邮箱
回到顶部