电脑桌面
添加小米粒文库到电脑桌面
安装后可以在桌面快捷访问

五金手册查询表35734

五金手册查询表35734_第1页
1/9
五金手册查询表35734_第2页
2/9
五金手册查询表35734_第3页
3/9
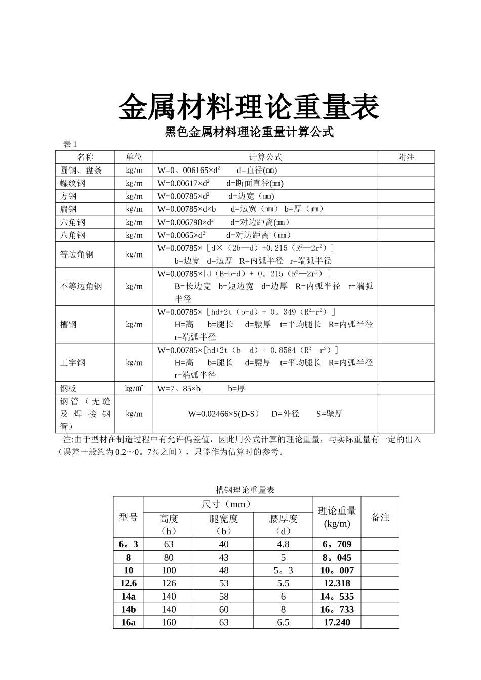
金属材料理论重量表黑色金属材料理论重量计算公式表 1名称单位计算公式附注圆钢、盘条㎏/mW=0。006165×d2 d=直径(㎜)螺纹钢㎏/mW=0.00617×d2 d=断面直径(㎜)方钢㎏/mW=0.00785×d2 d=边宽(㎜)扁钢㎏/mW=0.00785×d×b d=边宽(㎜) b=厚(㎜)六角钢㎏/mW=0.006798×d2 d=对边距离(㎜)八角钢㎏/mW=0.0065×d2 d=对边距离(㎜)等边角钢㎏/mW=0.00785×[d×(2b—d)+0.215(R2—2r2)] b=边宽 d=边厚 R=内弧半径 r=端弧半径不等边角钢㎏/mW=0.00785×[d(B+b-d)+ 0。215(R2—2r2)] B=长边宽 b=短边宽 d=边厚 R=内弧半径 r=端弧半径槽钢㎏/mW=0.00785×[hd+2t(b-d)+ 0。349(R2-r2)]H=高 b=腿长 d=腰厚 t=平均腿长 R=内弧半径 r=端弧半径工字钢㎏/mW=0.00785×[hd+2t(b—d)+ 0.8584(R2—r2)] H=高 b=腿长 d=腰厚 t=平均腿长 R=内弧半径 r=端弧半径钢板㎏/㎡W=7。85×b b=厚钢 管 ( 无 缝及 焊 接 钢管)㎏/mW=0.02466×S(D-S) D=外径 S=壁厚注:由于型材在制造过程中有允许偏差值,因此用公式计算的理论重量,与实际重量有一定的出入(误差一般约为 0.2~0。7%之间),只能作为估算时的参考。槽钢理论重量表型号尺寸(mm)理论重量(kg/m)备注高度(h)腿宽度(b)腰厚度(d)6。363404.86。7098804358。04510100485。310。00712.6126535.512.31814a14058614。53514b14060816。73316a160636.517.24016160658.519.75218a180687。020。17418180709.023。00020a20073722.6372020075925.77722a22077724。9992222079928.45324a240787。026.86024b240809。030.62824c2408211。034.39625a25080727.41025b25082931.33525c250821135。26027a270827.530。83827b270849。535.07727c2708611。539.31628a280827.531.42728b280849.535.82328c2808611.540.21930a300857.534.46330b300879.539.17330c3008911.543。88332a32088838。08332b320901043.10732c320921248.13136a36096947.81436b360981153。46636c3601001359。11840a40010010.558。92840b40010212。565.20840c40010414。571。488圆钢直径和方钢边长及理论重量表表 1—1圆钢直径 d方钢边长 a (㎜)理 论 重 量(㎏/m)圆钢直径 d方 钢 边 长a(㎜)理 论 重 量(㎏/m)圆钢直径 d方 钢 边 长a(㎜)理 论 重 量(㎏/m)圆钢方钢圆钢方钢圆钢方钢5.50。1860。237*274.495。72*6828。5136。3060.2220。238284.836.157030...

1、当您付费下载文档后,您只拥有了使用权限,并不意味着购买了版权,文档只能用于自身使用,不得用于其他商业用途(如 [转卖]进行直接盈利或[编辑后售卖]进行间接盈利)。
2、本站所有内容均由合作方或网友上传,本站不对文档的完整性、权威性及其观点立场正确性做任何保证或承诺!文档内容仅供研究参考,付费前请自行鉴别。
3、如文档内容存在违规,或者侵犯商业秘密、侵犯著作权等,请点击“违规举报”。

碎片内容

五金手册查询表35734

您可能关注的文档

确认删除?
VIP
微信客服
  • 扫码咨询
会员Q群
  • 会员专属群点击这里加入QQ群
客服邮箱
回到顶部