电脑桌面
添加小米粒文库到电脑桌面
安装后可以在桌面快捷访问

交通标线施工方案26925

交通标线施工方案26925_第1页
1/6
交通标线施工方案26925_第2页
2/6
交通标线施工方案26925_第3页
3/6
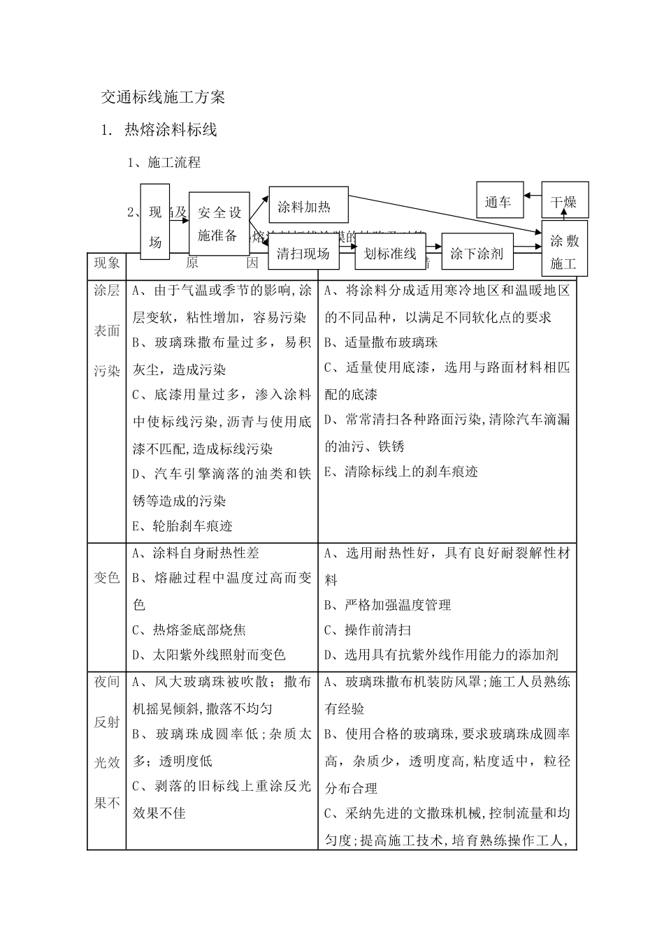
交通标线施工方案1. 热熔涂料标线1、施工流程2、缺陷及对策热熔涂料标线涂膜的缺陷及对策现象原 因措 施涂层 表面污染A、由于气温或季节的影响,涂层变软,粘性增加,容易污染B、玻璃珠撒布量过多,易积灰尘,造成污染C、底漆用量过多,渗入涂料中使标线污染,沥青与使用底漆不匹配,造成标线污染D、汽车引擎滴落的油类和铁锈等造成的污染E、轮胎刹车痕迹A、将涂料分成适用寒冷地区和温暖地区的不同品种,以满足不同软化点的要求B、适量撒布玻璃珠C、适量使用底漆,选用与路面材料相匹配的底漆D、常常清扫各种路面污染,清除汽车滴漏的油污、铁锈E、清除标线上的刹车痕迹 变色A、涂料自身耐热性差B、熔融过程中温度过高而变色C、热熔釜底部烧焦D、太阳紫外线照射而变色A、选用耐热性好,具有良好耐裂解性材料B、严格加强温度管理C、操作前清扫D、选用具有抗紫外线作用能力的添加剂夜间反射光效果不A、风大玻璃珠被吹散;撒布机摇晃倾斜,撒落不均匀B、玻璃珠成圆率低 ;杂质太多;透明度低C、剥落的旧标线上重涂反光效果不佳A、玻璃珠撒布机装防风罩;施工人员熟练有经验B、使用合格的玻璃珠,要求玻璃珠成圆率高,杂质少,透明度高,粘度适中,粒径分布合理C、采纳先进的文撒珠机械,控制流量和均匀度;提高施工技术,培育熟练操作工人,现场安 全 设施准备涂料加热清扫现场划标准线涂下涂剂涂 敷施工干燥通车良D、凹凸不平的路面反光不均E、涂料流动性和粘度不好,玻璃珠固着不好F、涂料软化点太低,流动性太好,玻璃珠沉入涂料中提高应变能力D、选择质量优异的标线涂料,标线涂料的流动性、软化点、粘度都要适中 起皮脱落A、涂料本身和路面的粘结力较差,涂膜过硬或过脆B、在旧标线上施工,由于结合不好,涂料附着力不够C、路面清扫不洁净、彻底;或路面上有水,比较潮湿,就急于施工D 、 下 涂 剂 涂 后 长 时 间 不 画线,粘上绘灰尘,会引起标线起皮脱落E、环境温度低于 5℃,施工质量不稳定,容易引起起皮脱落,熔融温度太低,会严重影响标线与路面的粘结力F、涂料熔化不充分,搅拌不均G、水泥路面下涂剂选择不当,新铺水泥路面由于表面碱性大和脆性层存在,易起皮脱落A、使用高质量涂料;调整涂料配方,增加粘结力和柔韧性B、将旧标线彻底除去,采纳下涂剂处理,保证新旧标线很好结合,尽量选用附着力强的热熔涂料C、彻底清扫路面;施工时确保路面干燥,必要时可人工方法进行干燥D、下涂剂干燥后应立即画标线E、如没有下涂剂处理,环境...

1、当您付费下载文档后,您只拥有了使用权限,并不意味着购买了版权,文档只能用于自身使用,不得用于其他商业用途(如 [转卖]进行直接盈利或[编辑后售卖]进行间接盈利)。
2、本站所有内容均由合作方或网友上传,本站不对文档的完整性、权威性及其观点立场正确性做任何保证或承诺!文档内容仅供研究参考,付费前请自行鉴别。
3、如文档内容存在违规,或者侵犯商业秘密、侵犯著作权等,请点击“违规举报”。

碎片内容

交通标线施工方案26925

您可能关注的文档

确认删除?
VIP
微信客服
  • 扫码咨询
会员Q群
  • 会员专属群点击这里加入QQ群
客服邮箱
回到顶部