电脑桌面
添加小米粒文库到电脑桌面
安装后可以在桌面快捷访问

产品研发管理流程图及工作标准

产品研发管理流程图及工作标准_第1页
1/2
产品研发管理流程图及工作标准_第2页
2/2
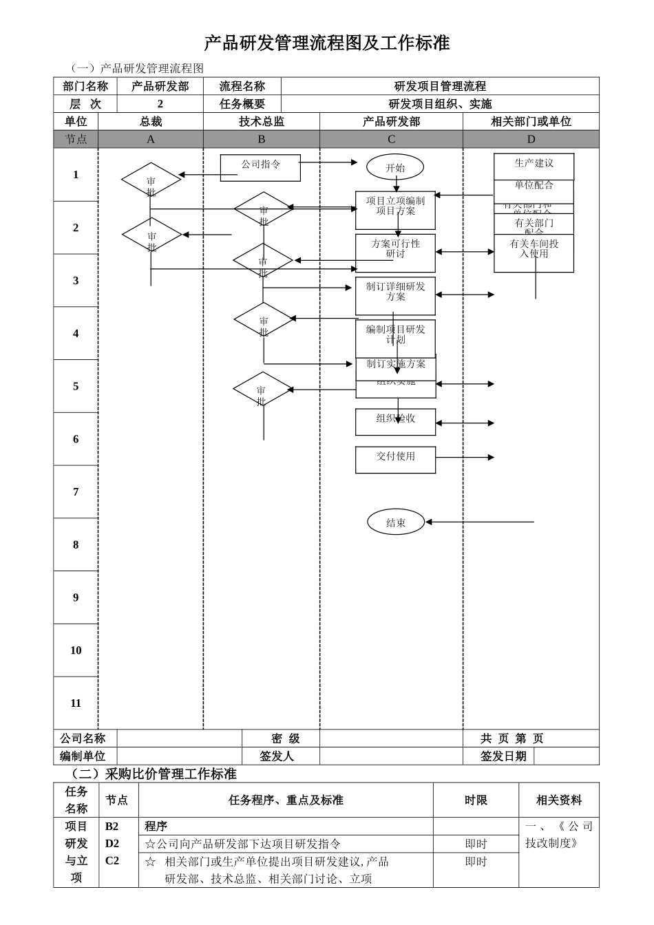
产品研发管理流程图及工作标准(一)产品研发管理流程图部门名称产品研发部流程名称研发项目管理流程层 次2任务概要研发项目组织、实施单位总裁技术总监产品研发部相关部门或单位节点ABCD1 234567891011公司名称密 级共 页 第 页编制单位 签发人签发日期(二)采购比价管理工作标准任务名称节点任务程序、重点及标准时限相关资料项目研发与立项B2D2C2程序一 、 《 公 司技改制度》 ☆公司向产品研发部下达项目研发指令即时☆ 相关部门或生产单位提出项目研发建议,产品研发部、技术总监、相关部门讨论、立项即时开始审批审批项目立项编制项目方案结束组织实施公司指令组织验收交付使用制订实施方案方案可行性研讨编制项目研发计划制订详细研发方案有关部门或设计院配合有关部门和单位配合有关部门配合有关车间投入使用有关部门和单位配合审批审批审批审批生产建议☆产品研发部编制技术工艺局部调整初步实施方案依计划情况定重点☆项目研发的调研、讨论,编制初步实施方案标准☆项目研发方案的撰写项目 研发 方案 确定C3D3C4D4程序一 、 《 公 司技改制度》☆ 产品研发部组织相关部门和单位参加研讨项目研发方案的可行性依计划情况定☆ 产品研发部将研讨后的方案报技术总监审定,总裁审批1 个工作日内☆ 依据总裁、技术总监审批的方案,产品研发部制订详细研发方案,有关部门或外部设计院配合依计划情况定☆产品研发总将最终方案报技术总监审批1 个工作日内重点☆研发项目方案的研讨、修改标准☆研发项目方案的最终确定项目研发计划与方案C6C7程序一 、 《 项 目改革方案》☆研发项目方案经技术总监审批后,产品研发部编制研发项目计划2 个工作日内☆产品研发部制订项目实施方案,报技术总监审批依计划情况定重点☆改造项目的设计图纸标准☆设计图纸正确,不影响履行项目的进行研发项目的执行与验收程序一、《项目验收报告》☆产品研发部组织,相关部门和单位配合,实施项目研发依计划情况定☆产品研发部在验收前组织试车、开车☆项目研发完成后,由产品研发部组织,有关部门配合,进行项目验收依计划情况定☆产品研发部编写项目验收报告,报技术总监审定,总裁审批3 个工作日☆项目验收报告经审批后,产品研发部组织交付使用依计划情况定☆有关生产单位将新的研发项目投入使用1 个工作日重点☆研发项目实施过程标准☆研发项目按计划完成☆☆☆

1、当您付费下载文档后,您只拥有了使用权限,并不意味着购买了版权,文档只能用于自身使用,不得用于其他商业用途(如 [转卖]进行直接盈利或[编辑后售卖]进行间接盈利)。
2、本站所有内容均由合作方或网友上传,本站不对文档的完整性、权威性及其观点立场正确性做任何保证或承诺!文档内容仅供研究参考,付费前请自行鉴别。
3、如文档内容存在违规,或者侵犯商业秘密、侵犯著作权等,请点击“违规举报”。

碎片内容

产品研发管理流程图及工作标准

您可能关注的文档

确认删除?
VIP
微信客服
  • 扫码咨询
会员Q群
  • 会员专属群点击这里加入QQ群
客服邮箱
回到顶部