电脑桌面
添加小米粒文库到电脑桌面
安装后可以在桌面快捷访问

人工挖孔桩记录表格

人工挖孔桩记录表格_第1页
1/13
人工挖孔桩记录表格_第2页
2/13
人工挖孔桩记录表格_第3页
3/13
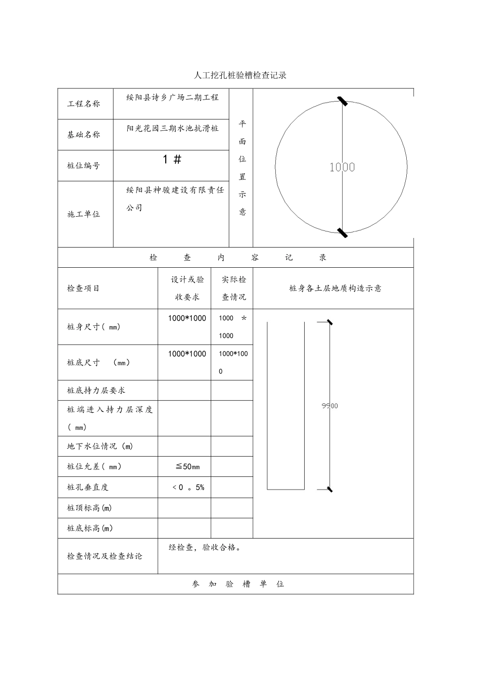
人工挖孔桩验槽检查记录工程名称绥阳县诗乡广场二期工程平面位置示 意基础名称阳光花园三期水池抗滑桩桩位编号1 #施工单位绥阳县神骏建设有限责任公司检 查 内 容 记 录检查项目设计或验收要求实际检查情况桩身各土层地质构造示意桩身尺寸( ㎜)1000*10001000*1000桩底尺寸 (㎜)1000*10001000*1000桩底持力层要求桩 端 进 入 持 力 层 深 度( ㎜)地下水位情况(m)桩位允差( ㎜)≦50㎜桩孔垂直度﹤0 。5%桩顶标高(m)桩底标高(m)检查情况及检查结论经检查,验收合格。参 加 验 槽 单 位建设单位代表:年 月 日监理单位代表:年 月 日地质(勘察单位代表:年 月 日施工单位代表:年 月 日注 : 本 桩 位 置 详 桩 位 自 编 号 平 面 图 。人 工 挖 孔 桩 钢 筋 隐 蔽 检 查 记 录注 : 本 桩 位 置 详 桩 位 自 编 号 平 面 图 。人 工 挖 孔 桩 中 线 检 查 记 录工程名称绥阳县诗乡广场二期工程基础名称阳光花园三期水池抗滑桩施工单位绥阳县神骏建设有限责任公司桩位编号1#检 查 内 容检 查 项 目设计要求实际情况桩 筋 布 置 示 意桩身尺寸(㎜)1000*10001000*1000桩长 (m)9。79.7桩主钢筋级别规格16 16钢筋总长度116。4116。4深化承台长度钢筋数量12 根12 根保护层厚度桩箍筋级别规格88箍筋长度箍筋形式箍筋间距(㎜)100/200mm100/200mm焊接加劲箍级别规格 8 8箍筋形式箍筋间距(㎜)搭接焊长度(㎜)护壁钢筋护壁材质及厚度素混凝土素混凝土级别规格水 平 筋 间 距(㎜)竖向筋间距(㎜)检 查 情 况及结论经检查,桩施工符合设计及相关法律规范要求,评为合格。建设单位代表:年 月 日监理单位代表:年 月 日设计单位代表:年 月 日施工单位代表:年 月 日注 : 本 桩 位 置 详 桩 位 自 编 号 平 面 图 。工程名称桩号桩 径㎜孔口标高设计桩顶标高检查日期年 月 日施工单位代表监理单位代表桩 基 施 工 记 录 ( 砼 浇 筑 )工 程名 称桩 孔 验 槽 结 论基 础名 称施 工单 位桩 位编 号施 工 记 录桩 径(D )MM桩 孔 全 深( H)扩 底最 大直 径 MM孔 壁材 质 及厚 度桩 孔 验 槽 结论桩 钢 筋 隐 蔽检 查 结 论桩 芯 砼 设 计强 度 等 级设 计 其 它 要求 砼 设计配 合比水 泥细 骨料粗 骨料水外 加剂1施 工 配 合比砼 原...

1、当您付费下载文档后,您只拥有了使用权限,并不意味着购买了版权,文档只能用于自身使用,不得用于其他商业用途(如 [转卖]进行直接盈利或[编辑后售卖]进行间接盈利)。
2、本站所有内容均由合作方或网友上传,本站不对文档的完整性、权威性及其观点立场正确性做任何保证或承诺!文档内容仅供研究参考,付费前请自行鉴别。
3、如文档内容存在违规,或者侵犯商业秘密、侵犯著作权等,请点击“违规举报”。

碎片内容

人工挖孔桩记录表格

范哲铺+ 关注
实名认证
内容提供者

想你所想,急你所急,你需要的都在店铺里可以找到。

确认删除?
VIP
微信客服
  • 扫码咨询
会员Q群
  • 会员专属群点击这里加入QQ群
客服邮箱
回到顶部