电脑桌面
添加小米粒文库到电脑桌面
安装后可以在桌面快捷访问

企业安全生产考核表

企业安全生产考核表_第1页
1/16
企业安全生产考核表_第2页
2/16
企业安全生产考核表_第3页
3/16
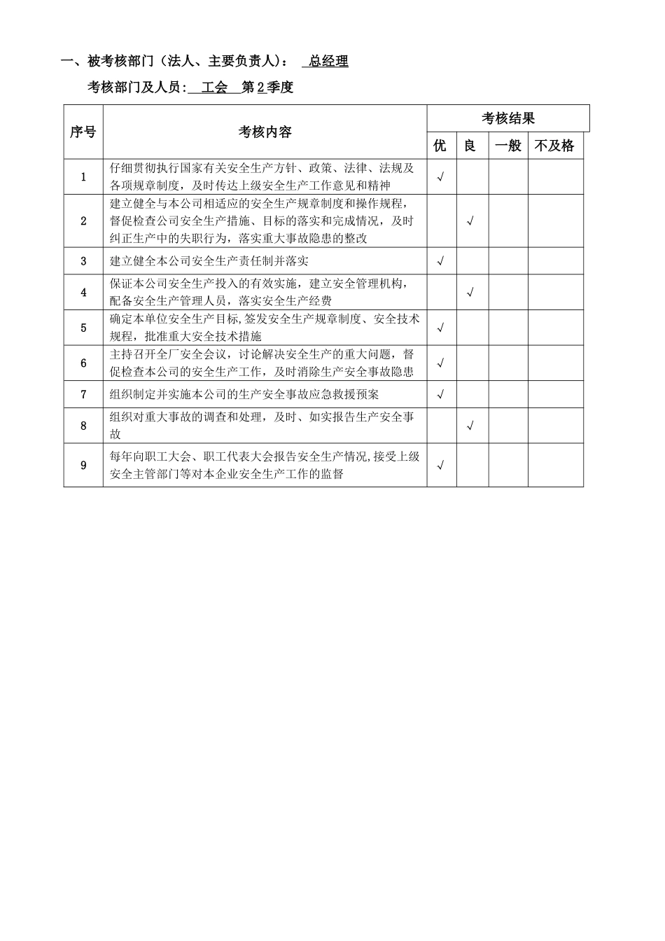
企业安全生产考核表目 录目录 2一、被考核部门(法人、主要负责人):总经理 3二、被考核部门(副总、专职安全员):专职安全员 4三、被考核部门(部门考核表):总经办 5四、被考核部门(部门考核表):财务部 6五、被考核部门(部门考核表):销售部 7六、被考核部门(部门考核表):技术部 8七、被考核部门(部门考核表):生产部 9八、被考核部门(部门考核表):物控部 10九、被考核部门(部门考核表):采购部 11十、被考核部门(部门考核表):仓库 12十一、被考核部门(部门考核表):品管部 13十二、被考核部门(部门考核表):车间主任 14十三、被考核部门(部门考核表):班组长 15十四、被考核部门(部门考核表):特种人员 16一、被考核部门(法人、主要负责人): 总经理考核部门及人员: 工会 第 2 季度序号考核内容考核结果优良一般不及格1仔细贯彻执行国家有关安全生产方针、政策、法律、法规及各项规章制度,及时传达上级安全生产工作意见和精神√2建立健全与本公司相适应的安全生产规章制度和操作规程,督促检查公司安全生产措施、目标的落实和完成情况,及时纠正生产中的失职行为,落实重大事故隐患的整改√3建立健全本公司安全生产责任制并落实√4保证本公司安全生产投入的有效实施,建立安全管理机构,配备安全生产管理人员,落实安全生产经费√5确定本单位安全生产目标,签发安全生产规章制度、安全技术规程,批准重大安全技术措施√6主持召开全厂安全会议,讨论解决安全生产的重大问题,督促检查本公司的安全生产工作,及时消除生产安全事故隐患√7组织制定并实施本公司的生产安全事故应急救援预案√8组织对重大事故的调查和处理,及时、如实报告生产安全事故√9每年向职工大会、职工代表大会报告安全生产情况,接受上级安全主管部门等对本企业安全生产工作的监督√二、被考核部门(专职安全员): 专职安全员考核部门及人员:总经理第 2 季度序号考核内容考核结果优良一般不及格1仔细贯彻执行国家有关安全生产方针、政策、法律、法规及各项规章制度,及时传达上级安全生产工作意见和精神√2建立健全与本公司相适应的安全生产规章制度和操作规程,督促检查公司安全生产措施、目标的落实和完成情况,及时纠正生产中的失职行为,落实重大事故隐患的整改√3坚持安全生产管理“五同时”原则,定期讨论、协调、指导分管业务范围内的安全生产工作,针对存在的问题,及时制定解决办法和措施,对分管各部门安全生产责...

1、当您付费下载文档后,您只拥有了使用权限,并不意味着购买了版权,文档只能用于自身使用,不得用于其他商业用途(如 [转卖]进行直接盈利或[编辑后售卖]进行间接盈利)。
2、本站所有内容均由合作方或网友上传,本站不对文档的完整性、权威性及其观点立场正确性做任何保证或承诺!文档内容仅供研究参考,付费前请自行鉴别。
3、如文档内容存在违规,或者侵犯商业秘密、侵犯著作权等,请点击“违规举报”。

碎片内容

企业安全生产考核表

您可能关注的文档

确认删除?
VIP
微信客服
  • 扫码咨询
会员Q群
  • 会员专属群点击这里加入QQ群
客服邮箱
回到顶部