电脑桌面
添加小米粒文库到电脑桌面
安装后可以在桌面快捷访问

企业生产订单管理流程

企业生产订单管理流程_第1页
1/21
企业生产订单管理流程_第2页
2/21
企业生产订单管理流程_第3页
3/21
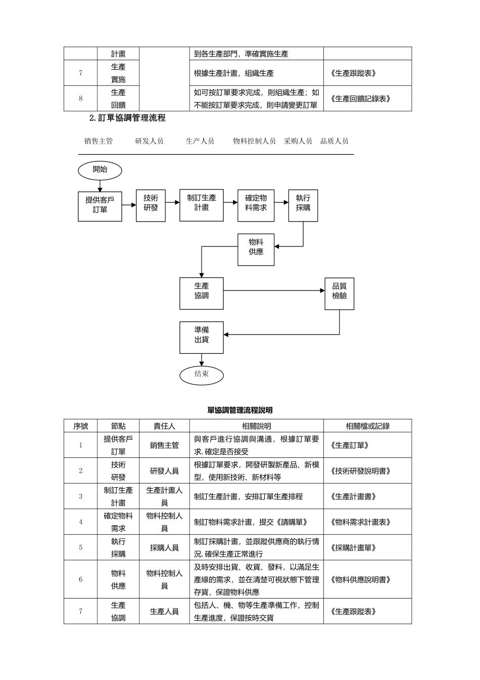
生產訂單管理1。訂單落實管理流程訂單落實管理流程說明序號節點責任人相關說明相關檔或記錄1接收訂單訂單管理人員接收客戶訂單,確定客戶需求和訂單的評審形式《訂單接收登記單》2訂單評審組織各相關部門進行評審,評審合格後簽訂合同,並下達生產訂單;如評審不合格,則與客戶進行溝通,並辦理退單《訂單評審記錄表》3審批生產經理對訂單進行審批《訂單審批規程》4訂單審批次處理訂單無法滿足客戶要求時,與客戶進行溝通與協調,並做退單處理;如有疑問、企業能力不足或不能按要求完成時,及時與客戶溝通《 訂 單 審 批 次 處 理 意見》5下達訂單生產人員根據訂單計畫及時下達訂單,傳遞到生產部及相關部門執行《訂單下達通知書》6制訂生產根據訂單要求,制訂生產計畫,並下達《生產計畫》下達訂單訂單審批次處理訂單管理人員生產人員生產經理结束制訂生產計畫生產實施生產回饋交貨後管理(成品管理)訂单接收订单開始訂單評審術订单訂單審批订单是否包 括 : 技術、品控、生产、配套計畫到各生產部門,準確實施生產7生產實施根據生產計畫,組織生產《生產跟蹤表》8生產回饋如可按訂單要求完成,則組織生產;如不能按訂單要求完成,則申請變更訂單《生產回饋記錄表》2.訂單協調管理流程單協調管理流程說明序號節點責任人相關說明相關檔或記錄1提供客戶訂單銷售主管與客戶進行協調與溝通,根據訂單要求,確定是否接受《生產訂單》2技術研發研發人員根據訂單要求,開發研製新產品、新模型,使用新技術、新材料等《技術研發說明書》3制訂生產計畫生產計畫人員制訂生產計畫,安排訂單生產排程《生產計畫書》4確定物料需求物料控制人員制訂物料需求計畫,提交《請購單》《物料需求計畫表》5執行採購採購人員制訂採購計畫,並跟蹤供應商的執行情況,確保生產正常進行《採購計畫單》6物料供應物料控制人員及時安排出貨、收貨、發料,以滿足生產線的需求,並在清楚可視狀態下管理存貨,保證物料供應《物料供應說明書》7生產協調生產人員包括人、機、物等生產準備工作,控制生產進度,保證按時交貨《生產跟蹤表》销售主管 研发人员 生产人员 物料控制人员 采购人员 品质人员開始提供客戶訂單技術研發制訂生產計畫確定物料需求執行採購物料供應生產協調品質檢驗準備出貨结束8品質檢驗品質人員檢驗物料品質及產品品質,並處理品質異常問題《品質檢驗表》9準備出貨出貨人員制訂出貨計畫和安排運輸計畫,確保訂單準時交付《出貨計畫》3.訂單計畫安...

1、当您付费下载文档后,您只拥有了使用权限,并不意味着购买了版权,文档只能用于自身使用,不得用于其他商业用途(如 [转卖]进行直接盈利或[编辑后售卖]进行间接盈利)。
2、本站所有内容均由合作方或网友上传,本站不对文档的完整性、权威性及其观点立场正确性做任何保证或承诺!文档内容仅供研究参考,付费前请自行鉴别。
3、如文档内容存在违规,或者侵犯商业秘密、侵犯著作权等,请点击“违规举报”。

碎片内容

企业生产订单管理流程

您可能关注的文档

文森传品+ 关注
实名认证
内容提供者

一家传播文化教育的小店,资料丰富,随意挑选。

确认删除?
VIP
微信客服
  • 扫码咨询
会员Q群
  • 会员专属群点击这里加入QQ群
客服邮箱
回到顶部