电脑桌面
添加小米粒文库到电脑桌面
安装后可以在桌面快捷访问

光缆线路工程施工规范

光缆线路工程施工规范_第1页
1/15
光缆线路工程施工规范_第2页
2/15
光缆线路工程施工规范_第3页
3/15
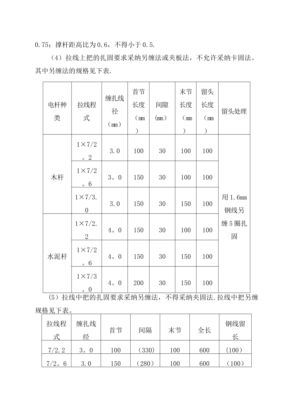
光缆线路工程施工法律规范光缆线路工程施工技术要求光缆线路施工要求一、杆路部分 1、埋深要求电杆洞深应符合下表的规定,洞深偏差应小于+50mm。电杆类别 分 类杆长(m) 洞深(m)普通土硬土水田、泥地石质水泥杆7 米1。31。21.41。08 米1。51.41.61.2油杆7 米1。41.21。50。98 米1。51。31。61在杆路工程中应合理分配电杆,终端杆及角杆应选择粗电杆.2、直线路由的电杆位置应在线路路由的中心线上,电杆中心线与路由中心线的左右偏差应不大于 50mm,电杆本身应上、下垂直.终端杆竖直后应向拉线侧倾斜 100—200 mm。角杆的内移:木杆内移 200—400 mm;水泥杆内移 100—200 mm。3、拉线:(1)采纳镀锌钢绞线,拉线程式要大于吊线程式一个规格.水泥杆拉线应加装绝缘子(即隔电子),隔电子距地面的垂直距离应在 2 米以上。人行道上的拉线采纳红白相间的拉线保护管保护。(2)油木杆的拉线不须加装绝缘子,但必须与吊线(包括护杆条、板)严格隔离。城市中人行道上的拉线采纳红白相间的拉线保护管保护.(3)拉撑设备距高比应符合技术规定:拉线距高比为 1,不得小于0.75;撑杆距高比为 0.6,不得小于 0.5.(4)拉线上把的扎固要求采纳另缠法或夹板法,不允许采纳卡固法。其中另缠法的规格见下表.(5)拉线中把的扎固要求采纳另缠法,不得采纳夹固法.拉线中把另缠规格见下表。拉线程式缠扎线经首节间隔末节全长钢线留长7/2.23。0100(330)100600(100)7/2。63.0150(280)100600(100)电杆种类拉线程式缠扎线径(mm)首节长度(mm)间隙(mm)末节长度(mm)留头长度(mm)留头处理木杆1×7/2。23.010030100100用 1.6mm钢线另缠 5 圈扎固1×7/2。63。0150301001001×7/3.03.015030150100水泥杆1×7/2.24。0150301001001×7/2。64。0150301501001×7/3。04。0200301501007/3。03.0150(230)150600(100)2*7/2.24.0150(260)100600(100)2×7/2.64。0150(210)150600(100)2×7/3.04.0200(310)150800(100)(6)拉线地锚深度。 土 质 分类 坑深(m)拉线程式(m) 普通土硬土水田、湿地石质7/2.21.31.21。41.07/2.61。41。31。51。17/3。01。51。41.61.22X7/2.21。61。51.71.32X7/2。61.81.71。91。42X7/3.01.91.82.01.5(7)拉线地锚出土长度应大于 300 mm 小于 650mm,即拉线衬环到地面的位置为大于 300 mm 小于 650mm。(8)出土要求①拉线下把实际出土点与正确出土点之间的偏差不大于 50mm。②拉线地锚不得偏...

1、当您付费下载文档后,您只拥有了使用权限,并不意味着购买了版权,文档只能用于自身使用,不得用于其他商业用途(如 [转卖]进行直接盈利或[编辑后售卖]进行间接盈利)。
2、本站所有内容均由合作方或网友上传,本站不对文档的完整性、权威性及其观点立场正确性做任何保证或承诺!文档内容仅供研究参考,付费前请自行鉴别。
3、如文档内容存在违规,或者侵犯商业秘密、侵犯著作权等,请点击“违规举报”。

碎片内容

光缆线路工程施工规范

您可能关注的文档

确认删除?
VIP
微信客服
  • 扫码咨询
会员Q群
  • 会员专属群点击这里加入QQ群
客服邮箱
回到顶部