电脑桌面
添加小米粒文库到电脑桌面
安装后可以在桌面快捷访问

冲孔混凝土灌注桩施工方案

冲孔混凝土灌注桩施工方案_第1页
1/8
冲孔混凝土灌注桩施工方案_第2页
2/8
冲孔混凝土灌注桩施工方案_第3页
3/8
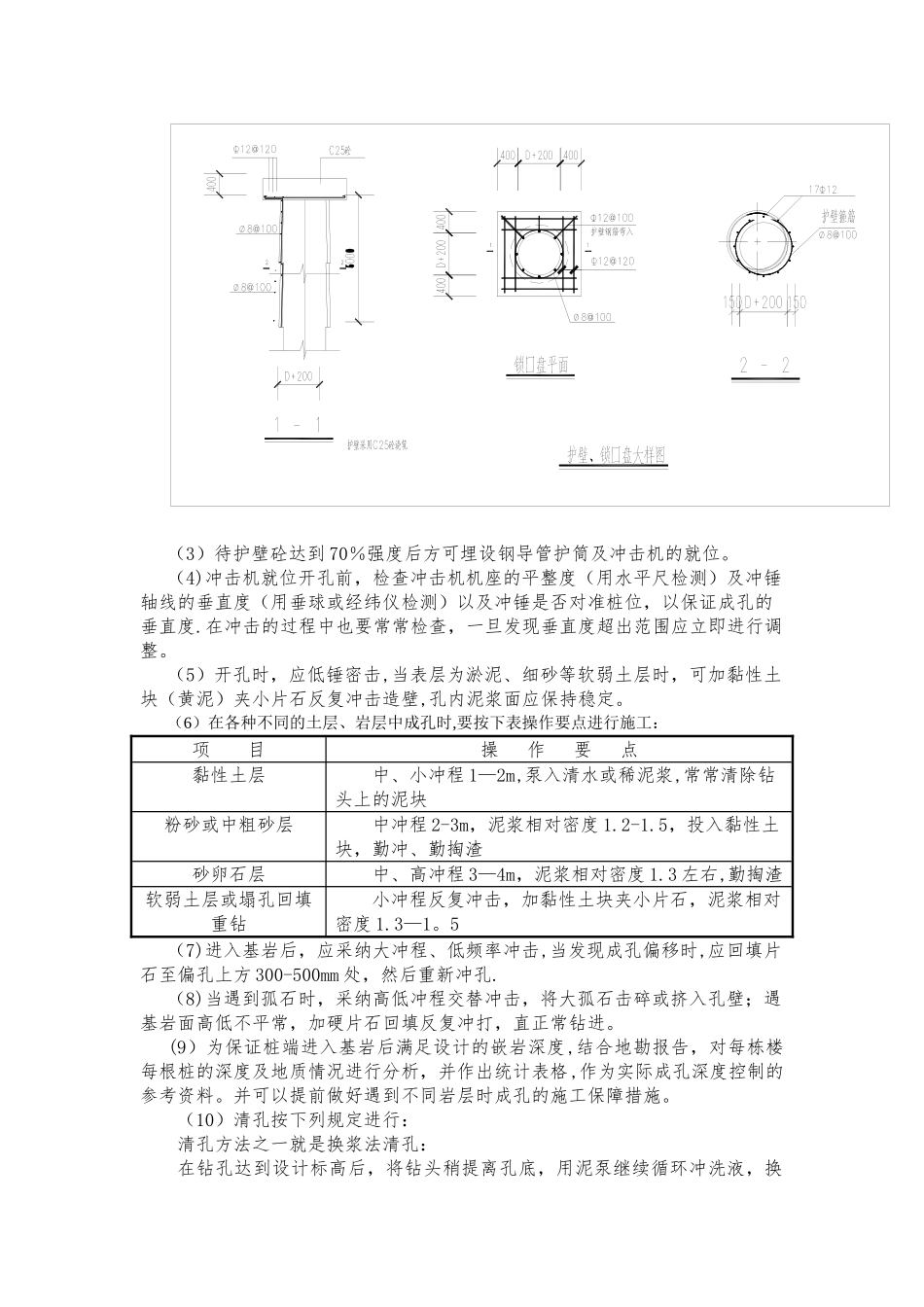
冲孔混凝土灌注桩施工一、施工方法(一)测量放线施工测量包括:平面定位测量、轴线(垂直)测量、标高(水平)测量。根据业主提供的红线图和控制点,用于定位控制及高程标高控制。根据基准点和基准线,测定出本工程定位主控轴线及引桩点并绘图上墙.平面控制:采纳全站仪测出主控制站,并控制轴线定位,然后测量各控制点并布置图。1.因本工程基础施工钻机数量多,产生的泥浆及提出的石渣堆到孔口旁,会将每个桩轴线的引桩覆盖或压偏,给桩孔的定位产生一定的影响,结合本工程的实际情况,桩位采纳极坐标法放样,直接采纳放线办提供的 4 个控制点作为测站,将每栋楼每个桩位中心坐标在室内计算出来报监理、业主审批后安排专人负责实施。测量方法应结合“外控法”实施,先将外边线主控轴线控制点引测到距主轴线外约 2m 处,并作好标记,加以保护,相邻两控制点基线间不应有障碍物阻。(二)施工方法1、桩孔定位:埋设钢护筒:钢护筒壁厚采纳 δ=12mm 的钢板,内径 1.2m,钢护筒长度 1。5—2。5m.在桩位处开挖 2-3m 左右的孔,深度以能完全埋设钢护筒为宜,然后安装钢护筒定位,在钢护筒四周回填粘土并压实。成孔:成孔采纳卷扬机带十字冲锤冲击成孔.冲孔采纳泥浆护壁,根据本工程桩基础的工程地质情况分析,由于砂卵石层透水性好,应作好片石、粘土固孔和保证孔内泥浆高于河流水位或地下水位 1.0~1.5m。冲孔过程中作冲孔记录,并在土层变化处捞取渣样,判明土层,与地质剖面图相应.冲孔过程中,使用长度为直径 4 倍的检孔设备对孔径以及垂直进行检查,以便及时发现问题,予以纠正.成孔质量检测:用伞形检孔器在以倒锤线进行,成孔平面位置偏差不得大于5cm;冲孔直径不得小于设计图示桩的直径;冲孔倾斜度不大于 1%;冲孔内沉淀厚度用沉淀盒检测,必须符合法律规范要求;冲孔深度不得低于设计图示尺寸。安装钢筋笼:桩的钢筋骨架分节制作,每节长度 9m,利用冲孔架上的起吊装置分节接长放入孔内,焊接在井口完成。为保证骨架刚度,加焊十字筋。在钢筋笼四周焊定位筋,以满足钢筋骨架的保护层厚度。钢筋骨架的长度和接头,必须检查,合格后由监理工程师确认.钢筋骨架顶面实行有效的方法进行固定,防止砼浇筑过程中钢筋骨架上浮。灌注水下砼:钢筋笼安装经监理验收合格后即下导管灌注水下砼,导管采纳 φ250 钢导管,并进行水密承压和接头抗拉试验,保证接头良好。灌注砼前,应检测孔底泥浆沉淀厚度,如不符合要求,应再次清孔。灌桩注砼采纳 1.2m3的...

1、当您付费下载文档后,您只拥有了使用权限,并不意味着购买了版权,文档只能用于自身使用,不得用于其他商业用途(如 [转卖]进行直接盈利或[编辑后售卖]进行间接盈利)。
2、本站所有内容均由合作方或网友上传,本站不对文档的完整性、权威性及其观点立场正确性做任何保证或承诺!文档内容仅供研究参考,付费前请自行鉴别。
3、如文档内容存在违规,或者侵犯商业秘密、侵犯著作权等,请点击“违规举报”。

碎片内容

冲孔混凝土灌注桩施工方案

确认删除?
VIP
微信客服
  • 扫码咨询
会员Q群
  • 会员专属群点击这里加入QQ群
客服邮箱
回到顶部