电脑桌面
添加小米粒文库到电脑桌面
安装后可以在桌面快捷访问

冷弯管加工施工方案03563

冷弯管加工施工方案03563_第1页
1/8
冷弯管加工施工方案03563_第2页
2/8
冷弯管加工施工方案03563_第3页
3/8
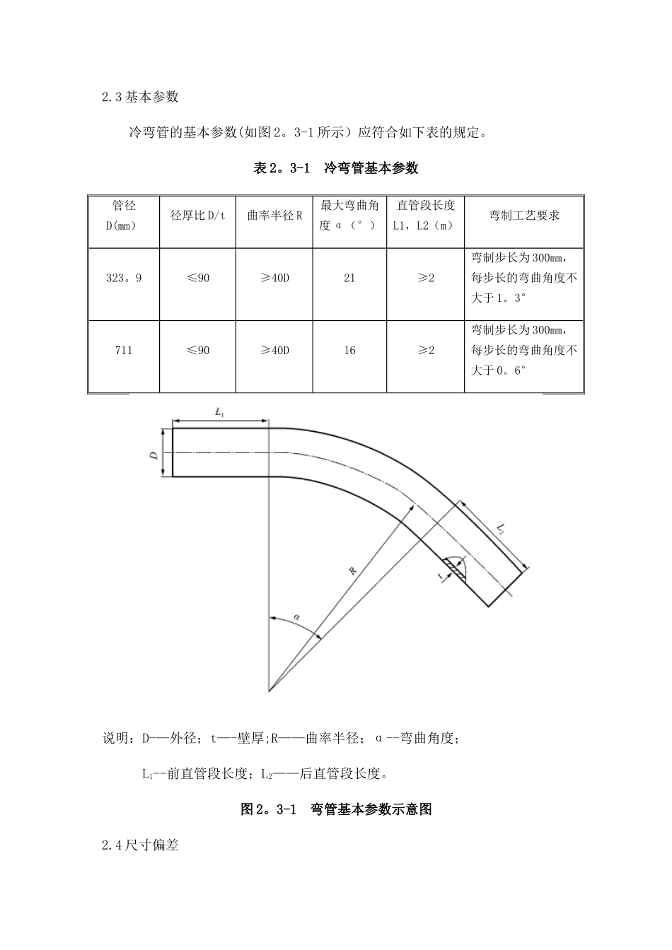
冷弯管加工施工方案1 概述本项目三标段位于四川省江油市境内,自方水乡拱桥沟经九岭镇中和村穿越涪江至龙凤镇鲁班村全长 9。82km,该标段设置 2#阀室、3#阀室两座阀室,为便于施工管理,计划在本标段配置 1 个冷弯管机组,设置在龙凤镇的附近,负责所需主管线和伴行管线冷弯管加工制作。2 冷弯管制作要求和基本参数本标段冷弯管制作严格执行《油气管道工程冷弯管制作技术法律规范》(Q/SY GJX 145—2025)的相关要求.2.1 环境要求2。1.1 在下列任何一种情况下.如无防护措施,不应进行冷弯管制作:2。1。1.1 雨雪天气;2.1。1.2 环境温度低于-15℃;2。1。1。3 风速大于 10m/s;2.1。1.4 管体温度高于 50℃.2.1.2 弯管场地的选址应交通方便、场地开阔,既要利于管子运输,又要保证管子安全,同时弯管工作不对周围居民生活带来影响。2。2 设备和检测仪器要求2。2.1 弯管机性能应满足冷弯管制作工艺参数要求,具有良好的工作状态、准确的数值显示和安全性.2.2。2 胎具、芯轴等配套装置应满足冷弯管规格的要求,并具有良好的工作状态.2。2.3 所用测量工具和仪器应经法定计量部门校验合格,且在有效期内使用.2.3 基本参数冷弯管的基本参数(如图 2。3-1 所示)应符合如下表的规定。表 2。3-1 冷弯管基本参数管径D(mm)径厚比 D/t曲率半径 R最大弯曲角度 α(°)直管段长度L1,L2(m)弯制工艺要求323。9≤90≥40D21≥2弯制步长为 300mm,每步长的弯曲角度不大于 1。3°711≤90≥40D16≥2弯制步长为 300mm,每步长的弯曲角度不大于 0。6°说明:D-—外径;t—-壁厚;R——曲率半径;α--弯曲角度;L1--前直管段长度;L2——后直管段长度。图 2。3-1 弯管基本参数示意图2.4 尺寸偏差2。4。1 冷弯管制作参数应进行试验校核并确定,两端直管段的长度应不小于2.0m,对于 D323 和 D711 来说,R≥40DN,冷弯管弯制过程应连续进行,每次进尺 300mm。为保证弯管曲率均匀,弯管前应对钢管进行分段,分段时从钢管轴向中心点位置对称均匀的向两侧划分.冷弯管分段长度为 300mm,D323 管材每单位分段长度的弯曲角度均匀且不大于 1。3°,D323 管材每单位分段长度的弯曲角度均匀且不大于 0。6°。2。4。2 对于直缝防腐管进行弯管制作时,钢管的纵向焊缝应在弯曲中性平面上,以避开焊缝受压或受拉。钢管的制管焊缝应置于 9 点到 10 点或 2 点到 3 点之间(内弯靠近中性线位置)且至少高于弯管机托管模 5cm,如下图所示。...

1、当您付费下载文档后,您只拥有了使用权限,并不意味着购买了版权,文档只能用于自身使用,不得用于其他商业用途(如 [转卖]进行直接盈利或[编辑后售卖]进行间接盈利)。
2、本站所有内容均由合作方或网友上传,本站不对文档的完整性、权威性及其观点立场正确性做任何保证或承诺!文档内容仅供研究参考,付费前请自行鉴别。
3、如文档内容存在违规,或者侵犯商业秘密、侵犯著作权等,请点击“违规举报”。

碎片内容

冷弯管加工施工方案03563

您可能关注的文档

确认删除?
VIP
微信客服
  • 扫码咨询
会员Q群
  • 会员专属群点击这里加入QQ群
客服邮箱
回到顶部