电脑桌面
添加小米粒文库到电脑桌面
安装后可以在桌面快捷访问

分户验收施工方案121

分户验收施工方案121_第1页
1/18
分户验收施工方案121_第2页
2/18
分户验收施工方案121_第3页
3/18
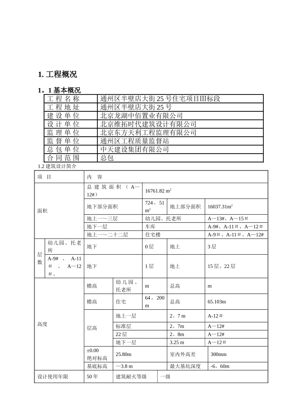
通州区半壁店大街 25 号住宅项目Ⅲ标段分户验收施工方案编制单位: 中天四建通州区半壁店大街 25 号住宅项目Ⅲ标段项目部编 制 人:审 核 人:项目经理:日 期: 2025 年 月 日1。 工程概况..........................................................................................................22. 验收依据.............................................................................................................43、建立组织机构:...............................................................................................54。质量保证措施...................................................................................................65. 分户验收内容...................................................................................................206。 分户验收工具................................................................................................207。 分户验收部位的划分....................................................................................208。 分户验收表格................................................................................................219。 允许偏差........................................................................................................2310。 检测点布置..................................................................................................241. 工程概况 1。1 基本概况 工 程 名 称 通州区半壁店大街 25 号住宅项目Ⅲ标段工 程 地 址 通州区半壁店大街 25 号建 设 单 位 北京龙湖中佰置业有限公司 设 计 单 位 北京维拓时代建筑设计有限公司 监 理 单 位 北京东方天利工程监理有限公司 监 督 单 位 通州区工程质量监督站总 包 单 位 中天建设集团有限公司合 同 范 围 总包 1.2 建筑设计简介项 目内 容面积总 建 筑 面 积 ( A—12#)16761.82 m2地下部分面积724。51m2地上部分面积16037.31m2地上一~三层幼儿园、托老所A—13#、A—15#地下一层车库A-9#、A-11#、A—12#地上一~二十二层住宅楼A-9#、A-11#、A—12#层数幼儿园、托老所地下0 层地上3 层A-9# 、 A-11#、A—12#、地下1 ...

1、当您付费下载文档后,您只拥有了使用权限,并不意味着购买了版权,文档只能用于自身使用,不得用于其他商业用途(如 [转卖]进行直接盈利或[编辑后售卖]进行间接盈利)。
2、本站所有内容均由合作方或网友上传,本站不对文档的完整性、权威性及其观点立场正确性做任何保证或承诺!文档内容仅供研究参考,付费前请自行鉴别。
3、如文档内容存在违规,或者侵犯商业秘密、侵犯著作权等,请点击“违规举报”。

碎片内容

分户验收施工方案121

您可能关注的文档

确认删除?
VIP
微信客服
  • 扫码咨询
会员Q群
  • 会员专属群点击这里加入QQ群
客服邮箱
回到顶部