电脑桌面
添加小米粒文库到电脑桌面
安装后可以在桌面快捷访问

加油站设计防火规范

加油站设计防火规范_第1页
1/11
加油站设计防火规范_第2页
2/11
加油站设计防火规范_第3页
3/11
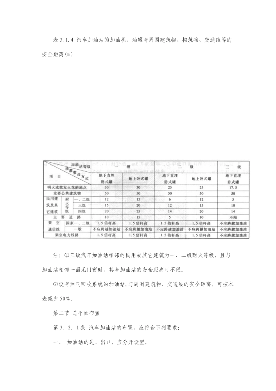
第三章 汽车加油站 第一节 加油站的分级及站址选择 第 3。1。1 条 汽车加油站的等级划分,应符合表 3。1。1 的规定. 表 3。1.1 加油站的等级划分 注:① 本表油罐总容量系指汽油储量。当兼营柴油时,汽油、柴油的储量,可按 1∶2 的比例折算。 ②城市市区内不宜建设一级加油站,且宜采纳直埋地下卧式油罐。 第 3。1。2 条 汽车加油站的站址选择,应符合城镇规划、环境保护和防火安全的要求,并应选在交通便利的地方.城市市区的汽车加油站,应靠近城市交通干道或设在出入方便的次要干道上.郊区汽车加油站,应靠近公路或设在靠近市区的交通出入口附近。企业附属汽车加油站由企业统一规划,宜靠近车库或车辆进出口。 第 3。1.3 条 当汽车加油站选在城市市区的交叉路口附近时,不应影响交叉路口的通行能力。 第 3。1.4 条 汽车加油站的加油机、油罐与周围建筑物、构筑物、交通线等的安全距离,不应小于表 3。1.4 的规定。 表 3.1.4 汽车加油站的加油机、油罐与周围建筑物、构筑物、交通线等的安全距离(m) 注:①三级汽车加油站相邻的民用或其它建筑为一、二级耐火等级,且与加油站相邻一面无门窗时,其与加油站的安全距离可不限。 ②设有油气回收系统的加油站,与周围建筑物、交通线的安全距离,可按本表减少 50%。 第二节 总平面布置 第 3。2。1 条 汽车加油站的布置,应符合下列要求: 一、 加油站的进、出口,应分开设置。 二、 加油站进、出口道路的坡度,不得大于 6%。 三、 当油泵房、消防器材间与站房合建时,应单独设门,且应向外开启。 第 3.2.2 条 汽车加油站内的各主要建筑物、构筑物之间的安全距离,不应小于表 3。2.2 的规定. 表 3。2.2 汽车加油站内的各建筑物、构筑物之间的安全距离(m) 注:①站房包括:营业室、值班休息室、卫生间、储藏间等。 ②其它建筑物、构筑物系指根据需要设置的汽车洗车房、加润滑油间和零售油品间等。 ③直埋地下卧式油罐与站房无门窗的实体墙一侧的安全距离,可不限。 ④加油机或油泵房与非实体围墙的安全距离不得小于 5m,与实体围墙的安全距离可不限. 第 3。2.3 条 站房与独立锅炉房的安全距离,不应小于 5m。 第 3.2。4 条 加油站的停车场及道路设计,应符合下列要求: 一、 停车场内单车道宽度不应小于 3。5m,双车道宽度不应小于 6.5m。 二、 停车场地坪及道路路面,不得采纳沥青路面。 第 3。2.5 条 一、二级加油站与建...

1、当您付费下载文档后,您只拥有了使用权限,并不意味着购买了版权,文档只能用于自身使用,不得用于其他商业用途(如 [转卖]进行直接盈利或[编辑后售卖]进行间接盈利)。
2、本站所有内容均由合作方或网友上传,本站不对文档的完整性、权威性及其观点立场正确性做任何保证或承诺!文档内容仅供研究参考,付费前请自行鉴别。
3、如文档内容存在违规,或者侵犯商业秘密、侵犯著作权等,请点击“违规举报”。

碎片内容

加油站设计防火规范

您可能关注的文档

确认删除?
VIP
微信客服
  • 扫码咨询
会员Q群
  • 会员专属群点击这里加入QQ群
客服邮箱
回到顶部