电脑桌面
添加小米粒文库到电脑桌面
安装后可以在桌面快捷访问

工业企业设计卫生资料TJ36—1979VIP免费

工业企业设计卫生资料TJ36—1979_第1页
1/12
工业企业设计卫生资料TJ36—1979_第2页
2/12
工业企业设计卫生资料TJ36—1979_第3页
3/12
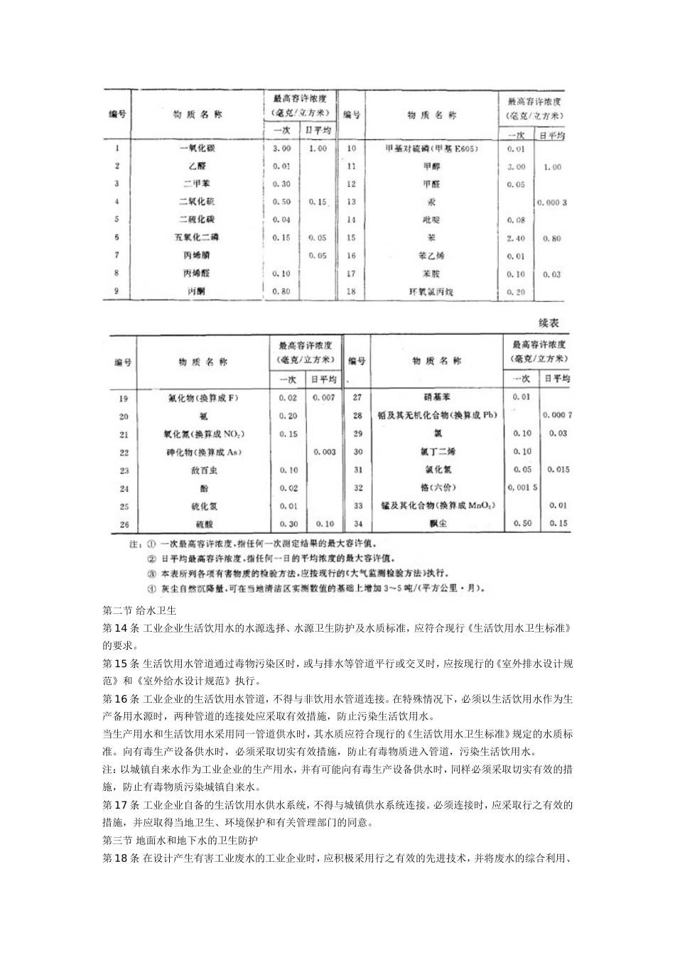
第一章总则第1条为了贯彻执行“预防为主”的卫生工作方针和宪法中有关国家保护环境和自然资源,防治污染和其他公害以及改善劳动条件,加强劳动保护的规定,使工业企业的设计符合卫生要求,保障人民身体健康,促进工农业生产建设的发展,特制订本标准。第2条在设计工业企业时,应坚持自力更生、土洋结合的原则,积极采用行之有效的先进技术,将粉尘、毒物及其他有害因素和“废水、废气、废渣”等,消除在生产过程中,使其少产生或不产生;对于生产过程中尚不能完全消除的部分,亦应采取必要的综合预防、治理措施,使工业企业设计符合本标准的有关规定。工业企业的设计,尚应符合现行的工业“三废”排放等标准的有关规定。第3条新建、改扩建、续建的工业企业,必须把各种有害因素的治理设施与主体工程同时设计、同时施工、同时投产。各主管部门必须会同工业企业所在省、市、自治区建委、卫生、劳动、环境保护等主管部门,合理选择厂址,认真审查设计,做好竣工验收,严格把关。各级卫生主管部门必须发动群众,与有关部门密切协作,认真监督本标准的实行。第4条本标准适用于新建、改扩建、续建的大中型工业企业。对于产生显著毒害的小型工业企业,亦应按本标准的有关规定执行。现有工业企业,有污染危害的,亦应积极采取行之有效的措施,逐步达到本标准的有关规定。注:工业建设项目的大、中、小型划分标准,应按国家现行的规定执行。第二章大气、水源和土壤的卫生防护第一节厂址选择和大气卫生防护第5条工业企业的生产区、居住区、废渣堆放场和废水处理场等用地及生活饮用水水源、工业废水和生活污水排放地点,应同时选择,并应符合当地建设规划的要求。第6条选择厂址时,必须防止因工业废气的扩散、工业废水的排放和工业废渣的堆置污染大气、水源和土壤。第7条产生危害较大的有害气体、烟、雾、粉尘等有害物质以及噪声和振动等的工业企业,不得在居住区内修建。第8条向大气排放有害物质的工业企业,应布置在居住区夏季最小频率风向的上风侧。排放有害工业废水的工业企业,应位于当地生活饮用水水源的下游。第9条在工业区或厂区内布置各种不同性质的工业企业或车间时,应避免互相影响。第10条建筑物的方位,应保证室内有良好的自然采光、自然通风,并应防止过度日晒。建筑物之间的距离,一般不得小于相对两个建筑物中较高建筑物的高度(由地面到屋檐)。第11条产生有害物质的工业企业,在生产区内除值班室外,不得设置其他居住房屋。第12条设计产生有害工业废气的工业企业时,应积极改革工艺流程,使之少产生或不产生废气;对于还必须向外排放的有害废气,应采用行之有效的废气回收、综合利用和净化处理等措施。并根据当地规划和自然条件的特点,使排入大气经扩散稀释后,居住区大气中有害物质的最高容许浓度,不得超过表1的规定。第13条产生有害因素的工业企业与居住区之间,应设置一定的卫生防护距离。卫生防护距离的宽度,应由建设主管部门商同省、市、自治区卫生、环境保护主管部门根据具体情况确定。在卫生防护距离内不得设置经常居住的房屋,并应绿化。居住区大气中有害物质的最高容许浓度表1第二节给水卫生第14条工业企业生活饮用水的水源选择、水源卫生防护及水质标准,应符合现行《生活饮用水卫生标准》的要求。第15条生活饮用水管道通过毒物污染区时,或与排水等管道平行或交叉时,应按现行的《室外排水设计规范》和《室外给水设计规范》执行。第16条工业企业的生活饮用水管道,不得与非饮用水管道连接。在特殊情况下,必须以生活饮用水作为生产备用水源时,两种管道的连接处应采取有效措施,防止污染生活饮用水。当生产用水和生活饮用水采用同一管道供水时,其水质应符合现行的《生活饮用水卫生标准》规定的水质标准。向有毒生产设备供水时,必须采取切实有效措施,防止有毒物质进入管道,污染生活饮用水。注:以城镇自来水作为工业企业的生产用水,并有可能向有毒生产设备供水时,同样必须采取切实有效的措施,防止有毒物质污染城镇自来水。第17条工业企业自备的生活饮用水供水系统,不得与城镇供水系统连接。必须连接时,应采取行之有效的措施,并应取得当地卫生、环境...

1、当您付费下载文档后,您只拥有了使用权限,并不意味着购买了版权,文档只能用于自身使用,不得用于其他商业用途(如 [转卖]进行直接盈利或[编辑后售卖]进行间接盈利)。
2、本站所有内容均由合作方或网友上传,本站不对文档的完整性、权威性及其观点立场正确性做任何保证或承诺!文档内容仅供研究参考,付费前请自行鉴别。
3、如文档内容存在违规,或者侵犯商业秘密、侵犯著作权等,请点击“违规举报”。

碎片内容

工业企业设计卫生资料TJ36—1979

确认删除?
VIP
微信客服
  • 扫码咨询
会员Q群
  • 会员专属群点击这里加入QQ群
客服邮箱
回到顶部