电脑桌面
添加小米粒文库到电脑桌面
安装后可以在桌面快捷访问

不予备案的进口旧机电产品范围-天津出入境检验检疫局--互联VIP免费

不予备案的进口旧机电产品范围-天津出入境检验检疫局--互联_第1页
1/3
不予备案的进口旧机电产品范围-天津出入境检验检疫局--互联_第2页
2/3
不予备案的进口旧机电产品范围-天津出入境检验检疫局--互联_第3页
3/3
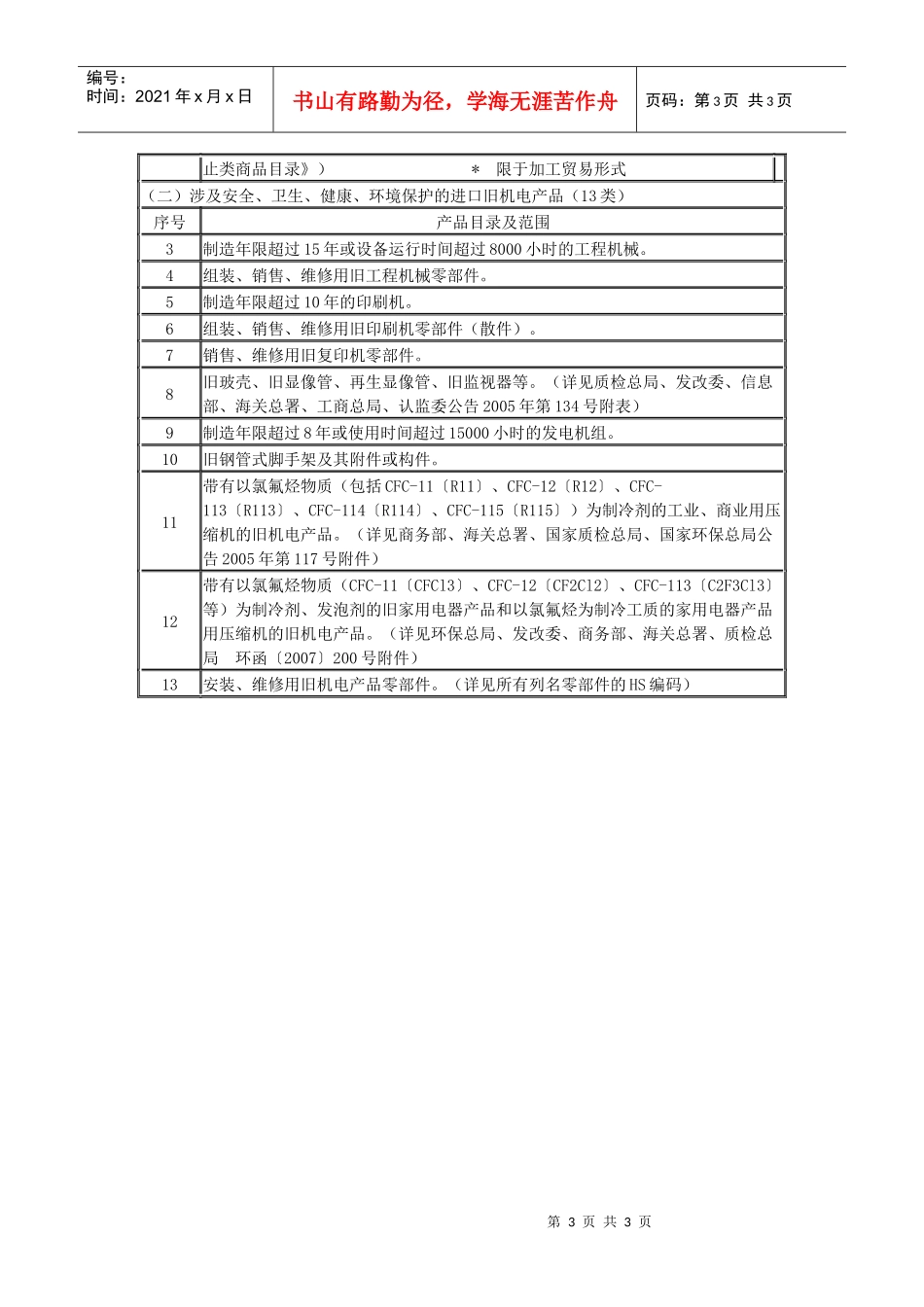
第1页共3页编号:时间:2021年x月x日书山有路勤为径,学海无涯苦作舟页码:第1页共3页不予备案的进口旧机电产品范围(一)国家规定禁止进口的旧机电产品(2类)序号产品目录及范围1国家规定禁止进口的旧机电产品。(详见商务部、海关总署、质检总局相关目录)序号HS编号商品名称173110010装压缩或液化气的钢铁容器273110090其他装压缩或液化气的钢铁容器373211100可使用气体燃料的家用炉灶473218100可使用气体燃料的其他家用器具576130090非零售装装压缩、液化气体铝容器684021110蒸发量在900吨/时及以上的发电用锅炉784021190蒸发量超过45吨/时的其他水管锅炉884021200蒸发量不超过45吨/时的水管锅炉984021900未列名蒸汽锅炉,包括混合式锅炉1084022000过热水锅炉1184031010家用型热水锅炉1284031090其他集中供暖用的热水锅炉1384041010蒸汽锅炉和过热水锅炉的辅助设备1484041020集中供暖用锅炉的辅助设备1584042000水蒸汽或其他蒸汽动力装置的冷凝器1684161000使用液体燃料的炉用燃烧器1784162011使用天然气的炉用燃烧器1884162019使用其他气体燃料的炉用燃烧器1984162090使用粉状固体燃料的炉用燃烧器2084163000机械加煤机及其机械炉篦、机械出灰器等装置2184171000矿砂或金属的焙烧、熔化等热处理用炉及烘箱2284178010炼焦炉2384178020放射性废物焚烧炉2484178090未列名非电热的工业或实验室用炉及烘箱2585209000未列名磁带录音机及其他声音录制设备2685219090未列名视频信号录制或重放设备2790181100心电图记录仪2890181210B型超声波诊断仪2990181291彩色超声波诊断仪第2页共3页第1页共3页编号:时间:2021年x月x日书山有路勤为径,学海无涯苦作舟页码:第2页共3页3090181299未列名超声波扫描装置3190181300核磁共振成像装置3290181400闪烁摄影装置3390181930病员监护仪3490181990未列名电气诊断装置3590182000紫外线及红外线装置3690183100注射器,不论是否装有针头3790183210管状金属针头3890183220缝合用针3990183900其他针、导管、插管及类似品4090184100牙钻机,可与其他牙科设备组装在同一底座上4190184910装有牙科设备的牙科用椅4290184990牙科用未列名仪器及器具4390185000眼科用其他仪器及器具4490189010听诊器4590189020血压测量仪器及器具4690189030内窥镜4790189040肾脏透析设备(人工肾)4890189050透热疗法设备4990189060输血设备5090189070麻醉设备5190189090其他医疗、外科或兽医用仪器及器具5290221200X射线断层检查仪5390221300其他,牙科用X射线应用设备5490221400其他,医疗、外科或兽医用X射线应用设备5590221910低剂量X射线安全检查设备5690221990未列名X射线的应用设备5790222100医用α、β、γ了射线的应用设备5890222900其他α、β、γ射线的应用设备5990223000X射线管6090229010X射线影像增强器6190229090编号9022所列其他设备及零件6295041000电视电子游戏机6395043010投币式电子游戏机6495043090投币式其他游戏用品6595049010其他电子游戏机668407—8408发动机6787章车类2国家规定加工贸易禁止类旧机电产品。(详见商务部、海关总署《加工贸易禁第3页共3页第2页共3页编号:时间:2021年x月x日书山有路勤为径,学海无涯苦作舟页码:第3页共3页止类商品目录》)*限于加工贸易形式(二)涉及安全、卫生、健康、环境保护的进口旧机电产品(13类)序号产品目录及范围3制造年限超过15年或设备运行时间超过8000小时的工程机械。4组装、销售、维修用旧工程机械零部件。5制造年限超过10年的印刷机。6组装、销售、维修用旧印刷机零部件(散件)。7销售、维修用旧复印机零部件。8旧玻壳、旧显像管、再生显像管、旧监视器等。(详见质检总局、发改委、信息部、海关总署、工商总局、认监委公告2005年第134号附表)9制造年限超过8年或使用时间超过15000小时的发电机组。10旧钢管式脚手架及其附件或构件。11带有以氯氟烃物质(包括CFC-11〔R11〕、CFC-12〔R12〕、CFC-113〔R113〕、CFC-114〔R114〕、CFC-115〔R115〕)为制冷剂的工业、商业用压缩机的旧机电产品。(详见商务部、海关总署、国家质检总局、国家环保总局公告2005年第117号附件)12带有以氯氟烃物质(CFC-11〔CFCl3〕、CFC-12〔CF2Cl2〕、CFC-113〔C2F3Cl3〕等)为制冷剂、发泡剂的旧家用电器产品和以氯氟烃为制冷工质的家用电器产品用压缩机的旧机电产品。(详见环保总局、发改委、商务部、海关总署、质检总局环函〔2007〕200号附件)13安装、维修用旧机电产品零部件。(详见所有列名零部件的HS编码)

1、当您付费下载文档后,您只拥有了使用权限,并不意味着购买了版权,文档只能用于自身使用,不得用于其他商业用途(如 [转卖]进行直接盈利或[编辑后售卖]进行间接盈利)。
2、本站所有内容均由合作方或网友上传,本站不对文档的完整性、权威性及其观点立场正确性做任何保证或承诺!文档内容仅供研究参考,付费前请自行鉴别。
3、如文档内容存在违规,或者侵犯商业秘密、侵犯著作权等,请点击“违规举报”。

碎片内容

不予备案的进口旧机电产品范围-天津出入境检验检疫局--互联

中小学文库+ 关注
实名认证
内容提供者

精品资料应用尽有

确认删除?
VIP
微信客服
  • 扫码咨询
会员Q群
  • 会员专属群点击这里加入QQ群
客服邮箱
回到顶部