电脑桌面
添加小米粒文库到电脑桌面
安装后可以在桌面快捷访问

郑州市项目档案整理规范及要求VIP专享VIP免费

郑州市项目档案整理规范及要求_第1页
1/17
郑州市项目档案整理规范及要求_第2页
2/17
郑州市项目档案整理规范及要求_第3页
3/17
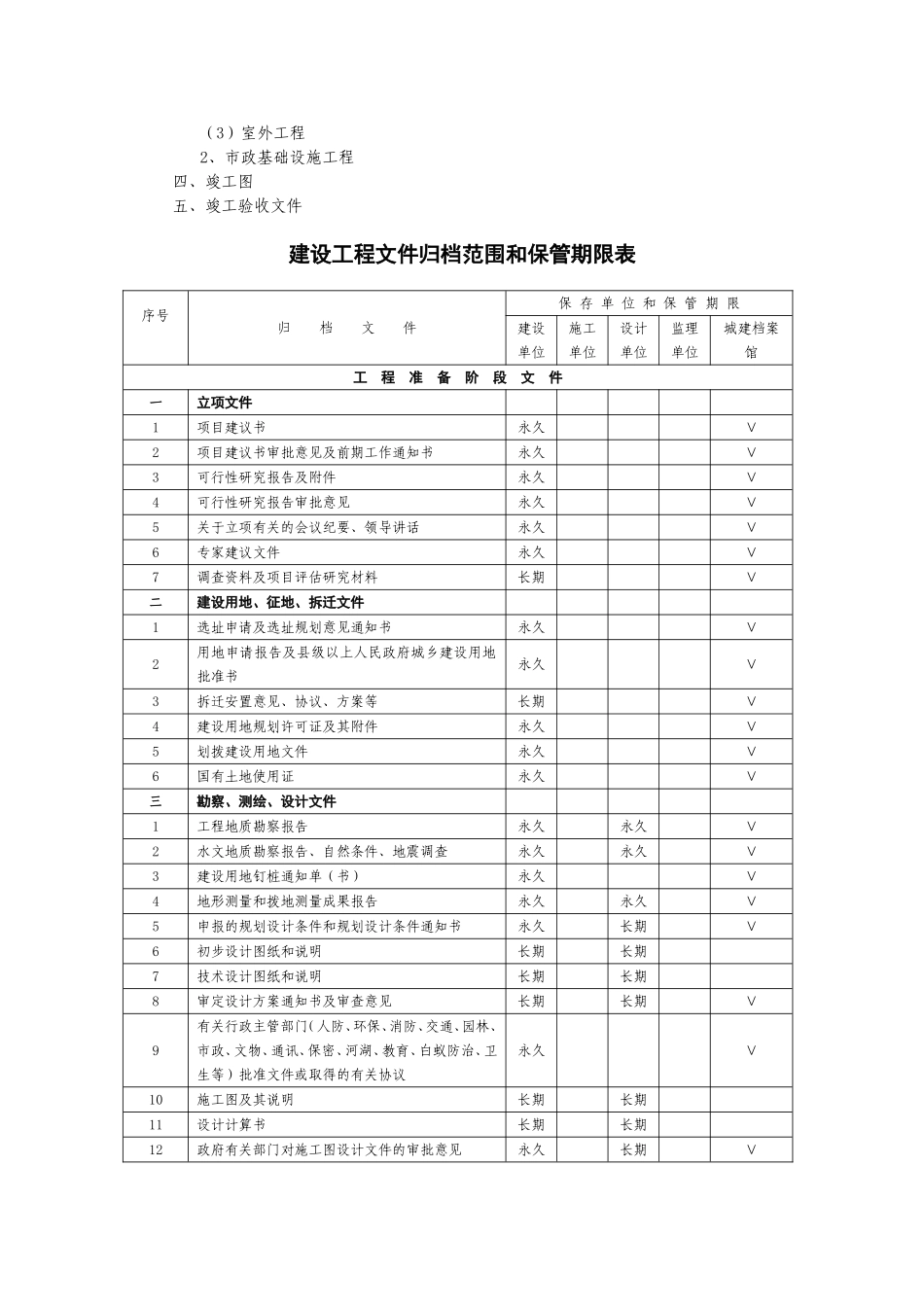
郑州市项目档案整理规范及要求第一部分:总体要求第二部分:建设工程文件归档范围和保管期限表第三部分:项目档案分类第四部分:项目档案整理第一部分:总体要求一、国家、省、市关于重点建设项目档案管理的规定1、郑州市人民政府令第184号:郑州市建设项目竣工验收规定(第五、六、七、十四、十五条)2、专项验收制度:《重大建设项目档案验收办法》3、登记制度:《国家重点建设项目档案管理登记办法》4、通知制度:《关于建立郑州市重点建设项目档案专项验收通知制度的通知》二、参建各方档案工作职责1、工程代建(使用)单位应将监理、勘察、设计、施工等各参建单位的工程文件材料的收集、整理和归档纳入合同管理,对工程档案的范围、套数、质量、费用、移交时间等提出要求,明确各单位应承担的整理、归档责任。2、工程代建(使用)单位要对项目档案工作采取有效措施,制定可行的规章制度,实行领导负责制,确定负责领导、部门及档案工作人员,制定可行的规章制度,对工程档案实行统一管理,对参建各单位档案工作实行有效的监督、指导、检查,确保工程档案工作与工程建设同步进行。3、工程监理单位负责监督、检查工程建设中文件收集、积累和完整、准确、系统情况,审核签认竣工文件并将自身履行监理职责工作中形成的文件材料经收集、整理向代建(使用)单位移交。4、勘察、设计单位应按要求将工程建设中自身形成的档案材料经整理后及时向代建单位移交。5、施工单位形成的档案材料种类多,数量大,应配备专人,对施工各阶段档案材料进行收集,整理,按合同要求将工程档案数量齐备、整理规范,及时向代建(使用)单位移交。6、参建各单位在档案向代建(使用)单位移交前,要配备档案库房、装具以及采取防火、防盗、防有害生物和温湿度等控制措施,保证档案实体和档案信息的安全。三、归档的要求归档:指文件的形成单位完成工作任务后,将形成的文件整理立卷后,按规定向有关单位移交。如:代建单位向市档案馆移交整个项目档案,参建各方向代建单位移交监理、勘察、设施、施工档案。1、归档的文件材料要齐全、完整、准确、系统。齐全:齐全是对整体而言。对工程档案整体而言,齐全是把整个工程项目档案全部收集起来;对工程参建各方来说,齐全即是把各单位在工程建设中形成的全部文件材料收集起来,即把各单位归档范围内的文件材料全部收集起来。完整:完整是对个体而言,把一份文件的正件与附件,印件与底稿等,不缺件,不少页地收集起来。准确:指文件材料是实际情况的真实反映,图物相符,文电一致。系统:是指建设项目从前期(立项、审批、征地、勘察、设计、招投标等)、施工、竣工验收等各时期、各阶段的文件材料按一定程序和内在联系组合为一体。2、归档的文件应为原件。确无原件的要归具有凭证作用的文件材料。3、图纸折叠成A4幅面,图标栏露在外面。4、所有竣工图均应加盖竣工图章,图章使用红印泥,盖在图标栏上的空白处。5、归档载体和书写材料要符合耐久性要求。不能用热敏纸等作归档文件的载体,电子文件要以光盘、移动硬盘为载体;书写材料不能用铅笔、圆珠笔、红墨水、纯蓝墨水、复写纸等,即不使用易褪色的书写材料,否则必须复印。6、档案柜架、卷盒、卷皮、目录等装具符合标准要求,采用市档案行政管理部门监制的产品。四、归档时间1、工程准备阶段文件:即开工前的立项审批、用地征地拆迁、勘察设计、招投标、开工审批、预算等工作完成后,一次性归档(此项由代建单位负责收集整理)。2、竣工文件:工程竣工验收后三个月内由代建单位收集整理。3、设计文件:工作结束后,由设计单位即时向代建单位移交归档。4、施工、监理文件:建设项目竣工验收后三个月内由施工、监理单位一次性向代建单位移交归档。5、设备文件:应在设备安装、调试成功,交付使用时归档。设备开条箱文件即时归档。设备文件由代建单位负责收集、整理。五、归档份数1、基建档案一般不少于3套,一套(原件)由建设单位保管,一套(原件)移交当地城建档案馆,一套(原件)由施工单位或监理单位或设计单位等相关单位保管。2、其他档案一般归档1套,较重要的和利用频繁的文件材料可根据实际情况增...

1、当您付费下载文档后,您只拥有了使用权限,并不意味着购买了版权,文档只能用于自身使用,不得用于其他商业用途(如 [转卖]进行直接盈利或[编辑后售卖]进行间接盈利)。
2、本站所有内容均由合作方或网友上传,本站不对文档的完整性、权威性及其观点立场正确性做任何保证或承诺!文档内容仅供研究参考,付费前请自行鉴别。
3、如文档内容存在违规,或者侵犯商业秘密、侵犯著作权等,请点击“违规举报”。

碎片内容

郑州市项目档案整理规范及要求

确认删除?
VIP
微信客服
  • 扫码咨询
会员Q群
  • 会员专属群点击这里加入QQ群
客服邮箱
回到顶部