电脑桌面
添加小米粒文库到电脑桌面
安装后可以在桌面快捷访问

企业经营者对一季度企业经营状况和VIP免费

企业经营者对一季度企业经营状况和_第1页
1/26
企业经营者对一季度企业经营状况和_第2页
2/26
企业经营者对一季度企业经营状况和_第3页
3/26
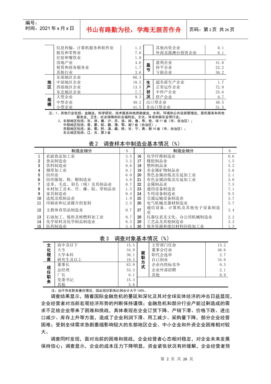
第1页共26页编号:时间:2021年x月x日书山有路勤为径,学海无涯苦作舟页码:第1页共26页企业经营者对一季度企业经营状况和宏观经济形势的判断、评价和建议——2009·千户企业经营状况快速问卷调查报告□中国企业家调查系统2008年以来,受到国内外一系列因素的影响,中国经济的运行状况出现了较大变化,企业发展面临严峻的挑战。为了解今年一季度企业经营状况尤其是企业的生产状况、用工情况、订单情况以及企业面临的困难,企业经营者对宏观形势和调控政策的判断和建议,更好地为政府决策提供科学依据,国务院发展研究中心所属的中国企业家调查系统近期组织实施了“2009·一季度企业经营情况”快速调查。本次调查以企业法人代表为主的企业经营者群体为调查对象,参考我国经济结构,按行业进行分层随机抽样。调查采用邮寄和传真问卷的方式进行,于3月23日发放问卷5,000份,截至4月3日共回收有效问卷1,656份,有效回收率为33.1%。通过部分未填写问卷与填写问卷企业的对比分析,未发现存在系统偏差。为使调查分析更为全面和深入,本报告还采用了中国企业家调查系统以往的调查结果①。本次调查主要涉及制造业、批发和零售业、房地产业、建筑业、电力燃气及水的生产和供应业、交通运输仓储和邮政业、农林牧渔业、采矿业以及信息传输计算机服务和软件业等行业,上述行业的企业所占比重分别为:69.5%、7%、4.6%、4.9%、1.3%、2.2%、1.7%、1.3%和1.2%。从企业的地区分布看,东部地区占60.3%,中部、西部和东北地区分别占18.5%、13.5%和7.7%;从企业规模看,大、中、小型企业分别占9.3%、49.2%和41.5%;从企业经济类型看,国有企业占8.1%,有限责任公司占47.5%,股份有限公司占15.2%,私营企业占14.4%,外商及港澳台投资企业占8.1%,股份合作企业占4.9%,集体企业占1.7%;调查对象的职务为企业董事长或总经理、厂长、党委书记的占94.2%(见表1、2、3)。表1调查样本基本情况(%)行业农林牧渔业1.7经济类型国有企业8.1采矿业1.3集体企业1.7制造业(详见表2)69.5私营企业14.4电力、燃气及水的生产和供应业1.3股份合作企业4.9建筑业4.9股份有限公司15.2交通运输、仓储和邮政业2.2有限责任公司47.5①中国企业家调查系统自1993年成立以来,每年8月至9月进行一次全国范围内4000余位企业经营者参与的年度问卷调查工作,每次调查问题大都保持一致性和连续性,以利于跨年度的比较和分析。因此本文中涉及到的跨年度比较,是指今年一季度调查数据与以往的年度调查数据进行的比较。第2页共26页第1页共26页编号:时间:2021年x月x日书山有路勤为径,学海无涯苦作舟页码:第2页共26页信息传输、计算机服务和软件业1.2其他内资企业0.1批发和零售业7.0外商及港澳台投资企业8.1住宿和餐饮业1.0房地产业4.6盈亏盈利企业41.6租赁和商务服务业1.7持平企业22.2其他行业3.6亏损企业36.2地区东部地区企业60.3中部地区企业18.5生产状况超负荷生产企业1.7西部地区企业13.5正常运作企业72.0东北地区企业7.7半停产企业25.6规模大型企业9.3停产企业0.7中型企业49.2出口型企业48.5小型企业41.5非出口型企业51.5注:1、其他行业包括:金融业,科学研究、技术服务和地质勘查业,水利、环境和公共设施管理业,居民服务和其他服务业,卫生、社会保障和社会福利业,文化、体育和娱乐业等行业;2、东部地区包括:京、津、冀、沪、苏、浙、闽、鲁、粤、桂、琼11省(市、自治区);中部地区包括:晋、蒙、皖、赣、豫、鄂、湘7省(自治区);西部地区包括:渝、蜀、黔、滇、藏、陕、甘、宁、青、新10省(市、自治区);东北地区包括:辽、吉、黑3省表2调查样本中制造业基本情况(%)制造业细分%制造业细分%1农副食品加工业3.516化学纤维制造业0.62食品制造业3.217橡胶制品业1.53饮料制造业0.618塑料制品业5.24烟草加工业0.119非金属矿物制品业5.65纺织业6.020黑色金属冶炼及压延加工业2.16纺织服装、鞋、帽制造业4.821有色金属冶炼及压延加工业3.07皮革、毛皮、羽毛(绒)及其制品业0.722金属制品业7.58木材加工及木、竹、藤、棕、草制品业1.523通用设备制造业7.19家具制造业0.424专用设备制造业9.510造纸及纸制品业1.925交通运输...

1、当您付费下载文档后,您只拥有了使用权限,并不意味着购买了版权,文档只能用于自身使用,不得用于其他商业用途(如 [转卖]进行直接盈利或[编辑后售卖]进行间接盈利)。
2、本站所有内容均由合作方或网友上传,本站不对文档的完整性、权威性及其观点立场正确性做任何保证或承诺!文档内容仅供研究参考,付费前请自行鉴别。
3、如文档内容存在违规,或者侵犯商业秘密、侵犯著作权等,请点击“违规举报”。

碎片内容

企业经营者对一季度企业经营状况和

您可能关注的文档

精品中小学文档+ 关注
实名认证
内容提供者

精品资料,值得下载

确认删除?
VIP
微信客服
  • 扫码咨询
会员Q群
  • 会员专属群点击这里加入QQ群
客服邮箱
回到顶部