电脑桌面
添加小米粒文库到电脑桌面
安装后可以在桌面快捷访问

公路工程危险源台帐VIP免费

公路工程危险源台帐_第1页
1/67
公路工程危险源台帐_第2页
2/67
公路工程危险源台帐_第3页
3/67
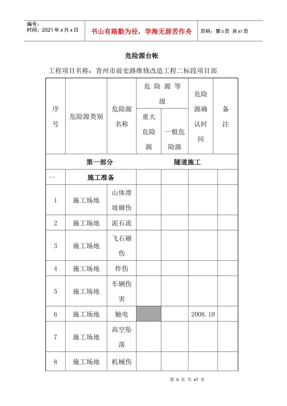
危险源台帐青州市前史路维修改造工程二标段项目部2017年4月第0页共67页编号:时间:2021年x月x日书山有路勤为径,学海无涯苦作舟页码:第0页共67页危险源台帐工程项目名称:青州市前史路维修改造工程二标段项目部序号危险源类别危险源名称危险源等级危险源确认时间备注重大危险源一般危险源第一部分隧道施工一施工准备1施工场地山体滑坡砸伤2施工场地泥石流3施工场地飞石砸伤4施工场地炸伤5施工场地车辆伤害6施工场地触电2008.107施工场地高空坠落8施工场地机械伤第1页共67页第0页共67页编号:时间:2021年x月x日书山有路勤为径,学海无涯苦作舟页码:第1页共67页害9施工场地倒塌砸伤10施工场地摔伤11施工场地火灾12施工场地洪水13测量摔伤14测量中暑15测量放样中毒16测量放样中毒17放样危石砸伤18测量放样车辆撞伤19炸药库爆炸2008.1120炸药运输爆炸2008.1121雷管库爆炸2008.1122炸药、雷管搬运爆炸2008.1123高压水池、生活水池飞石砸伤第2页共67页第1页共67页编号:时间:2021年x月x日书山有路勤为径,学海无涯苦作舟页码:第2页共67页24高压水池、生活水池溺水二隧道施工(一)洞口工程1洞口刷坡山体滑坡砸伤2洞口刷坡洞口坍塌3洞口刷坡飞石砸伤4洞口刷坡洪水5洞口刷坡高空坠落(二)钻爆开挖施工1隧道开挖风水管爆裂2隧道开挖高压风水管伤人3隧道开挖断钎伤人4隧道开挖掌子面坍塌伤人2008.11第3页共67页第2页共67页编号:时间:2021年x月x日书山有路勤为径,学海无涯苦作舟页码:第3页共67页5隧道开挖高空坠落摔伤6隧道开挖瞎炮爆炸2008.10.7隧道开挖吹炮眼石屑伤人8隧道开挖隧道坍塌2008.119隧道开挖冒顶片帮2008.1110隧道开挖突泥涌水2008.1111隧道开挖瓦斯爆炸2008.1112隧道开挖容器爆炸2008.1113隧道开挖高空坠物14隧道开挖岩爆2008.1115隧道开挖触电2008.1116隧道开挖机械伤害2008.1117隧道开挖放炮冲击波伤人18隧道开挖放炮飞石伤人19隧道开挖放炮烟尘第4页共67页第3页共67页编号:时间:2021年x月x日书山有路勤为径,学海无涯苦作舟页码:第4页共67页伤害20隧道开挖噪声21隧道开挖粉尘22装碴运输有害气体23装碴运输危石砸伤24装碴运输噪声25装碴运输机械伤害2008.1126装碴运输触电27装碴运输车辆伤害28装碴运输溜车29装碴运输粉尘(三)初期支护1加工钢筋、超前小导管烫伤2加工钢筋、超前小导管砂轮伤人第5页共67页第4页共67页编号:时间:2021年x月x日书山有路勤为径,学海无涯苦作舟页码:第5页共67页3加工钢筋电弧伤人4加工钢筋、超前小导管、钢筋网有害气体5加工超前小导管、大管棚机械伤害6钢拱架、格栅拱架加工砸伤7格栅拱架加工碰、撞伤人8钢拱架、格栅拱架加工机械伤害9拱架架设倾覆伤人2008.1110拱架架设断钎伤人11拱架架设吹炮眼石屑伤人第6页共67页第5页共67页编号:时间:2021年x月x日书山有路勤为径,学海无涯苦作舟页码:第6页共67页12拱架架设高空坠物13锚杆、小导管钻眼砸伤14锚杆、小导管、大管棚钻眼噪音15安设锚杆腐蚀伤人16安设锚杆砸伤17安设超前小导管、大管棚腐蚀伤人18安设超前小导管、大管棚粉尘19钻设大管棚倾覆伤人20喷射砼碰伤21喷射砼高压风水管爆裂22喷射砼高压风水第7页共67页第6页共67页编号:时间:2021年x月x日书山有路勤为径,学海无涯苦作舟页码:第7页共67页23喷射砼喷浆料伤人24喷射砼摔伤25喷射砼触电2008.1126喷射砼粉尘27喷射砼机械伤害2008.11(三)二次衬砌1模板安装摔伤2模板安装挤伤3模板安装砸伤2009.34模板安装触电2009.35无纺布铺设手持电钻伤人6无纺布铺设粉尘7防水板铺设有害物质8防水板铺设摔伤9防水板铺挤伤第8页共67页第7页共67页编号:时间:2021年x月x日书山有路勤为径,学海无涯苦作舟页码:第8页共67页设10防水板铺设触电2009.311防水板铺设烫伤12砼的生产粉尘13砼的生产噪音污染14砼的生产触电2008.915砼的生产机械伤害2008.916砼的生产车辆伤害17砼的生产摔伤18砼的生产砸伤19模板台车行走砸伤20模板台车行走挤、压伤21砼灌注砸伤22砼灌注机械伤害2008.923砼灌注车辆伤害24砼灌注挤伤25砼灌注触电2008.9第9页共67页第8页共67页编号:时间:2021年x月x日书山有路勤为径,学海无涯苦作舟页码:第9页共67页26砼...

1、当您付费下载文档后,您只拥有了使用权限,并不意味着购买了版权,文档只能用于自身使用,不得用于其他商业用途(如 [转卖]进行直接盈利或[编辑后售卖]进行间接盈利)。
2、本站所有内容均由合作方或网友上传,本站不对文档的完整性、权威性及其观点立场正确性做任何保证或承诺!文档内容仅供研究参考,付费前请自行鉴别。
3、如文档内容存在违规,或者侵犯商业秘密、侵犯著作权等,请点击“违规举报”。

碎片内容

公路工程危险源台帐

您可能关注的文档

确认删除?
VIP
微信客服
  • 扫码咨询
会员Q群
  • 会员专属群点击这里加入QQ群
客服邮箱
回到顶部