电脑桌面
添加小米粒文库到电脑桌面
安装后可以在桌面快捷访问

室外排水管道(双壁波纹管)工程施工及验收技术说明(图文)VIP免费

室外排水管道(双壁波纹管)工程施工及验收技术说明(图文)_第1页
1/10
室外排水管道(双壁波纹管)工程施工及验收技术说明(图文)_第2页
2/10
室外排水管道(双壁波纹管)工程施工及验收技术说明(图文)_第3页
3/10
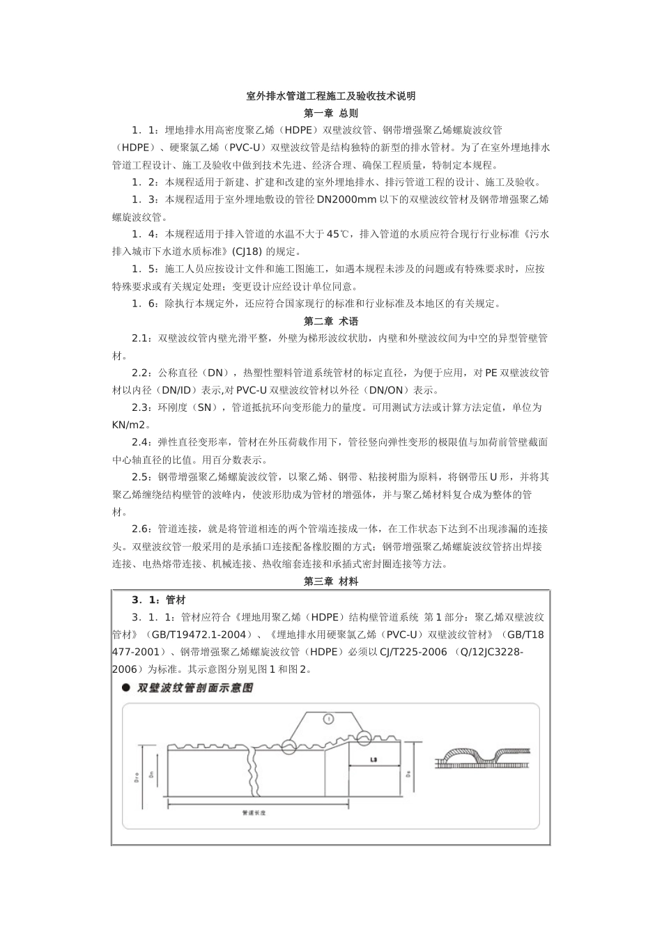
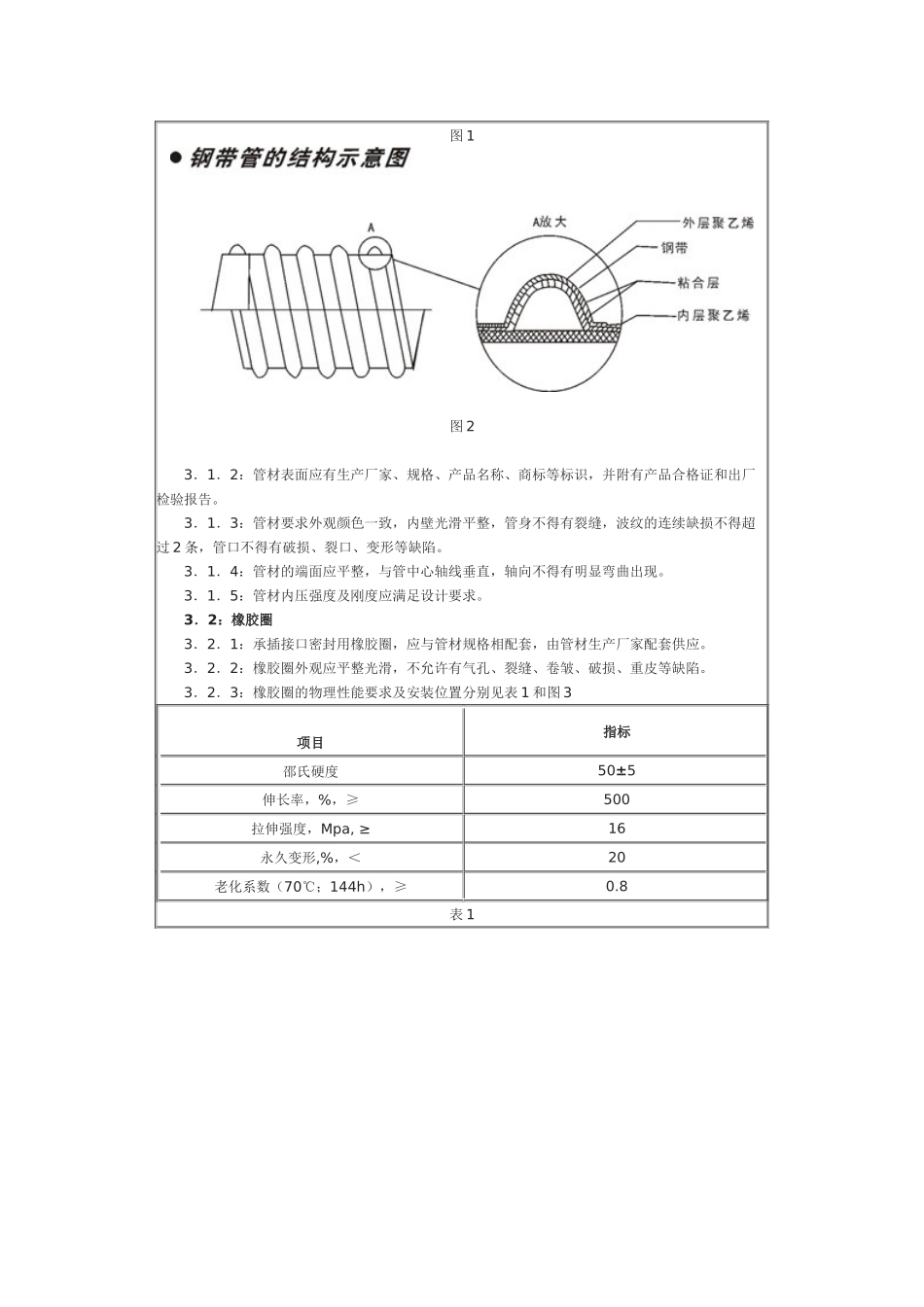
室外排水管道工程施工及验收技术说明第一章总则1.1:埋地排水用高密度聚乙烯(HDPE)双壁波纹管、钢带增强聚乙烯螺旋波纹管(HDPE)、硬聚氯乙烯(PVC-U)双壁波纹管是结构独特的新型的排水管材。为了在室外埋地排水管道工程设计、施工及验收中做到技术先进、经济合理、确保工程质量,特制定本规程。1.2:本规程适用于新建、扩建和改建的室外埋地排水、排污管道工程的设计、施工及验收。1.3:本规程适用于室外埋地敷设的管径DN2000mm以下的双壁波纹管材及钢带增强聚乙烯螺旋波纹管。1.4:本规程适用于排入管道的水温不大于45℃,排入管道的水质应符合现行行业标准《污水排入城市下水道水质标准》(CJ18)的规定。1.5:施工人员应按设计文件和施工图施工,如遇本规程未涉及的问题或有特殊要求时,应按特殊要求或有关规定处理;变更设计应经设计单位同意。1.6:除执行本规定外,还应符合国家现行的标准和行业标准及本地区的有关规定。第二章术语2.1:双壁波纹管内壁光滑平整,外壁为梯形波纹状肋,内壁和外壁波纹间为中空的异型管壁管材。2.2:公称直径(DN),热塑性塑料管道系统管材的标定直径,为便于应用,对PE双壁波纹管材以内径(DN/ID)表示,对PVC-U双壁波纹管材以外径(DN/ON)表示。2.3:环刚度(SN),管道抵抗环向变形能力的量度。可用测试方法或计算方法定值,单位为KN/m2。2.4:弹性直径变形率,管材在外压荷载作用下,管径竖向弹性变形的极限值与加荷前管壁截面中心轴直径的比值。用百分数表示。2.5:钢带增强聚乙烯螺旋波纹管,以聚乙烯、钢带、粘接树脂为原料,将钢带压U形,并将其聚乙烯缠绕结构壁管的波峰内,使波形肋成为管材的增强体,并与聚乙烯材料复合成为整体的管材。2.6:管道连接,就是将管道相连的两个管端连接成一体,在工作状态下达到不出现渗漏的连接头。双壁波纹管一般采用的是承插口连接配备橡胶圈的方式;钢带增强聚乙烯螺旋波纹管挤出焊接连接、电热熔带连接、机械连接、热收缩套连接和承插式密封圈连接等方法。第三章材料3.1:管材3.1.1:管材应符合《埋地用聚乙烯(HDPE)结构壁管道系统第1部分:聚乙烯双壁波纹管材》(GB/T19472.1-2004)、《埋地排水用硬聚氯乙烯(PVC-U)双壁波纹管材》(GB/T18477-2001)、钢带增强聚乙烯螺旋波纹管(HDPE)必须以CJ/T225-2006(Q/12JC3228-2006)为标准。其示意图分别见图1和图2。图1图23.1.2:管材表面应有生产厂家、规格、产品名称、商标等标识,并附有产品合格证和出厂检验报告。3.1.3:管材要求外观颜色一致,内壁光滑平整,管身不得有裂缝,波纹的连续缺损不得超过2条,管口不得有破损、裂口、变形等缺陷。3.1.4:管材的端面应平整,与管中心轴线垂直,轴向不得有明显弯曲出现。3.1.5:管材内压强度及刚度应满足设计要求。3.2:橡胶圈3.2.1:承插接口密封用橡胶圈,应与管材规格相配套,由管材生产厂家配套供应。3.2.2:橡胶圈外观应平整光滑,不允许有气孔、裂缝、卷皱、破损、重皮等缺陷。3.2.3:橡胶圈的物理性能要求及安装位置分别见表1和图3项目指标邵氏硬度50±5伸长率,%,≥500拉伸强度,Mpa,≥16永久变形,%,<20老化系数(70℃;144h),≥0.8表1图3表1:橡胶圈的物理性能3.3:装卸、运输和储存3.3.1:管材在装卸、运输、堆放时,应小心轻抬轻放,禁止抛落拖滚及相互撞击。3.3.2:管材成批运输时,承口、插口应分层交错排放,用缆绳捆扎成整体,并固定牢固、缆绳固定外及管端宜用软质材料妥加保护。3.3.3:管材如长期堆放,应置于棚库内,如露天堆放,必须遮盖防止暴晒,并远离火源(热源),存放环境间温度应不超过60℃。3.3.4:管材存放场地应平整,堆放应整齐,管径DN300mm以下堆5层,管径DN300~DN400mm堆4层,管径DN500~DN600mm堆3层,管径DN800~DN100mm堆2层,并应注明类型、规格及数量。见图4。3.3.5:橡胶圈在运输及保存中,不应使其受挤压,以免变形,且防止日晒及高温直接影响。图4:管材的码垛方法示意图第四章管道敷设双壁波纹管安装施工流程:开槽——下管——连接——闭水——回填(执行CECS164:2004和CECS122:2001技术规程)钢带增强聚...

1、当您付费下载文档后,您只拥有了使用权限,并不意味着购买了版权,文档只能用于自身使用,不得用于其他商业用途(如 [转卖]进行直接盈利或[编辑后售卖]进行间接盈利)。
2、本站所有内容均由合作方或网友上传,本站不对文档的完整性、权威性及其观点立场正确性做任何保证或承诺!文档内容仅供研究参考,付费前请自行鉴别。
3、如文档内容存在违规,或者侵犯商业秘密、侵犯著作权等,请点击“违规举报”。

碎片内容

室外排水管道(双壁波纹管)工程施工及验收技术说明(图文)

确认删除?
VIP
微信客服
  • 扫码咨询
会员Q群
  • 会员专属群点击这里加入QQ群
客服邮箱
回到顶部