电脑桌面
添加小米粒文库到电脑桌面
安装后可以在桌面快捷访问

发电工程空冷部分(正文)VIP免费

发电工程空冷部分(正文)_第1页
1/36
发电工程空冷部分(正文)_第2页
2/36
发电工程空冷部分(正文)_第3页
3/36
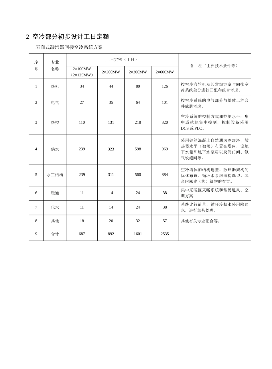
说明1.1原电力工业部电力规划设计总院1997年颁发的《电力设计生产工时定额》执行以来,由于电力工程新技术的广泛应用、设计深度、内容和手段上发生了很大的变化,增加了许多新的内容,为了指导设计单位的生产经营管理,特组织有关电力设计单位对原定额进行了修(新)编。1.2本次发电工程定额修(新)编的内容有:25MW、50MW供热机组部分;100MW凝汽机组部分;100MW供热机组部分;200MW凝汽机组部分;200MW供热机组部分;300MW凝汽机组部分;600MW凝汽机组部分;900MW凝汽机组部分;脱硫系统工程部分;空冷系统工程部分(直冷系统待出版);核电工程部分(待出版);燃气轮机组部分(待出版)。1.2.1本册定额适用于国产空冷机组采用表面式凝汽器间接空冷部分。1.3设计工作要严格执行国家规定的基本建设程序,设计的内容深度应符合国家及行业的现行有关规定。1.4本定额是按一般独立担任分册设计人员的技术水平编制的。1.5设计中采用新技术、新设备、新工艺、新材料在定额外另行增加工日,当采用非标准设备设计和制作图时,按其工作量,另行增加工日。1.6本定额工日含初步设计、施工图设计及其工程设计管理,即:直接工日、辅助工日和备用工日。直接工日是指设计专业组内生产人员用于计算、设计及制图、编写说明、校核及修改、互提资料、会签及联系配合等需用的全部工日。辅助工日是指设计阶段正式开始前进行的准备工作、工程设计管理以及结束后资料整理归档需用的全部工日。其工作内容包括:提勘测任务书、验收勘测成品、签订有关设备的技术协议、外委设计的协调配合、编写设计计划大纲等准备工作;工程设计质量检查、设计技术交底、解决施工中设计技术问题,参加试车考核和竣工验收等服务、设计回访、工程总结及专业资料整理归档等。备用工日是为工程设计中一些不可预见的工作量而设置的。1.7凡国家计委、建设部计价格[2002]10号文《工程勘察设计收费标准》中未包括的项目本定额中不包括。1.8本定额是以常见方案的技术条件为基础编制的,在表中标“*”者为非常见方案,“()”者为第二方案。1.9遇到非常见方案或特殊自然条件,相关专业工日可适当调整。第一部分空冷部分初步设计工日定额1空冷部分初步设计工日定额说明1.1本定额按照新建或扩建国产空冷机组采用表面式凝汽器间接空冷或直接空冷(待出版)两种冷却系统方案进行编制。1.2本定额系根据国家的技术政策、现行的设计技术规程和原电力规划设计管理局《火力发电厂初步设计文件内容深度规定》DLGJ9-92的要求编制。1.3本定额是按专业划分,工作内容包括初步设计的准备工作、设计评审、编制文件、审校核、送印、归档、一次性审查修改等,但不包括设备规范书、招标书的编制,参加设备招标和重大专题研究等工作。1.4本定额是按能独立担任初步设计工作人员的技术水平编制的。1.5本定额系按照执行基本建设规定程序编制的,初步设计开始前应具备国家下达的项目建议书和正式审批的可行性研究文件。初步设计确定方案前,应具备国家正式批准的可行性研究报告,经过审定的电力系统设计文件,取得机电炉及主要附属设备厂家资料,与外部有关的协议落实,并有完整的勘测资料。1.6本定额是按新建或扩建两台机组设计考虑。如一期安装一台机组,定额工日乘0.85系数;一期安装3~4台同类型机组,定额工日乘1.2~1.3系数。1.7本定额只列出了与空冷系统直接相关部分的定额工日,其余与常规湿冷机组相同的部分以及技经部分不包括在内。2空冷部分初步设计工日定额表面式凝汽器间接空冷系统方案序号专业名称工日定额(工日)备注(主要技术条件等)2×100MW(2×125MW)2×200MW2×300MW2×600MW1热机344480126按空冷汽轮机及其常规方案与间接空冷系统部分进行匹配和组合考虑。2电气273564101按空冷系统的电气部分与整体工程合并成册考虑。3热控110131218320空冷系统的控制方式和控制水平:集中或就地集中控制,控制设备采用DCS或PLC。4供水239323598969采用钢筋混凝土自然通风冷却塔,散热器水平(微倾)布置在塔内,设地下水箱和地下水泵房以及阀门间、氮气设施间等。5水工结构239311560884空冷塔体的结构选型、散热器架构的优化布置、循环水泵房结...

1、当您付费下载文档后,您只拥有了使用权限,并不意味着购买了版权,文档只能用于自身使用,不得用于其他商业用途(如 [转卖]进行直接盈利或[编辑后售卖]进行间接盈利)。
2、本站所有内容均由合作方或网友上传,本站不对文档的完整性、权威性及其观点立场正确性做任何保证或承诺!文档内容仅供研究参考,付费前请自行鉴别。
3、如文档内容存在违规,或者侵犯商业秘密、侵犯著作权等,请点击“违规举报”。

碎片内容

发电工程空冷部分(正文)

墨香书阁+ 关注
实名认证
内容提供者

热爱教学事业,对互联网知识分享很感兴趣

相关文档

确认删除?
VIP
微信客服
  • 扫码咨询
会员Q群
  • 会员专属群点击这里加入QQ群
客服邮箱
回到顶部