电脑桌面
添加小米粒文库到电脑桌面
安装后可以在桌面快捷访问

啤酒企业物资统计职务说明书VIP免费

啤酒企业物资统计职务说明书_第1页
1/4
啤酒企业物资统计职务说明书_第2页
2/4
啤酒企业物资统计职务说明书_第3页
3/4
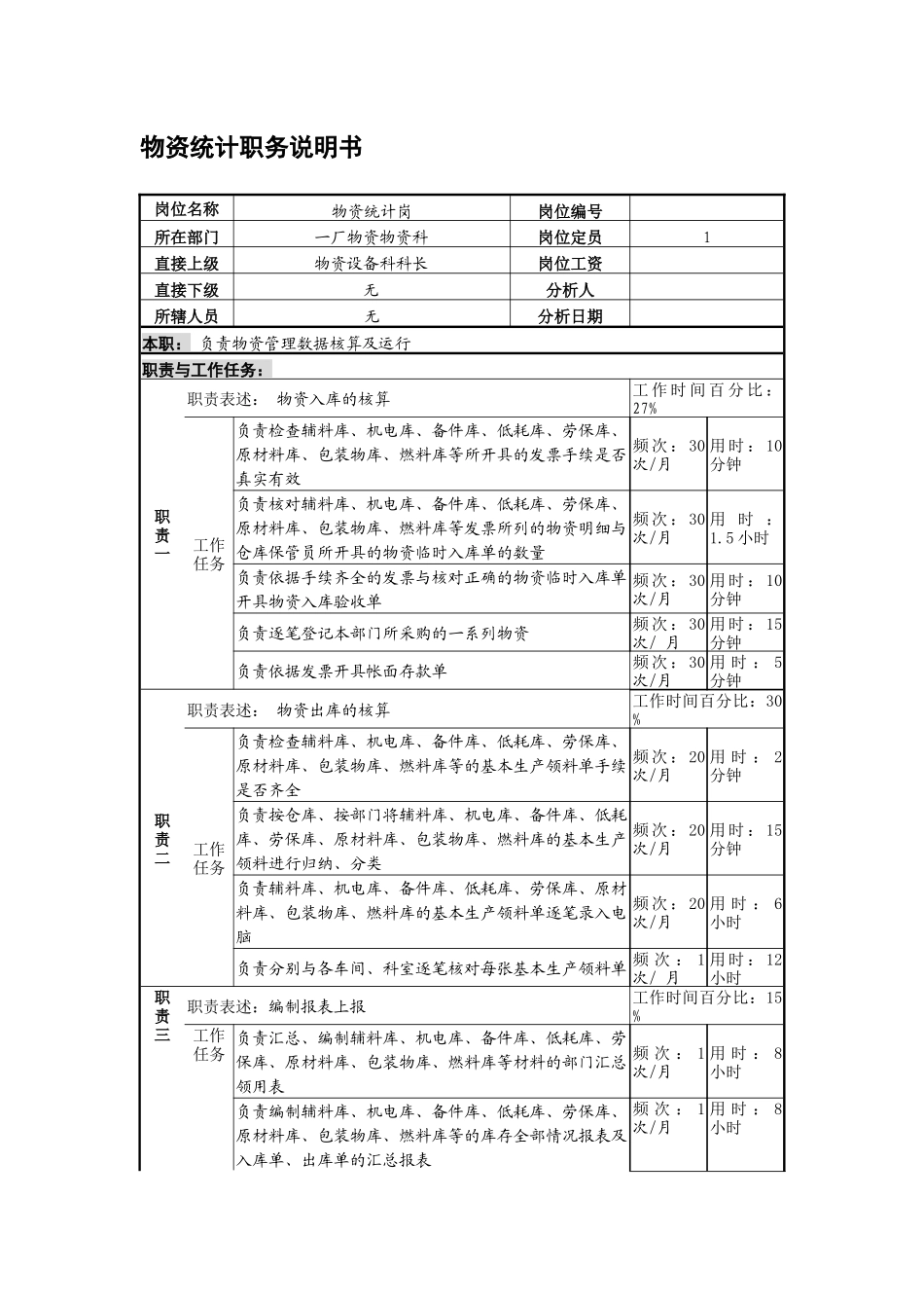
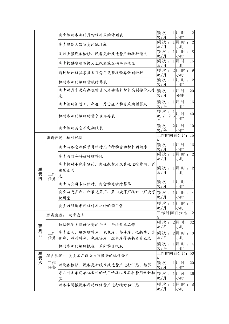
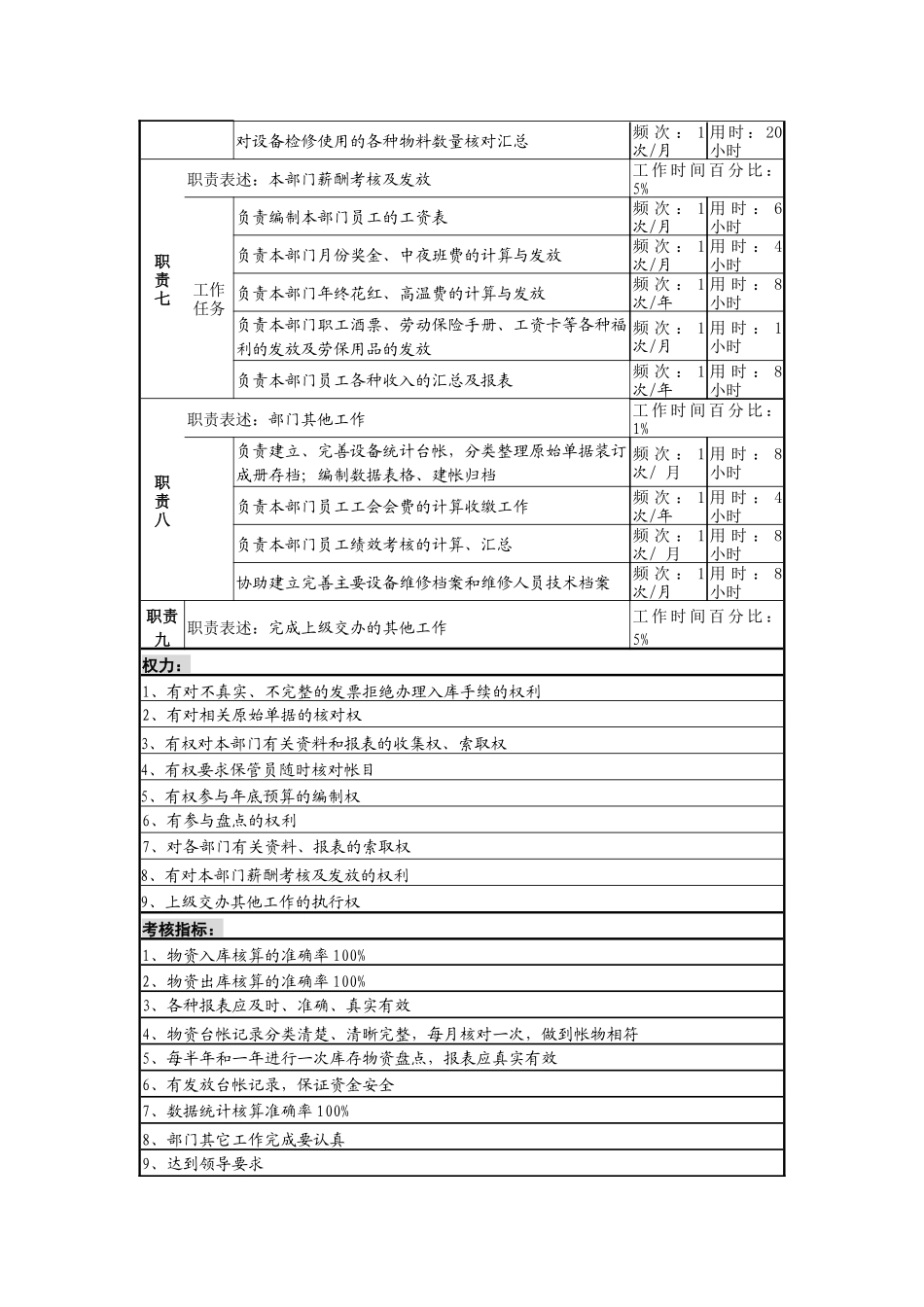
物资统计职务说明书岗位名称物资统计岗岗位编号所在部门一厂物资物资科岗位定员1直接上级物资设备科科长岗位工资直接下级无分析人所辖人员无分析日期本职:负责物资管理数据核算及运行职责与工作任务:职责一职责表述:物资入库的核算工作时间百分比:27%工作任务负责检查辅料库、机电库、备件库、低耗库、劳保库、原材料库、包装物库、燃料库等所开具的发票手续是否真实有效频次:30次/月用时:10分钟负责核对辅料库、机电库、备件库、低耗库、劳保库、原材料库、包装物库、燃料库等发票所列的物资明细与仓库保管员所开具的物资临时入库单的数量频次:30次/月用时:1.5小时负责依据手续齐全的发票与核对正确的物资临时入库单开具物资入库验收单频次:30次/月用时:10分钟负责逐笔登记本部门所采购的一系列物资频次:30次/月用时:15分钟负责依据发票开具帐面存款单频次:30次/月用时:5分钟职责二职责表述:物资出库的核算工作时间百分比:30%工作任务负责检查辅料库、机电库、备件库、低耗库、劳保库、原材料库、包装物库、燃料库等的基本生产领料单手续是否齐全频次:20次/月用时:2分钟负责按仓库、按部门将辅料库、机电库、备件库、低耗库、劳保库、原材料库、包装物库、燃料库的基本生产领料进行归纳、分类频次:20次/月用时:15分钟负责辅料库、机电库、备件库、低耗库、劳保库、原材料库、包装物库、燃料库的基本生产领料单逐笔录入电脑频次:20次/月用时:6小时负责分别与各车间、科室逐笔核对每张基本生产领料单频次:1次/月用时:12小时职责三职责表述:编制报表上报工作时间百分比:15%工作任务负责汇总、编制辅料库、机电库、备件库、低耗库、劳保库、原材料库、包装物库、燃料库等材料的部门汇总领用表频次:1次/月用时:8小时负责编制辅料库、机电库、备件库、低耗库、劳保库、原材料库、包装物库、燃料库等的库存全部情况报表及入库单、出库单的汇总报表频次:1次/月用时:8小时负责编制本部门月份辅料采购计划表频次:1次/月用时:2小时负责编制大宗物资的统计表频次:1次/月用时:2小时及时上报设备检修、设备更新改造费用的执行情况频次:1次/月用时:8小时负责提供准确数据为上级决策提供事实依据频次:1次/月用时:16小时通过统计核算掌握各项费用是否按预算计划进行频次:2次/月用时:9小时协助本部门编制贷款结算表频次:1次/月用时:2小时负责对月末没有办理物资入库的辅料材料编制估价入帐表频次:1次/月用时:20分钟负责编制汇总工厂年度、月份生产物资采购预算表频次:1次/年用时:16小时协助本部门编制物资合理库存表频次:1次/2-3年用时:40小时负责编制其它不定期报表频次:2次/年用时:10小时职责四职责表述:核对账目工作时间百分比:15%工作任务负责与各仓库保管员核对几千种物资的材料明细账频次:1次/月用时:16小时负责与财务科核对辅料帐频次:1次/月用时:2小时负责核对承包车辆的厂内运瓶费用及其他运输费用,并编制汇总表频次:1次/月用时:2小时负责与公司车队核对厂内货物运输结算单频次:1次/月用时:1小时负责与麦多利、初家麦芽厂、莱山麦芽厂核对一厂麦芽使用量频次:1次/月用时:4小时负责与酿造车间核对原材料的领用量频次:1次/月用时:1小时职责五职责表述:物资盘点工作时间百分比:2%工作任务协助保管员搞好物资的年中、年终盘点工作频次:2次/年用时:32小时负责汇总、编制辅料库、机电库、备件库、低耗库、劳保库、原材料库、包装物库、燃料库等的物资盘点表频次:2次/年用时:8小时协助本部门编制报废、呆滞物资报表频次:1次/年用时:4小时职责六职责表述:负责工厂设备各项数据的统计分析工作时间百分比:50%工作任务对设备检修、设备更新技术改造费用进行汇总、核算频次:1次/月用时:20小时每月对各车间单机备件的使用情况以及单机费用统计核算频次:1次/月用时:36小时对各车间报设备科的维修费用进行核对和汇总频次:1次/月用时:8小时对设备检修使用的各种物料数量核对汇总频次:1次/月用时:20小时职责七职责表述:本部门薪酬考核及发放工作时间百分比:5%工作任务负责编制本部门员工的工资表频次:1次/月用时:6...

1、当您付费下载文档后,您只拥有了使用权限,并不意味着购买了版权,文档只能用于自身使用,不得用于其他商业用途(如 [转卖]进行直接盈利或[编辑后售卖]进行间接盈利)。
2、本站所有内容均由合作方或网友上传,本站不对文档的完整性、权威性及其观点立场正确性做任何保证或承诺!文档内容仅供研究参考,付费前请自行鉴别。
3、如文档内容存在违规,或者侵犯商业秘密、侵犯著作权等,请点击“违规举报”。

碎片内容

啤酒企业物资统计职务说明书

您可能关注的文档

确认删除?
VIP
微信客服
  • 扫码咨询
会员Q群
  • 会员专属群点击这里加入QQ群
客服邮箱
回到顶部