电脑桌面
添加小米粒文库到电脑桌面
安装后可以在桌面快捷访问

常用USB转串口芯片介绍VIP免费

常用USB转串口芯片介绍_第1页
1/7
常用USB转串口芯片介绍_第2页
2/7
常用USB转串口芯片介绍_第3页
3/7
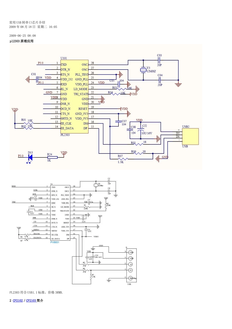
常用USB转串口芯片介绍2009年08月18日星期二16:052009-06-2508:08pl2303原理应用PL2303符合USB1.1标准,价格3RMB.2CP2102/CP2103简介SiliconLaboratories公司推出的USB接口与RS232接口转换器CP2102/CP2103是一款高度集成的USB-UART桥接器,提供一个使用最小化元件和PCB空间来实现RS232转换USB的简便解决方案。如图1所示,CP2102/CP2103包含了一个USB功能控制器、USB收发器、振荡器和带有全部调制解调器控制信号的异步串行数据总线(UART),采用5mm×5mmMLP-28的封装。CP2102/CP2103作为USB/RS232双向转换器,一方面可以从丰机接收USB数据并将其转换为RS232信息流格式发送给外设;另一方面可从RS232外设接收数据转换为USB数据格式传送至主机,其中包括控制和握手信号。2.1USB功能控制器和收发器2.2异步串行数据总线(UART)接口CP2102/CP2103UART接口包括TX(发送)和RX(接收)数据信号以及RTS、CTS、DSR、DTR、DCD和RI控制信号。UART支持RTS/CTS、DSR/DTR和X-On/X-Off握手。通过编程设置UART,支持各种数据格式和波特率。在PC机的COM端口编程设置UART的数据格式和波特率。表1为其数据格式和波特率。2.3内部EEPROMCP2102/CP2103内部集成有1个EEPROM,用于存储由设备制造商定义的USB供应商ID、产品ID、产品说明、电源参数、器件版本号和器件序列号等信息。USB配置数据的定义是可选的。如果EEPROM没有被OEM的数据占用,则采用表1所示的默认配置数据。注意,对于可能使用多个基于CP2102/CP2103连接到同一PC机的OEM应用来说,则需要专用的序列号。内部EEPROM是通过USB编程设置的,允许OEM的USB配置数据和序列号可以在出厂和测试时直接写入系统板上的CP2102/CP2103。Cygnal提供了一个专门为CP2102/CP2103的内部EEP-ROM编程设置工具,同时还提供免费的驱动WindowsDLL格式的程序库。这个程序库可将。EEP-ROM编程步骤集成到OEM在制造中进行流水线式测试和序列号的管理的自定义软件中。EEP-ROM的写寿命的典型值为100000次,数据保持时间为100年。为了防止更改USB描述符,应将其锁定。2.4其他功能CP2103除上述功能外也可实现RS485接口与USB接口转换功能,CP2103支持4个可按照控制信息定义的GPIO引脚。3典型应用电路3.1硬件电路设计原设备的RS232接口仅用TXD/RXD2个引脚信号和地3条线。单片机8031与RS232接口间的电平驱动采用Maxim公司的MAX202CPE,而采用光电耦合器6N137实现隔离。采用CP2102改造的接口应用电路如图2所示。该电路已通过制板和软硬件调试,完全可靠。串口扩展,仪需2~3只外部去耦电容器,REGIN端需加0.1μF与1.0μF并联的去耦电容。CP2102的供电电源由计算机的USB接口提供,再连接3只保护管以便于使用。该电路仅使用CP2102的UART总线上TXD/RXD2个引脚,其余悬空。单片机可直接识别CP2102的UART总线上信号,为确保数据收发的稳定性,避免通信过程产生干扰,采用光电耦合器隔离,并将RST采用一只4.7kΩ电阻上拉至VDD。当CP2102转换器与主机连接后,必须根据操作系统选择相对应的虚拟串行口驱动程序。不必修改设备的应用程序,就像存取一个标准的物理串口一样访问该虚拟串口,端口设备会产生“CP2102USBtoUARTBridgeController(COM×)”的新端口(×随计算机的配置而异),此时说明驱动程序安装成功。实质上,所有针对虚拟串口的数据通信都足以USB总线传输实现的,但在设备上,收发则是RS232数据。3.2软件设计计算机采用C语言的通讯控制函数,按串行口方式设置,以实现接口通讯软件设计。单片机通讯程序如下所示。该通讯程序在波特率9600~600调试,通讯准确可靠。CP2102参考价格是8RMB.USB2.0标准。外围电路为零,也就是说不用外围电路。这点最好。新的FT2232C型USBUART/FIFO电路的特征及应用摘要:FT2232C是一款USB到UART/FIFO转换电路。文中介绍FT2232C的特性、工作原理及应用领域,给出该电路在各种不同场合的典型应用电路。关键词:通用串行总线;通用异步收发模式/先进先出;FT2232C引言在进行室外信息采集时,需要定位和通信,还需要由传感器进行各种信息的采集,因而需要多个串口。串口扩展已成为系统开发中经常遇到的问题。一般的解决方案是有用串口扩展电路来增...

1、当您付费下载文档后,您只拥有了使用权限,并不意味着购买了版权,文档只能用于自身使用,不得用于其他商业用途(如 [转卖]进行直接盈利或[编辑后售卖]进行间接盈利)。
2、本站所有内容均由合作方或网友上传,本站不对文档的完整性、权威性及其观点立场正确性做任何保证或承诺!文档内容仅供研究参考,付费前请自行鉴别。
3、如文档内容存在违规,或者侵犯商业秘密、侵犯著作权等,请点击“违规举报”。

碎片内容

常用USB转串口芯片介绍

您可能关注的文档

确认删除?
VIP
微信客服
  • 扫码咨询
会员Q群
  • 会员专属群点击这里加入QQ群
客服邮箱
回到顶部