电脑桌面
添加小米粒文库到电脑桌面
安装后可以在桌面快捷访问

双回路铁塔色标喷刷工程施工组织设计VIP免费

双回路铁塔色标喷刷工程施工组织设计_第1页
1/34
双回路铁塔色标喷刷工程施工组织设计_第2页
2/34
双回路铁塔色标喷刷工程施工组织设计_第3页
3/34
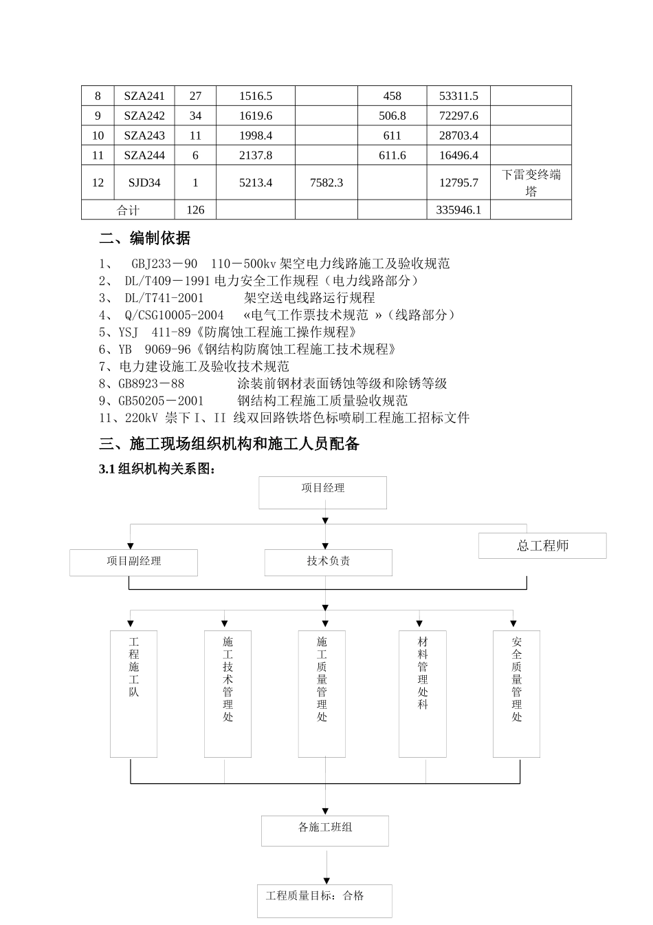
施工组织设计前言我公司充分响应招标文件中的“招标工程要求”。我公司若中标,本施工方案作为工程施工的纲领性文件,用以指导工程的施工与管理。以确保各项管理目标的实现。同时我们按照ISO9001质量管理体系进行运转体现,“以质量管理为中心,视工程质量为生命,坚持以人为本,严格过程控制,持续质量改进,努力完善服务,为业主提供满意的优良工程”是公司的质量目标。一、工程概况1、工程名称:220kV崇下I、II线双回路铁塔色标喷刷工程。2、建设地点:广西崇左3、建设规模:对220kV崇下I、II线工程共126基双回路铁塔进行色标涂刷。4、承包方式:按中标综合单价承包。5、计划工期:计划开工日期:2010年7月10日,计划竣工日期:2010年8月30日实际开竣工时间依工程实施情况调整。6、安全要求:不发生人身重伤以上事故;不发生因施工原因引起的电网一类障碍;不发生有责任的一般电网、设备事故;不发生一般施工机械设备损坏事故;不发生负同等及以上责任的生产性重大交通事故;不发生一般火灾事故;不发生重大职业卫生伤害事故;不发生环境污染事故和重大垮(坍)塌事故;不发生恶性误操作事故;不发生人员责任事故;不发生因违反调度纪律而造成的事故。7、质量要求:质量等级以国家或行业颁发的施工及验收规程、规范和设计要求的工程质量标准为依据,要求质量合格率为100%。8、环境保护要求:施工所采取的环境保护措施满足国家、地方和中国南方电网公司有关法律、法规、标准和管理规定的要求。9、工程量清单:220kV崇下Ⅰ、Ⅱ线分色塔材重量汇总:序号塔型基数每基横担重量(kg)终端塔横担以上塔身重量(kg)每基横担以上主材重量(kg)小计(kg)备注1SJC23D12643.34646.17289.4崇左变终端塔2SJC23D12643.31554.44197.73SZC23121326.5400.13453.24SJA2411724661233.962898.35SJA242122469.81311.845379.26SJA24352458.41541.119997.57SJA24492619.81648.938418.3项目经理项目副经理工程施工队安全质量管理处技术负责各施工班组施工技术管理处施工质量管理处材料管理处科工程质量目标:合格8SZA241271516.545853311.59SZA242341619.6506.872297.610SZA243111998.461128703.411SZA24462137.8611.616496.412SJD3415213.47582.312795.7下雷变终端塔合计126335946.1二、编制依据1、GBJ233-90110-500kv架空电力线路施工及验收规范2、DL/T409-1991电力安全工作规程(电力线路部分)3、DL/T741-2001架空送电线路运行规程4、Q/CSG10005-2004«电气工作票技术规范»(线路部分)5、YSJ411-89《防腐蚀工程施工操作规程》6、YB9069-96《钢结构防腐蚀工程施工技术规程》7、电力建设施工及验收技术规范8、GB8923-88涂装前钢材表面锈蚀等级和除锈等级9、GB50205-2001钢结构工程施工质量验收规范11、220kV崇下I、II线双回路铁塔色标喷刷工程施工招标文件三、施工现场组织机构和施工人员配备3.1组织机构关系图:总工程师3.1.1本工程实行“项目法”管理,遵照精干、统一、高效的原则组建一级项目经理部,代表公司履行工程承包合同,对工程现场施工全过程的组织控制与管理负责。3.1.2项目经理部实行项目经理负责制,对现场施工、经营、人事负全面责任;总工程师负责工程技术,质量控制;项目副经理负责组织施工,生产调度工作。经理部下设五个处:工程施工处、施工技术管理处、财务预算处、防腐材料供应处、安全质量管理处。3.1.3根据本工程特点,拟定为1个施工队,每队2个作业班组,每队设队长,质检员各1名,班组设组长并兼职质安员。3.1.4本工程实行项目经理负责制。项目经理对公司负责,项目经理部管理层,作业层对项目经理负责。管理实行岗位目标责任制;作业实行生产目标考核,推行定额管理。3.1.5为保证施工进度,拟定网络计划,一级网络与业主总部署接口,二级网络与供应部门接口,确保工程工期、保质、保量完工。三级网络编制科学合理的施工计划,在施工中进行动态跟踪,及时检查调整,确保总体目标的实现。3.1.6加强生产调度,根据工程实际的需要和工程具体条件,及时合理地调配人力物力,下达施工任务,确保工程有序进行。对于其它原因造成防腐工作延期的,则安排多班轮换作业或合理...

1、当您付费下载文档后,您只拥有了使用权限,并不意味着购买了版权,文档只能用于自身使用,不得用于其他商业用途(如 [转卖]进行直接盈利或[编辑后售卖]进行间接盈利)。
2、本站所有内容均由合作方或网友上传,本站不对文档的完整性、权威性及其观点立场正确性做任何保证或承诺!文档内容仅供研究参考,付费前请自行鉴别。
3、如文档内容存在违规,或者侵犯商业秘密、侵犯著作权等,请点击“违规举报”。

碎片内容

双回路铁塔色标喷刷工程施工组织设计

确认删除?
VIP
微信客服
  • 扫码咨询
会员Q群
  • 会员专属群点击这里加入QQ群
客服邮箱
回到顶部