电脑桌面
添加小米粒文库到电脑桌面
安装后可以在桌面快捷访问

峰峰矿区武彭炉衬新材料有限公司新型微孔、超微孔炭砖生产线项目VIP免费

峰峰矿区武彭炉衬新材料有限公司新型微孔、超微孔炭砖生产线项目_第1页
1/4
峰峰矿区武彭炉衬新材料有限公司新型微孔、超微孔炭砖生产线项目_第2页
2/4
峰峰矿区武彭炉衬新材料有限公司新型微孔、超微孔炭砖生产线项目_第3页
3/4
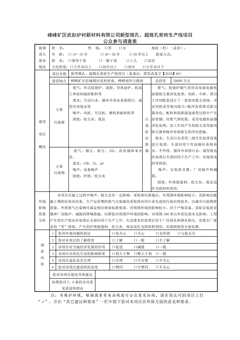
峰峰矿区武彭炉衬新材料有限公司新型微孔、超微孔炭砖生产线项目公众参与调查表被调查人基本情况姓名:性别:口男口女地址(村)(盖章):年龄:口l8~35岁口36~50岁口50岁以上联系方式:职业:口领导干部口一般干部口工人口农民文化程度:口大学及以上口高中以上口初中口小学及以下建设项目概况项目名称新型微孔、超微孔炭砖生产线项目(备案证:邯发改备字【2010】60)建设地点峰峰矿区彭城镇河泉村村南,峰峰南环公路南总投资20000万元主要污染源废气:环式焙烧炉、混捏、导热油炉、机加工和原料破碎配料等废水:生活污水、循环冷却水系统排污、成型冷却废水等噪声:风机、空压机、磨机和破碎机等固废:收尘灰、废品污染防治措施废气:焙烧炉烟气采用双电场电捕焦油器除尘器净化处理;初碎、中碎、筛分工序均配套设计了一套密闭集尘系统,并由风机送至旋风除尘+脉冲高效袋式除尘器净化;配料和混捏湿混成型过程中产生沥青烟,经集气罩收集,采用电捕焦油器净化处理;加工车间产生的粉尘采用旋风除尘器和脉冲布袋除尘的净化措施。废水:生活污水采用二级生化处理设备进行处理,全部回用于作浊循环系统补水,不外排。循环冷却排污水、成型废水经处理后全部回用于生产工序,实现废水的零排放。噪声:安装消音器、厂房隔声和减震;固废:炉渣做建材,收尘灰、废品送作为原料料利用。主要污染物废气:烟尘、粉尘、SO2、沥青烟和苯并芘。废水:COD、SS、pH噪声:设备噪声固废:炉渣、收尘灰环境影响简要分析本项目在施工过程中噪声、粉尘会有一定影响,采取相应措施后,对周围环境影响较小,其影响会随施工期的结束而结束。生产运营期的废气污染源均采取国内同行业先进的污染治理技术,以减少污染物排放量,外排废气污染物可满足相应排放标准要求,对周围环境的影响较小。对于产噪设备,采取安装消音器和厂房隔声、减振的降噪措施,以降低对周围声环境的影响,对周围300米以外居民基本无影响。工程产生的生产废水经处理后全部回用于生产工序,生活废水经处理后用于厂区绿化和洒水抑尘,实现全厂废水的“零”排放。产生的炉渣做建材,收尘灰、废品送作为原料料利用,实现固废的全部处置。调查内容1您对环境问题的看法口很关心口关心口无所谓口与我无关2您对本项目的了解程度口了解口一般口不了解3该项目对当地经济发展的作用口促进口减缓口—般4该项目对居民生活的影响程度口利大于弊口弊大于利口一般5该项目选址是否合理口合理口不合理口不关心6您对该项目建设所持态度口赞同口不赞同口不关心您对该项目建设具体建议如果您对5、6条持反对意见请说明理由注:为保护环境,根据国家有关法规进行公众意见征询。请在你认可的项目上打“√”,并在“其它建议和要求”一栏中留下您对本项目在环保方面的意见和要求。峰峰矿区武彭炉衬新材料有限公司新型微孔、超微孔炭砖生产线项目环境影响评价公示(一)建设项目的名称及概要峰峰矿区武彭炉衬新材料有限公司为了提高企业的市场竞争力,落实科学发展观,按照国家产业政策要求和市场经济规律,决定投资20000万元在峰峰矿区彭城镇河泉村南(矿区南环路南侧350m)建设新型微孔、超微孔炭砖生产线项目,设计生产能力将达到20000t/a,更好满足国内外大型钢铁企业对超微孔炭砖的需求。邯郸市发展计划委同意该项目备案,(备案证:邯发改备字【2010】60),拟建工程计划2012年6月建成投产。(二)建设项目的建设单位的名称和联系方式峰峰矿区武彭炉衬新材料有限公司,联系电话:13832020349,联系人:李孜。(三)承担评价工作的环境影响评价机构的名称和联系方式邯郸市环境保护研究所,联系电话:3111221,0310-3064194,传真3064194,电子邮件:gsq588168@sohu.com。(四)环境影响评价的工作程序和主要工作内容本工程将按《中华人民共和国环境影响评价法》等有关法律法规的要求,进行工程建设地区的环境现状监测和环境影响预测与评价。本工程的环境影响评价工作将以工程分析、污染控制和事故风险防范措施、大气环境影响等为评价重点,提出可行措施与对策,保证公众利益,实现项目建设与环境保护的和谐发展。(五)征求公众意见的主要事项依据建设...

1、当您付费下载文档后,您只拥有了使用权限,并不意味着购买了版权,文档只能用于自身使用,不得用于其他商业用途(如 [转卖]进行直接盈利或[编辑后售卖]进行间接盈利)。
2、本站所有内容均由合作方或网友上传,本站不对文档的完整性、权威性及其观点立场正确性做任何保证或承诺!文档内容仅供研究参考,付费前请自行鉴别。
3、如文档内容存在违规,或者侵犯商业秘密、侵犯著作权等,请点击“违规举报”。

碎片内容

峰峰矿区武彭炉衬新材料有限公司新型微孔、超微孔炭砖生产线项目

确认删除?
VIP
微信客服
  • 扫码咨询
会员Q群
  • 会员专属群点击这里加入QQ群
客服邮箱
回到顶部