电脑桌面
添加小米粒文库到电脑桌面
安装后可以在桌面快捷访问

华通电脑主板故障诊断卡PI0049使用手册VIP免费

华通电脑主板故障诊断卡PI0049使用手册_第1页
1/43
华通电脑主板故障诊断卡PI0049使用手册_第2页
2/43
华通电脑主板故障诊断卡PI0049使用手册_第3页
3/43
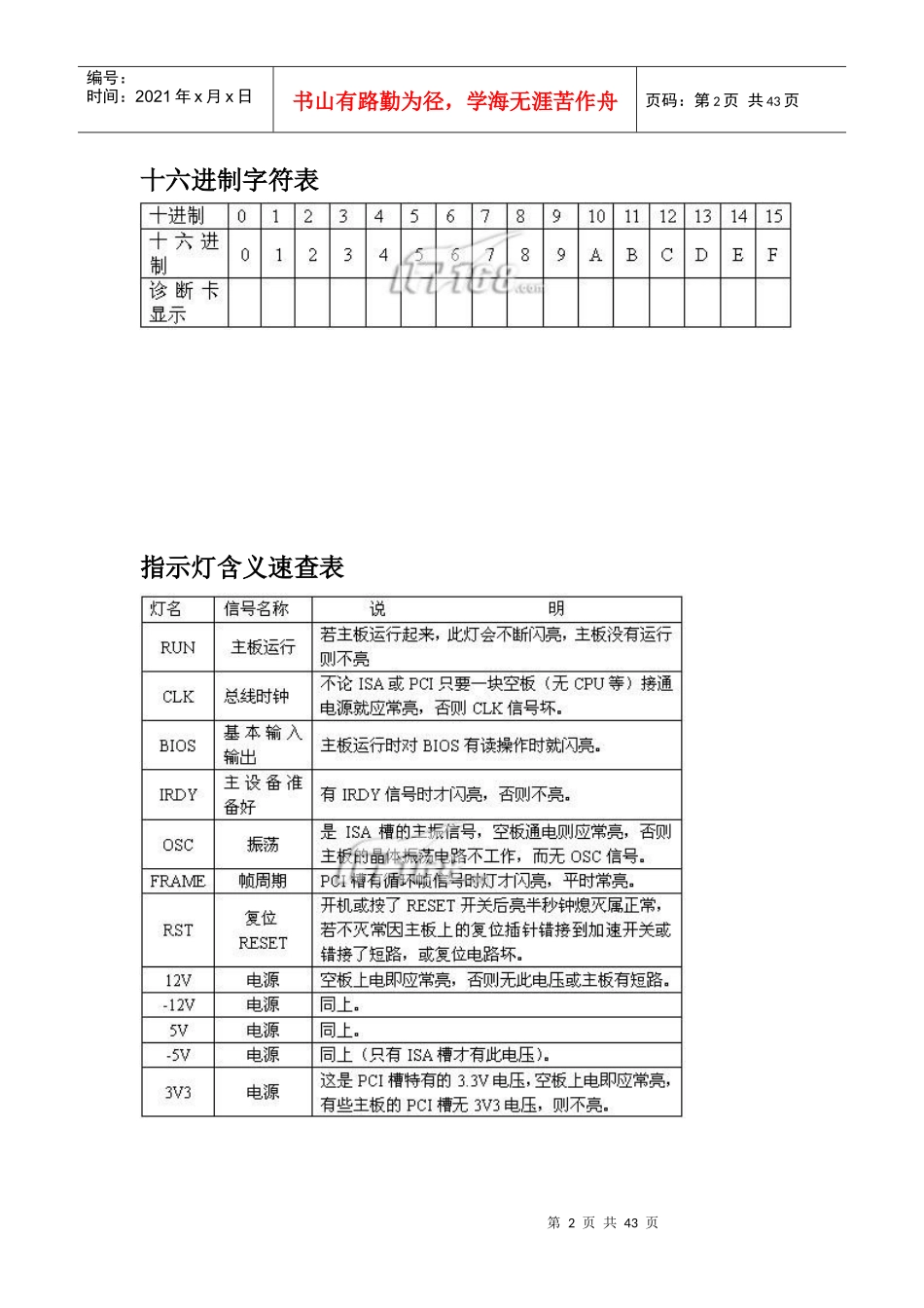
第1页共43页编号:时间:2021年x月x日书山有路勤为径,学海无涯苦作舟页码:第1页共43页概述诊断卡也叫post卡(poweronselftest),其工作原理是利用主板中bios内部自检程序的检测结果,通过代码一一显示出来,结合本书的代码含义速查表就能很快地知道电脑故障所在。尤其在pc机不能引导操作系统、黑屏、喇叭不叫时,使用本卡更能体现其便利,使您事半功倍。bios在每次开机时,对系统的电路、存储器、键盘、视频部分、硬盘、软驱等各个组件进行严格测试,并分析系统配置,对已配置的基本i/o设置进行初始化,一切正常后,再引导操作系统。其显著特点是以是否出现光标为分界线,先对关键性部件进行测试。关键性部件发生故障强制机器转入停机,显示器无光标,则屏幕无任何反应。然后,对非关键性部件进行测试,如有故障机器也继续运行,同时显示器显示出错信息,当机器出现故障,尤其是出现关键性故障,屏幕上无显示时,将本卡插入扩弃槽内。根据卡上显示的代码,表示的故障原因和部位,就可清楚地知道故障所在。用户必读1、故障代码含义速查表是按代码值从小到大排序,卡中出码顺序由主板bios确定。2、未定义的代码表中未能列出。3、对于不同bios(常用的ami、award、phoenix)同一代码所代表的意义不同,因此应弄清您所检测的电脑是属于哪一种类型的bios,您可查阅您的电脑使用手册,或从主板上的bios芯片上直接查看,也可以在启动的屏幕中直接看到。4、有少数主板的pci槽只有一部分代码出现,但isa槽则有完整自检代码输出。且目前已发现有极个别原装机主板的isa槽无代码输出,而pci槽则有完整代码输出,故建议您在查看代码不成功时,将本双槽卡换到另一种插槽试一下。另外,同一块主板的不同pci槽,有的槽有完整代码送出,如dell810主板只有靠近cpu的一个pci槽有完整代码显示,一直变化到"00"或"ff",而其它pci槽走到"38"后则不继续变化。5、复位信号所需时间isa与pci不一定同步,故有可能isa开始出代码,但pci的复位灯还未熄,故pci代码停在起始代码上。6、由于主板品种和结构的多样性及biospost代码不断更新,令紧接在代码后面的查找故障部件和范围的准确性受到影响,故《代码含义速查表》中说明的故障部件和范围只能作为参考。7、根据经验:两位代码的卡用在pⅱ300以下的主板中可信,而用在pⅱ300以上的板中会死机、不走码或出假码,故建议您购买pi0050型四位代码的卡,该卡到目前为止,还没有收到过用户的不良反映。第2页共43页第1页共43页编号:时间:2021年x月x日书山有路勤为径,学海无涯苦作舟页码:第2页共43页十六进制字符表指示灯含义速查表第3页共43页第2页共43页编号:时间:2021年x月x日书山有路勤为径,学海无涯苦作舟页码:第3页共43页使用方法流程图第4页共43页第3页共43页编号:时间:2021年x月x日书山有路勤为径,学海无涯苦作舟页码:第4页共43页故障代码含义速查表故障代码含义速查表第5页共43页第4页共43页编号:时间:2021年x月x日书山有路勤为径,学海无涯苦作舟页码:第5页共43页第6页共43页第5页共43页编号:时间:2021年x月x日书山有路勤为径,学海无涯苦作舟页码:第6页共43页第7页共43页第6页共43页编号:时间:2021年x月x日书山有路勤为径,学海无涯苦作舟页码:第7页共43页第8页共43页第7页共43页编号:时间:2021年x月x日书山有路勤为径,学海无涯苦作舟页码:第8页共43页第9页共43页第8页共43页编号:时间:2021年x月x日书山有路勤为径,学海无涯苦作舟页码:第9页共43页第10页共43页第9页共43页编号:时间:2021年x月x日书山有路勤为径,学海无涯苦作舟页码:第10页共43页第11页共43页第10页共43页编号:时间:2021年x月x日书山有路勤为径,学海无涯苦作舟页码:第11页共43页第12页共43页第11页共43页编号:时间:2021年x月x日书山有路勤为径,学海无涯苦作舟页码:第12页共43页第13页共43页第12页共43页编号:时间:2021年x月x日书山有路勤为径,学海无涯苦作舟页码:第13页共43页第14页共43页第13页共43页编号:时间:2021年x月x日书山有路勤为径,学海无涯苦作舟页码:第14页共43页第15页共43页第14页共43页编号:时间:2021年x月x日书山...

1、当您付费下载文档后,您只拥有了使用权限,并不意味着购买了版权,文档只能用于自身使用,不得用于其他商业用途(如 [转卖]进行直接盈利或[编辑后售卖]进行间接盈利)。
2、本站所有内容均由合作方或网友上传,本站不对文档的完整性、权威性及其观点立场正确性做任何保证或承诺!文档内容仅供研究参考,付费前请自行鉴别。
3、如文档内容存在违规,或者侵犯商业秘密、侵犯著作权等,请点击“违规举报”。

碎片内容

华通电脑主板故障诊断卡PI0049使用手册

您可能关注的文档

确认删除?
VIP
微信客服
  • 扫码咨询
会员Q群
  • 会员专属群点击这里加入QQ群
客服邮箱
回到顶部