电脑桌面
添加小米粒文库到电脑桌面
安装后可以在桌面快捷访问

合川路站技术标书VIP免费

合川路站技术标书_第1页
1/163
合川路站技术标书_第2页
2/163
合川路站技术标书_第3页
3/163
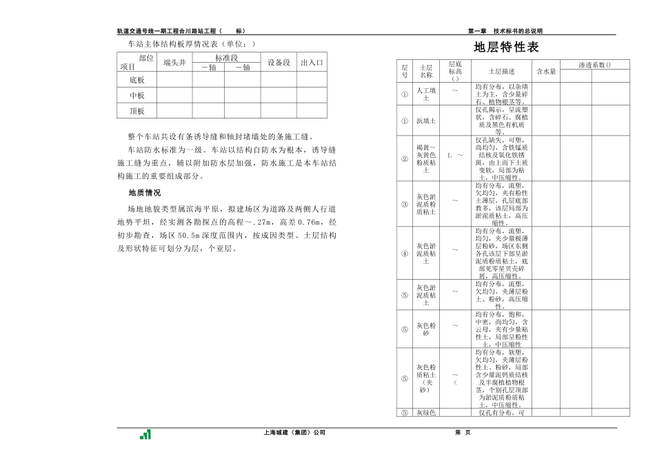
轨道交通号线一期工程合川路站工程(标)第一章技术标书的总说明第一章技术标书的总说明我们十分荣幸参加上海轨道交通号线一期工程合川路站工程(409A标)的投标。本标书专门阐述上海轨道交通号线一期工程合川路站工程(409A标)的施工技术。工程简介工程概况()工程名称:()工程地址:()业主:()业主代表:()设计总包单位:()工程设计单位:()工程范围:依照上海轨道交通号线一期工程合川路站工程(标)的招标文件和施工招标图纸所表明的所有工程。上海轨道交通号线一期工程是上海市重大预备项目工程,途径松江、闵行和徐汇三个区,工程自松江新城站至宜山路站,全程公里。沿途共设车站座:松江新城站、大学城站、佘山旅游度假区二站、佘山旅游度假区站、泗泾站、九亭站、七宝站、外环路站、合川路站、虹梅路站、桂林路站、宜山路站及位于九亭的车辆段。本工程车站主体结构外包尺寸为185.7m(长)×37.7m(宽),站台宽为8m,为地下层车站。车站东西两端各设有一只端头井,即盾构工作井,西端头井外包尺寸为18m×22.2m,东端头井外包尺寸为60.5m×37.7m,基坑深度为17.47m。车站轴至轴,为单跨和两跨标准段,基坑宽度为19m,基坑深度为16.17m。车站轴至轴,为四跨设备段,基坑宽度为34.5m,基坑深度为16.65m。车站附属结构均为地下一层,共设个出入口、通道和风井。车站基坑变形控制保护等级为二级,车站东北侧及西北侧多层房屋与南侧搬迁管线,距离基坑边在范围内。此部分的保护等级为一级。编制标书时充分尊重招标文件的规定、招标文件答疑会议纪要及本次招标所提供的一切有关资料。在认真学习、研究招标文件内容的基础上,投标文件阐述了本工程实施的施工安排、施工计划、施工方案,以及工程质量、安全生产、文明施工和环境保护等措施。为了使方案更具合理性、经济性和先进性,编制过程中聘请了多名专家学者对本工程特点、难点进行了充分论证,以求开拓创新,优化方案,确保优质高效地完成本工程。1.1.1围护体系工程概况车站采用地下连续墙作为围护结构。车站单跨、双跨、标准段及四跨设备段基坑的地下连续墙墙厚600mm,墙深30m,墙趾插入⑤层,入土比。端头井段地下墙墙厚800mm,墙深32m,入土比为。西端头井墙趾插入⑦层,东端头井墙趾插入⑤层。车站地下连续墙采用柔性接头,全部内设厚内衬墙标准段基坑深度~.65m,沿基坑深度方向设置四道钢管支撑,第一道为φ(厚),其余均为φ(厚)钢支撑。车站端头井基坑深为17.47m,沿基坑深度方向设置五道钢管支撑,第一道为φ(厚)钢支撑,其余均为φ(厚)钢支撑,支撑的水平间距一般为3m左右。车站附属结构为地下一层,底板埋置深度分别是:号风井和出入口为9.05m;号风井和出入口为.05m;号风井和出入上海城建(集团)公司第页轨道交通号线一期工程合川路站工程(标)第一章技术标书的总说明口为9.05m;号风井和出入口为8.85m。围护采用φ劲性水泥土搅拌桩(),桩长分别为17m、15m、13m、,间隔内插型钢,沿基坑深度方向设置三道φ钢管支撑,并采用×型钢围檩。地下连续墙混凝土等级为,抗渗等级为。钢筋保护层厚度为:外侧(迎土面)为70mm,内侧(开挖面)为50mm。车站主体围护结构情况表部位主要参数标准段(单跨、双跨)设备段(四跨)端头井墙体厚度()墙深()入土比墙趾地层⑤⑥⑥支撑设置(道)第一道为φ钢管,=14mm,其他为φ钢管支撑,=16mm备注内设600mm厚内衬墙1.1.1坑底加固和降水要求为保证基坑抗隆起稳定,减少墙体侧移和地面沉降,对车站基坑内坑底的土体进行双液注浆加固,加固深度自坑底向下4m,加固形式为裙边加固与抽条加固相结合。加固后土体强度≥。车站基坑外,于东端头井坑外处阴角,西端头井及设备段坑外处阴角,共计处,作双液注浆加固,加固范围为地表以下2m到垫层以下4m。坑内降水在土方开挖前天进行,以提高土体的抗剪强度,降水深度为坑底以下0.5m。1.1.1内部结构及防水工程概况本工程为地下二层车站。车站共设有二个端头井,连续墙厚800mm,内设600mm衬墙。标准段采用及设备段连续墙厚600mm,内设600mm衬墙,车站共设个出入口。上海城建(集团)公司第页轨道交通号线一...

1、当您付费下载文档后,您只拥有了使用权限,并不意味着购买了版权,文档只能用于自身使用,不得用于其他商业用途(如 [转卖]进行直接盈利或[编辑后售卖]进行间接盈利)。
2、本站所有内容均由合作方或网友上传,本站不对文档的完整性、权威性及其观点立场正确性做任何保证或承诺!文档内容仅供研究参考,付费前请自行鉴别。
3、如文档内容存在违规,或者侵犯商业秘密、侵犯著作权等,请点击“违规举报”。

碎片内容

合川路站技术标书

您可能关注的文档

确认删除?
VIP
微信客服
  • 扫码咨询
会员Q群
  • 会员专属群点击这里加入QQ群
客服邮箱
回到顶部