电脑桌面
添加小米粒文库到电脑桌面
安装后可以在桌面快捷访问

商场运作手册001-019VIP免费

商场运作手册001-019_第1页
1/43
商场运作手册001-019_第2页
2/43
商场运作手册001-019_第3页
3/43
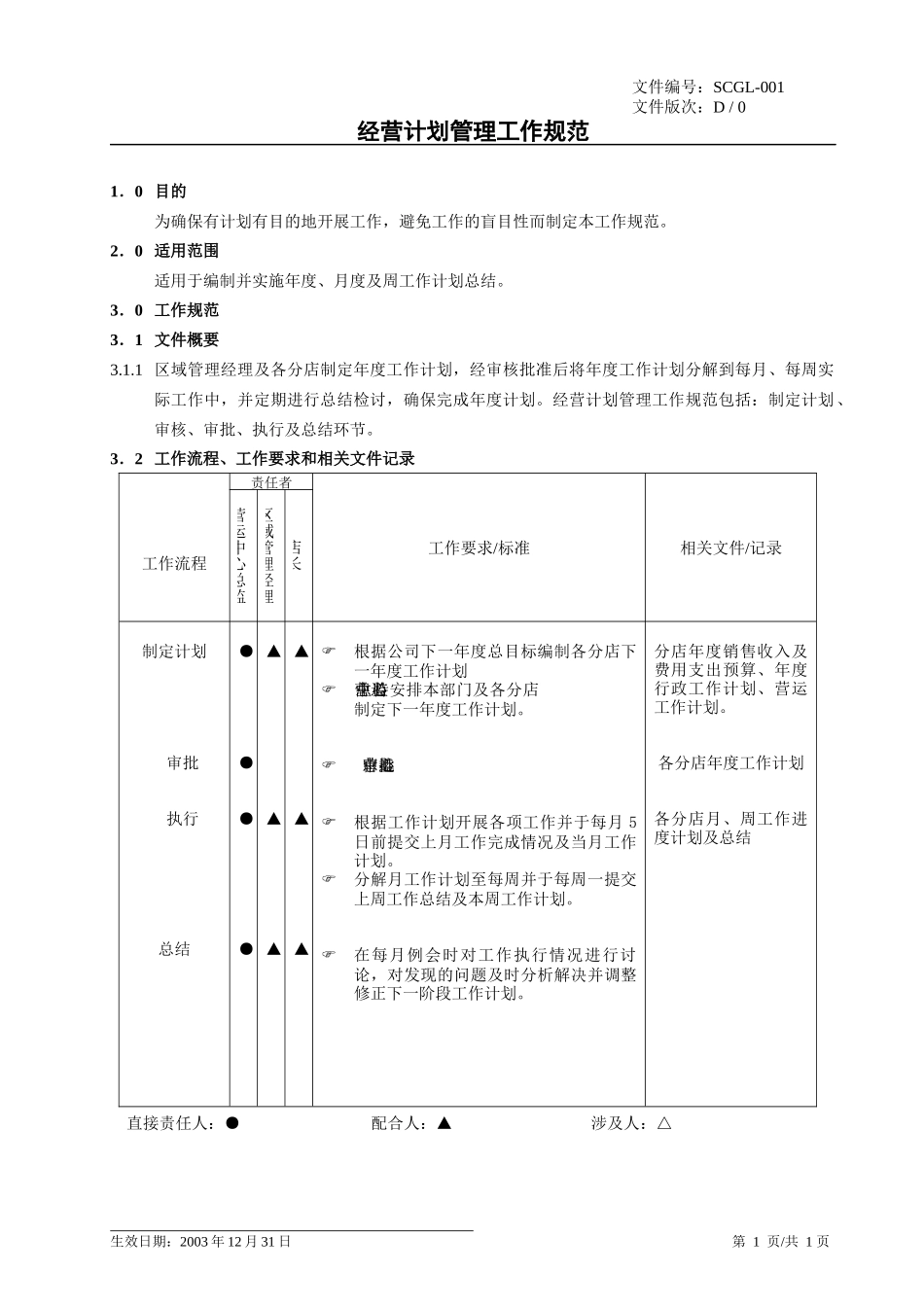
文件编号:SCGL-001文件版次:D/0经营计划管理工作规范1.0目的为确保有计划有目的地开展工作,避免工作的盲目性而制定本工作规范。2.0适用范围适用于编制并实施年度、月度及周工作计划总结。3.0工作规范3.1文件概要3.1.1区域管理经理及各分店制定年度工作计划,经审核批准后将年度工作计划分解到每月、每周实际工作中,并定期进行总结检讨,确保完成年度计划。经营计划管理工作规范包括:制定计划、审核、审批、执行及总结环节。3.2工作流程、工作要求和相关文件记录工作流程责任者工作要求/标准相关文件/记录营运中心总监区域管理经理店长制定计划审批执行总结●●●●▲▲▲▲▲▲根据公司下一年度总目标编制各分店下一年度工作计划营运中心总监主持安排本部门及各分店制定下一年度工作计划。营运中心总监审批根据工作计划开展各项工作并于每月5日前提交上月工作完成情况及当月工作计划。分解月工作计划至每周并于每周一提交上周工作总结及本周工作计划。在每月例会时对工作执行情况进行讨论,对发现的问题及时分析解决并调整修正下一阶段工作计划。分店年度销售收入及费用支出预算、年度行政工作计划、营运工作计划。各分店年度工作计划各分店月、周工作进度计划及总结直接责任人:●配合人:▲涉及人:△生效日期:2003年12月31日第1页/共1页文件编号:SCGL-002文件版次:D/0服务质量分析工作规范1.0目的定期对服务状况进行分析评价,查找问题点,对其进行改进,不断提高分店的服务质量、服务水平。2.0适用范围适用于评价分析分店服务质量。3.0工作规范3.1文件概要3.1.1通过对分店卫生环境,价格标识,服务质量,商品种类,设备设施等方面的分析查找不足,发现问题点并提出改善方案进行实施从而不断提高服务质量,提高顾客满意度。3.1.2服务质量月度分析工作规范包括资料收集、分析、提出改善方案及实施等环节。3.2工作流程、工作要求和相关文件记录工作流程责任者工作要求/标准相关文件/记录人资中心制度维护部营运中心总监区域管理经理店长文员资料收集分析改善跟踪评估▲▲●●▲▲▲●●文员在每月2日以前收集整理分店上月投诉记录、缺货商品明细。每月5日前区域管理经理根据缺货商品统计表对商品缺货品品种,数量,缺货时间及原因进行分析。每月5日前区域管理经理根据顾客投诉及巡场过程中的顾客反映对顾客满意情况进行分析。将商品缺货分析报告及顾客投诉分析报告提交人资中心制度维护部作管理评审输入,并发至各分店改善工作中的不足之处。发出的纠正/预防措施或整改措施应对其效果进行跟踪评估,以确定纠正/预防措施或整改措施的充分性和有效性。投诉处理记录表(SCGL-003-01)缺货统计表(SCGL-010-01)商品缺货分析报告顾客投诉及意见反馈分析报告。直接责任人:●配合人:▲涉及人:△生效日期:2003年12月31日第1页/共1页文件编号:SCGL-003文件版次:D/0投诉处理工作规范1.0目的为投诉能得及时、完善处理提供工作依据,确保投诉处理工作的顺利、高效进行。2.0适用范围适用于分店内投诉处理工作的全过程。(包括对出租柜台及联营柜的投诉同样使用)3.0工作规范3.1文件概要3.1.1投诉是指顾客对商品、服务、环境或人不满时产生的抱怨,投诉处理工作规范包括接待、受理、跟踪、反馈、总结等几方面的内容;3.1.2投诉的种类和原因:对商品的抱怨、对人的抱怨、对环境的抱怨、对服务制度的抱怨等得不到有效解决或解决结果不能使抱怨人满意而产生;3.1.3投诉的方式包括电话投诉、书信投诉、总部投诉、到分店直接投诉;3.1.4投诉的处理解决方式有:道歉、退换商品、赔偿顾客损失。3.1.5投诉处理的原则:感谢:即对顾客的抱怨不仅要表示道歉和同情还应该表示感谢,把抱怨看作是顾客对公司的关心和爱护;尊重:诚恳地倾听顾客的诉说,并表示完全相信顾客所说的话,不可在还没有听完就指责顾客或为自已作辩解;迅速:即不拖延抱怨、投诉的处理,当顾客有抱怨就应马上倾听他的抱怨,事后立即作出处理及在约定的时间内给予答复(一般不得超过1个工作日);谨慎:即在处理顾客投诉时,既要迅速,但不能轻率地承担责任,如当事人无法作出决定...

1、当您付费下载文档后,您只拥有了使用权限,并不意味着购买了版权,文档只能用于自身使用,不得用于其他商业用途(如 [转卖]进行直接盈利或[编辑后售卖]进行间接盈利)。
2、本站所有内容均由合作方或网友上传,本站不对文档的完整性、权威性及其观点立场正确性做任何保证或承诺!文档内容仅供研究参考,付费前请自行鉴别。
3、如文档内容存在违规,或者侵犯商业秘密、侵犯著作权等,请点击“违规举报”。

碎片内容

商场运作手册001-019

您可能关注的文档

确认删除?
VIP
微信客服
  • 扫码咨询
会员Q群
  • 会员专属群点击这里加入QQ群
客服邮箱
回到顶部