电脑桌面
添加小米粒文库到电脑桌面
安装后可以在桌面快捷访问

钻孔灌注桩技术交底VIP免费

钻孔灌注桩技术交底_第1页
1/7
钻孔灌注桩技术交底_第2页
2/7
钻孔灌注桩技术交底_第3页
3/7
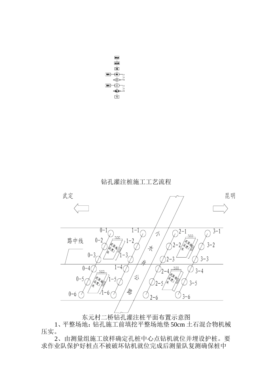
技术交底书编:DY2-01工程位置K40+600工程名称东元村二中桥交底工程工程钻孔灌注桩交底日2010年3月5日交底内容及附图〔表〕1、钻孔所含工作内容2、东元村二桥孔桩根底工程概况3、作业顺序4、施工5、钻孔灌注桩报检内容、报检程序规定及相关作业6、资源配置7、进度方案8、施工平安及环、水保考前须知附表:钻孔记录表交底复核总工监理接收:一、钻孔所含工作内容人员与机械组织、场地平整、钻机就位、埋设护筒、桩点保护、钻孔、泥浆制造、施工用水引入、声测〔灌水保证在检测时通畅〕、清孔、混凝土灌注〔配合泥浆检测〕、配合桩基成孔检测、破桩头配合理人员的各项检查。二、东元村二桥桩根底工程概况1、设计地质情况:上覆地层由第四系冲洪积亚粘土、粘土、园砾土组成软塑状亚粘土、粘土厚度约为8.3米可塑状亚粘土、粘土厚度约为5.3米园砾土厚度大于1.5米下伏基岩由二叠系统新组白云质灰岩、侵入岩辉绿岩组成白色白云质灰岩埋深于地下约14米。2、工程位置:右幅起点K40+568.48右幅止点K40+622.06左幅起点K40+577.94左幅止点K40+631.523、水源:施工用水可通过与当地居民或居委会协调就近利用灌溉水渠〔沟〕引至施工场地。4、东元村二桥孔桩设计构造尺寸及工程数量:孔桩构造尺寸左幅桩径cm桩长m右幅桩径cm桩长m0-1140240-4140240-2140240-5140240-3140240-6140241-1140201-4140201-2140201-5140201-3140201-6140202-1140202-4140202-2140202-5140202-3140202-6140203-1140243-4140243-2140243-5140243-3140243-614024汇总钻孔灌注桩径φ140㎝共长528米三、作业顺序按照同排孔桩间隔跳打的原那么进展施工如〔0-1→0-3→0-5→0-2→0-4→0-6〕。1钻机从0#台孔桩开场施工2钻机从2#墩孔桩开场施工。四、施工钻孔灌注桩施工工艺流程东元村二桥钻孔灌注桩平面布置示意图1、平整场地:钻孔施工前填挖平整场地垫50cm土石混合物机械压实。2、由测量组施工放样确定孔桩中心点钻机就位并埋设护桩。要求作业队保护好桩点不被破坏钻机就位完成后测量队复测确保桩中心和护筒中心重合。3、施工前作好孔内造浆泥浆循环池。4、钢护筒直径大于钻孔桩设计直径20cm护筒埋置深度为2~4m。护筒连接处要求筒内无突出物抗拉、抗压,不漏水护筒顶面高出地外表不小于30cm护筒周围回填原状土人工压实。5、开钻前对钻孔各项准备工作进展检查底座顶端必须安装平稳防止在钻进过程中产生位移和沉陷校核钢丝绳、钻头中心、孔桩中心点处于同一铅垂线上确保钻机运转正常。施工采用钻孔自造泥浆工艺为节约泥浆钻孔中的泥浆经沉淀后循环使用。在成孔过程中测定泥浆比重、粘度、含砂率和胶体率。泥浆的控制指标:相对度1.2~1.4粘度22~30Pa°s含砂率不大于4。假设泥浆质量不合格时按照试验检测人员的要求进展及时调整。泥浆的控制指标由现场试验检测人员确定6、钻进过程中开场钻孔时先均匀慢速进展钻头穿过护筒底部2.0m后再进步速度冲击钻头提升高度不得大于4m防止倾斜钻进时分班连续作业。冲孔过程中及时补充泥浆保持孔内泥浆面高于地下水位1.0m以上钻进过程中注意土〔岩〕层变化做好施工记录﹙机械操作手、进尺情况、机械情况、岩土留样﹚并记入钻孔记录表中钻孔入岩深度不小于设计假设与设计土〔岩〕层不符时立即给现场理人员处理钻至规定桩深以上30cm时每次提升高度不大于50cm。7、钻进完毕后及时向质检工程师报检。并配合对桩孔深度进展确认后提钻采用检孔器进展孔径检查满足要求后清孔。清孔采用换浆法。换浆至泥浆比重满足要求时进展下道工序的施工以保证砼浇注前孔内沉渣厚度不超过要求。8、采用导法灌注导内径为250mm,导使用前应进展水承压和接头抗拉实验严禁用气压试压。混凝土应有良好的和易性在运输和灌注过程中应无离析、泌水现象。首批灌注混凝土量为2.5立方米灌注后混凝土应连续灌注。灌注过程中导的埋置深度控制在2~6米经常测探井孔内混凝土面的位置及时地调整导埋深灌注的桩顶标高比设计高出0.8米以保证混凝土强度多余局部凿掉剩余桩头应无松散层。9、此技术交底不包括钢筋笼的制作及安置。五、钻孔灌注桩报检内容、报检程序规定及相关作业1、钻孔灌注桩工序报检内容钻机就位、开钻、进入不同岩层、成...

1、当您付费下载文档后,您只拥有了使用权限,并不意味着购买了版权,文档只能用于自身使用,不得用于其他商业用途(如 [转卖]进行直接盈利或[编辑后售卖]进行间接盈利)。
2、本站所有内容均由合作方或网友上传,本站不对文档的完整性、权威性及其观点立场正确性做任何保证或承诺!文档内容仅供研究参考,付费前请自行鉴别。
3、如文档内容存在违规,或者侵犯商业秘密、侵犯著作权等,请点击“违规举报”。

碎片内容

钻孔灌注桩技术交底

您可能关注的文档

海纳百川+ 关注
实名认证
内容提供者

热爱教学事业,对互联网知识分享很感兴趣

确认删除?
VIP
微信客服
  • 扫码咨询
会员Q群
  • 会员专属群点击这里加入QQ群
客服邮箱
回到顶部