电脑桌面
添加小米粒文库到电脑桌面
安装后可以在桌面快捷访问

水利施工监理工作常用表格VIP免费

水利施工监理工作常用表格_第1页
1/110
水利施工监理工作常用表格_第2页
2/110
水利施工监理工作常用表格_第3页
3/110
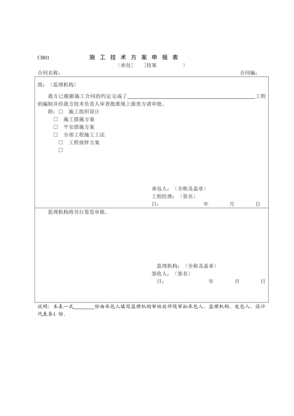
E.3施工监理工作常用表格E.3.1承包人用表序表格名称表格类型表格编1施工技术方案申报表CB01承包[]技案2施工进度方案申报表CB02承包[]进度3施工图用图方案CB03承包[]图计4资金流方案申报表CB04承包[]资金5施工分包申报表CB05承包[]分包6现场组织机构及主要人员报审表CB06承包[]机人7材料/构配件进场报验单CB07承包[]材验8施工设备进场报验单CB08承包[]设备9工程预付款申报表CB09承包[]工预付10工程材料预付款报审表CB10承包[]材预付11施工放样报验单CB11承包[]放样12结合测量单CB12承包[]联测13施工测量成果报验单CB13承包[]测量14合同工程开工申请表CB14承包[]合开工15分部工程开工申请表CB15承包[]分开工16设备采购方案申报表CB16承包[]设采17混凝土浇筑开仓报审表CB17承包[]开仓18单元工程施工质量报验单CB18承包[]质报19施工质量缺陷处理措施报审表CB19承包[]缺陷20事故单CB20承包[]事故21暂停施工申请CB21承包[]暂停22复工申请表CB22承包[]复工23变更申请CB23承包[]变申24施工进度方案调整申报表CB24承包[]进调25延长工申报表CB25承包[]延26变更工程价格申报表CB26承包[]变价27索赔意向CB27承包[]赔通28索赔申请CB28承包[]赔报29工程计量报验单CB29承包[]计报30计日工工程量签证单CB30承包[]计签31工程价款月支付申请书CB31承包[]月付32工程价款月支付汇总表CB31附表1承包[]月总33已完单元工程量汇总表CB31附表2承包[]量总34合同单价工程月支付表CB31附表3承包[]单价35合同合价工程月支付表CB31附表4承包[]合价36合同新增工程月支付表CB31附表5承包[]新增37计日工工程月支付表CB31附表6承包[]计付38计日工工程量月汇总表CB31附表6-1承包[]计总39索赔工程价款月支付汇总表CB31附表7承包[]赔总40施工月报表CB32承包[]月报41材料使用情况月报表CB32附表1承包[]材料月42主要施工机械设备情况月报表CB32附表2承包[]设备月43现场施工人员情况月报表CB32附表3承包[]人员月44施工质量检验月汇总表CB32附表4承包[]质检月45工程事故月报表CB32附表5承包[]事故月46完成工程量月汇总表CB32附表6承包[]量总月47施工实际进度月报表CB32附表7承包[]进度月48验收申请CB33承包[]验报49单CB34承包[]50回复单CB35承包[]回复51完工/最终付款申请表CB36承包[]付申CB01施工技术方案申报表〔承包[]技案〕合同名称:合同编:致:〔监理机构〕我方已根据施工合同的约定完成了工程的编制并经我方技术负责人审查批准现上报贵方请审批。附:□施工组织设计□施工措施方案□平安措施方案□分部工程施工工法□工程放样方案□承包人:〔全称及盖章〕工程经理:〔签名〕日:年月日监理机构将另行签发审批。监理机构:〔全称及盖章〕签收人:〔签名〕日:年月日说明:本表一式份由承包人填写监理机构审核后伴随审批承包人、监理机构、发包人、设计代表各1份。CB02施工进度方案申报表〔承包[]进度〕合同名称:合同编:致:〔监理机构〕我方今提交工程〔名称及编码〕的:□工程总进度方案□工程年进度方案□工程月进度方案□请贵方审查。附件:1施工进度方案。2图表、说明书共页。3承包人:〔全称及盖章〕工程经理:〔签名〕日:年月日监理机构将另行签发审批。监理机构:〔全称及盖章〕签收人:〔签名〕日:年月日说明:本表一式份由承包人填写监理机构审核后伴随审批承包人、监理机构、发包人、设计代表各1份。CB03施工用图方案〔承包[]图计〕合同名称:合同编:致:〔监理机构〕我方今提交工程〔名称及编码〕的:□〔总〕供图方案□时段供图方案□请贵方审核。附件:1施工进度方案。2承包人:〔全称及盖章〕工程经理:〔签名〕日:年月日监理机构将另行签发审核。监理机构:〔全称及盖章〕签收人:〔签名〕日:年月日说明:本表一式份由承包人填写监理机构审核后伴随审核承包人、监理机构、发包人、设计代表各1份。CB04资金流方案申报表〔承包[]资金〕合同名称:合同编:致:〔监理机构〕我方今提交工程工程的资金流方案请贵方审核年月工程和材料预付款完成工作量付款保存金拘留其他应得付款合计附件:方案使用金额计算说明承包人:〔全称及盖章〕工程经理:〔签名〕日:年月日监理机构将另行签发审核。监理机构...

1、当您付费下载文档后,您只拥有了使用权限,并不意味着购买了版权,文档只能用于自身使用,不得用于其他商业用途(如 [转卖]进行直接盈利或[编辑后售卖]进行间接盈利)。
2、本站所有内容均由合作方或网友上传,本站不对文档的完整性、权威性及其观点立场正确性做任何保证或承诺!文档内容仅供研究参考,付费前请自行鉴别。
3、如文档内容存在违规,或者侵犯商业秘密、侵犯著作权等,请点击“违规举报”。

碎片内容

水利施工监理工作常用表格

您可能关注的文档

确认删除?
VIP
微信客服
  • 扫码咨询
会员Q群
  • 会员专属群点击这里加入QQ群
客服邮箱
回到顶部