电脑桌面
添加小米粒文库到电脑桌面
安装后可以在桌面快捷访问

国内外钢铁产品成本分析讨论VIP免费

国内外钢铁产品成本分析讨论_第1页
1/15
国内外钢铁产品成本分析讨论_第2页
2/15
国内外钢铁产品成本分析讨论_第3页
3/15
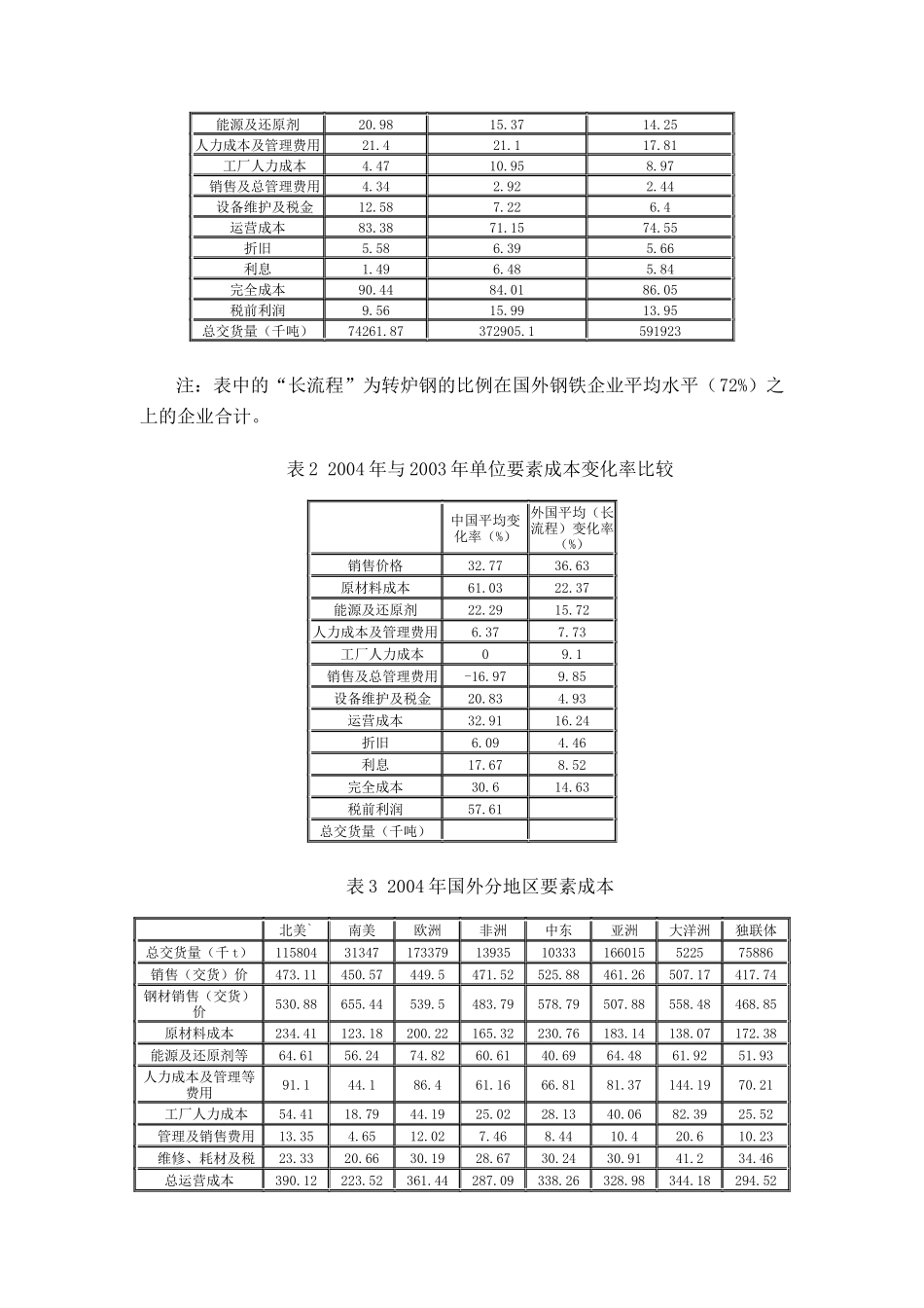
国内外钢铁成本分析作为基础原材料,钢铁产品的价格竞争是最重要的竞争要素之一。成本是价格竞争基础。在钢铁工业技术进步史上,很多重大技术突破,例如直接还原铁、转炉炼钢、连铸、连轧、薄板坯连铸连轧、高炉喷煤等,首要动因是降低成本。“成本优先战略”过去是,今后相当长时期仍将是钢铁工业的首选经营战略。成本高低与工艺、技术和管理水平有关,它们是企业“可以改变的竞争要素”。通过成本对比分析,便于发现钢铁企业在这些方面的潜力所在,促使企业通过技术进步和改善管理,挖掘成本潜力。从长期看,工艺、技术和管理的差异将随着企业间技术和管理的交流趋于消失。长期的成本竞争力最终取决于钢铁企业所处的外部环境,如原料、能源人力成本、资金成本及市场等。这些因素通常属于“不可改变的竞争要素”。在市场经济条件下,不可改变的竞争要素是影响生产力布局的主要因素。我国钢铁生产能力逐步向沿海、原料产地和市场广阔的地区集中,正是这种作用的体现。随着经济全球化的发展,“不可改变的竞争要素”将成为影响国际分工的重要因素。因此,开展成本竞争研究,不仅对促进企业短期内降低成本具有重要意义,而且对制定我国钢铁工业长远发展战略和提高我国钢铁企业国际竞争力水平具有重要的参考价值。表12004年中外钢铁产品要素成本结构比较项目中国平均比例国外平均(长流程)比例国外平均(全部)比例销售价格100100100原材料成本41.0134.6842.49能源及还原剂20.9815.3714.25人力成本及管理费用21.421.117.81工厂人力成本4.4710.958.97销售及总管理费用4.342.922.44设备维护及税金12.587.226.4运营成本83.3871.1574.55折旧5.586.395.66利息1.496.485.84完全成本90.4484.0186.05税前利润9.5615.9913.95总交货量(千吨)74261.87372905.1591923注:表中的“长流程”为转炉钢的比例在国外钢铁企业平均水平(72%)之上的企业合计。表22004年与2003年单位要素成本变化率比较中国平均变化率(%)外国平均(长流程)变化率(%)销售价格32.7736.63原材料成本61.0322.37能源及还原剂22.2915.72人力成本及管理费用6.377.73工厂人力成本09.1销售及总管理费用-16.979.85设备维护及税金20.834.93运营成本32.9116.24折旧6.094.46利息17.678.52完全成本30.614.63税前利润57.61总交货量(千吨)表32004年国外分地区要素成本北美`南美欧洲非洲中东亚洲大洋洲独联体总交货量(千t)115804313471733791393510333166015522575886销售(交货)价473.11450.57449.5471.52525.88461.26507.17417.74钢材销售(交货)价530.88655.44539.5483.79578.79507.88558.48468.85原材料成本234.41123.18200.22165.32230.76183.14138.07172.38能源及还原剂等64.6156.2474.8260.6140.6964.4861.9251.93人力成本及管理等费用91.144.186.461.1666.8181.37144.1970.21工厂人力成本54.4118.7944.1925.0228.1340.0682.3925.52管理及销售费用13.354.6512.027.468.4410.420.610.23维修、耗材及税23.3320.6630.1928.6730.2430.9141.234.46总运营成本390.12223.52361.44287.09338.26328.98344.18294.52折旧20.8819.8822.033139.5132.9433.0725.22利息合计27.6424.1923.5631.4225.7539.7331.4725.25完全成本438.64267.58407.03349.51403.52391.66408.72344.98税前利润34.48182.9842.47122.01122.3669.698.4572.76第一部分单位发货量要素成本对比分析一、中外钢铁企业单位发货量要素成本比较本期成本对比的国外企业共250家,中国钢铁企业为我国主要大中型钢铁企业。由于成本核算方法的差异,我国的成本数据结构与国外厂家有所不同。为了可比起见,我们对我国的成本数据按国外的结构和口径调整为“要素成本”。2004年上半年国外钢材平均售价(长流程)比国内高出46.82美元/吨,这比2003年国内外钢材综合售价之差25.3美元/吨又有所扩大,说明国外钢材市场涨价幅度高于国内。国内2004年的原材料成本,由2003年低于国外长流程25.36美元/吨变为高于国外10.46美元/吨,说明国内矿价和进口铁矿石价格的上涨幅度高于国外平均涨价幅度。2004年上半年,国内钢材能源成本高于国外16.42美元/吨,2003年下半年为10.08美元/吨,成本差...

1、当您付费下载文档后,您只拥有了使用权限,并不意味着购买了版权,文档只能用于自身使用,不得用于其他商业用途(如 [转卖]进行直接盈利或[编辑后售卖]进行间接盈利)。
2、本站所有内容均由合作方或网友上传,本站不对文档的完整性、权威性及其观点立场正确性做任何保证或承诺!文档内容仅供研究参考,付费前请自行鉴别。
3、如文档内容存在违规,或者侵犯商业秘密、侵犯著作权等,请点击“违规举报”。

碎片内容

国内外钢铁产品成本分析讨论

您可能关注的文档

确认删除?
VIP
微信客服
  • 扫码咨询
会员Q群
  • 会员专属群点击这里加入QQ群
客服邮箱
回到顶部