电脑桌面
添加小米粒文库到电脑桌面
安装后可以在桌面快捷访问

工业厂房监理规划2VIP免费

工业厂房监理规划2_第1页
1/20
工业厂房监理规划2_第2页
2/20
工业厂房监理规划2_第3页
3/20
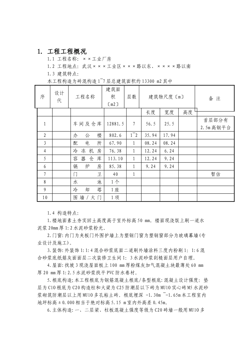
监理规划1.工程工程概况..........................................................................................................32.监理工作范围..........................................................................................................43.监理工作根据..........................................................................................................44.监理工作目的..........................................................................................................54.1质量控制目的................................................................................................54.2控制目的........................................................................................................54.3进度控制目的................................................................................................54.4平安消费、文明施工监理目的..................................................................55.监理工作内容..........................................................................................................55.1施工准备阶段的监理工作..........................................................................55.2施工过程中的监理工作..............................................................................66.工程监理部的人员岗位职责..................................................................................96.1总监理工程师岗位职责................................................................................96.2总监理工程师代表岗位职责......................................................................106.3专业监理工程师岗位职责..........................................................................116.4监理员的岗位职责......................................................................................126.5资料员岗位职责..........................................................................................127.监理工作程序........................................................................................................137.1监理工作总程序..........................................................................................137.2施工准备阶段质量监理工作程序..............................................................137.3质量控制工作程序......................................................................................137.4进度控制工作程序....................................................................................137.5造价控制工作程序......................................................................................137.6合同理工作程序........................................................................................137.7平安理监理工作程序..................................................................................147.8交工监理工作程序......................................................................................147.9工程质量保修监理工作程序......................................................................148.监理工作及措施....................................................................................................148.1施工准备阶段监理工作及措施..................................................................148.2施工阶段质量控制监理工作....................................................................148.3施工阶段质量控制监理工作措施.........................................

1、当您付费下载文档后,您只拥有了使用权限,并不意味着购买了版权,文档只能用于自身使用,不得用于其他商业用途(如 [转卖]进行直接盈利或[编辑后售卖]进行间接盈利)。
2、本站所有内容均由合作方或网友上传,本站不对文档的完整性、权威性及其观点立场正确性做任何保证或承诺!文档内容仅供研究参考,付费前请自行鉴别。
3、如文档内容存在违规,或者侵犯商业秘密、侵犯著作权等,请点击“违规举报”。

碎片内容

工业厂房监理规划2

您可能关注的文档

确认删除?
VIP
微信客服
  • 扫码咨询
会员Q群
  • 会员专属群点击这里加入QQ群
客服邮箱
回到顶部