电脑桌面
添加小米粒文库到电脑桌面
安装后可以在桌面快捷访问

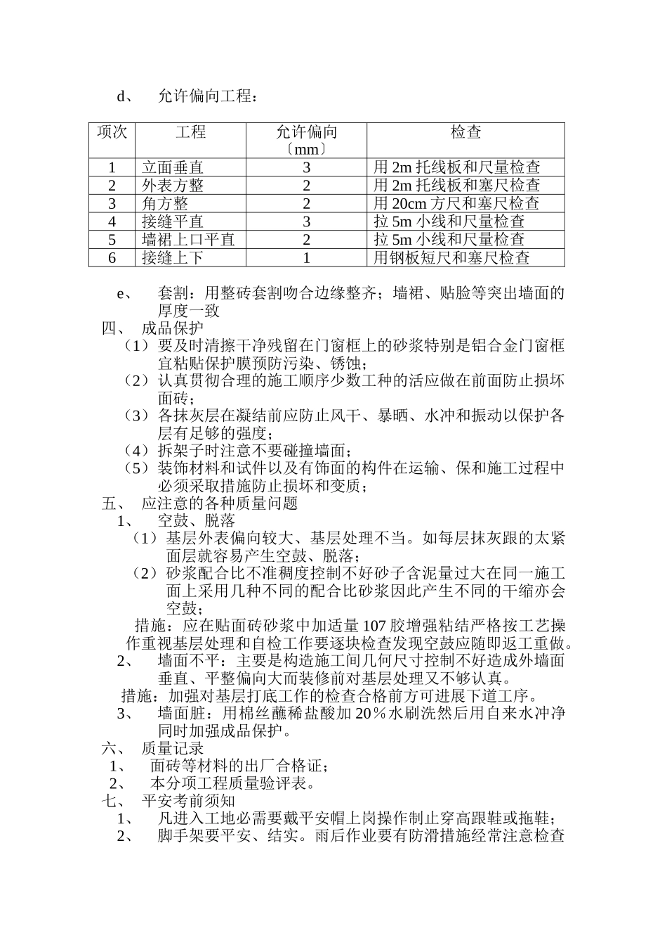
外墙面砖饰面工程技术交底单VIP免费

外墙面砖饰面工程技术交底单_第1页
1/4
外墙面砖饰面工程技术交底单_第2页
2/4
外墙面砖饰面工程技术交底单_第3页
3/4
新城国际广场外墙面砖饰面工程技术交底单名称:新城国际广场施工部位:一至十二层外墙分项名称:外墙饰面分项工程交底内容:一、施工准备1、技术准备:a、施工前应按施工组织设计进展书面或口头技术交底;b、必须组织施工人员熟悉施工图纸理解设计意图;2、材料准备:a、进场的面砖和水泥应有出厂合格证和复试单;b、砂、水:采用中砂、自来水;c、面砖:面砖进场应进展检查验收外表应光洁、方正、平整质地巩固其品种、规格、尺寸、色泽、图案应均匀一致必须符合设计及要求不得有缺楞、掉角、暗痕和裂纹等缺陷釉面砖的吸水率不得大于10%;d、石灰膏:使用时石灰膏内不得含有未熟化的颗粒和其他杂质;e、其他材料:107胶和矿物颜料必须符合有关要求;3、施工机具:磅秤、铁板、筛子、手推车、大桶、小水桶、平锹、木抹子、铁抹子、大中小杠、靠尺、方尺、铁质程度尺、灰槽、灰勺、米厘条、毛刷、钢丝刷、扫帚、锤子小白线、擦布、小布铲、托灰板、托线板、线坠、钉子、铅笔、铅丝、工具袋等;4、人员装备:a、工程技术负责人—高金林负责工程的技术指导工作;b、施工员—杨正年、朱纯兵负责对工程质量、平安、文明施工进展全过程的现场监控指导并做好施工记录;c、质检员—申彬彬负责对外墙面砖的质量进展监视和控制;d、材料员—丁国统负责对原材料质量进展监控保证原材料能正常供给;e、平安员—杜春奎负责对本工程施工机械正常使用工作以及本工程平安消费进展监视;5、作业条件:a、利用钢+竹排栅作外墙脚手架脚手架选用双排及满铺竹排栅的步高和支搭应符合施工要求和操作规程;b、台栏杆、预留孔洞和排水等应处理完毕门、窗框扇要固定好并用1:3水泥砂浆将缝隙堵塞严实。铝合金门窗框边缝所用嵌塞材料应符合设计要求且应塞堵实并事先黏贴好保护膜;c、墙面基层清理干净脚手眼、窗台等应事先砌堵好;d、按面砖的尺寸、颜色进展选砖并分类存放备用;二、操作规程:a、工艺流程:基层处理吊垂直、套方、找规矩贴灰饼抹底层砂浆弹线分格排砖浸砖镶贴面砖面砖勾缝与擦缝清洗b、抹灰前墙身必须清扫干净浇水潮湿、喷浆;c、大墙面各四角、门窗口边弹线找规矩必须由顶层到底一次进展弹出垂直线并面砖出墙尺寸分层设点、做灰饼。横线那么以楼层为程度基线交圈控制。每层找底时那么以此灰饼作为基准点进展冲筋使底糙面做到横平竖直。同时要注意找好突击檐口、腰线、窗台、雨篷等饰面的流水坡度;d、抹底层砂浆:先把墙面浇水潮湿然后用1:1:6混合砂浆打底15厚木抹子搓平隔天浇水养护;e、弹线:待基层灰六至七层干时即可按图纸要求进展分段分格弹线本工程根据设计要求分格规格为6cm×20cm同时亦可进展面层贴点的工作以控制面层出墙尺寸及垂直、平整;f、排砖:根据大样图及墙面尺寸进展横竖向排砖以保证面砖缝隙均匀符合设计图纸要求。注意大墙面、通天柱子要排整砖。非整砖行应排在次要部位如窗间墙或阴角处等但亦要注意一致对称。如遇有突出的卡件应用整砖套割吻合不得用非整砖随意拼凑镶贴;g、浸砖:外墙面砖镶贴前首先要将面砖清扫干净放入净水中浸泡2小时以上取出待外表晾干或擦干净前方可使用;h、镶贴面砖:镶贴应自上而下进展。在每一分块内的面砖均为自上而下镶贴。从最下一层砖下皮的位置线先稳好靠尺以次把住第一皮面砖在面砖外皮上口拉程度通线作为镶贴的。在面砖反面宜采用1:2水泥砂浆砂浆厚度为6~10mm贴上后用灰铲柄轻巧敲打使之附线;i、面砖勾缝与擦缝:面砖铺贴拉缝时用1:1水泥砂浆勾缝先勾程度缝再勾竖缝勾好后要求凹进面砖外外表2~3mm;j、儿墙压顶、窗台、腰线等部位平面镶贴面砖时除流水坡度符合设计要求外采取相接面砖界角45°再镶贴的做法预防向内渗水引起空裂;同时还应采取立面中最低一排面砖必须压底平面面砖并低出底平面面砖3~5mm的做法让其超滴水线的作用防止屋檐而引起空裂;k、清洗:面砖勾缝及擦缝完毕后在撤除外架前用清水进展清洗必要时参加适量的清洗剂以防墙面污染;三、质量:a、面砖的品种、规格、颜色、图案必须符合设计要求和符合现行的规定;b、面砖镶贴必须结实无歪斜、缺楞、掉角和裂缝等缺陷;外表应平整、干净颜色一致无变色、起碱、污...

1、当您付费下载文档后,您只拥有了使用权限,并不意味着购买了版权,文档只能用于自身使用,不得用于其他商业用途(如 [转卖]进行直接盈利或[编辑后售卖]进行间接盈利)。
2、本站所有内容均由合作方或网友上传,本站不对文档的完整性、权威性及其观点立场正确性做任何保证或承诺!文档内容仅供研究参考,付费前请自行鉴别。
3、如文档内容存在违规,或者侵犯商业秘密、侵犯著作权等,请点击“违规举报”。

碎片内容

外墙面砖饰面工程技术交底单

您可能关注的文档

确认删除?
VIP
微信客服
  • 扫码咨询
会员Q群
  • 会员专属群点击这里加入QQ群
客服邮箱
回到顶部