电脑桌面
添加小米粒文库到电脑桌面
安装后可以在桌面快捷访问

数学建模大赛真题VIP免费

数学建模大赛真题_第1页
1/10
数学建模大赛真题_第2页
2/10
数学建模大赛真题_第3页
3/10
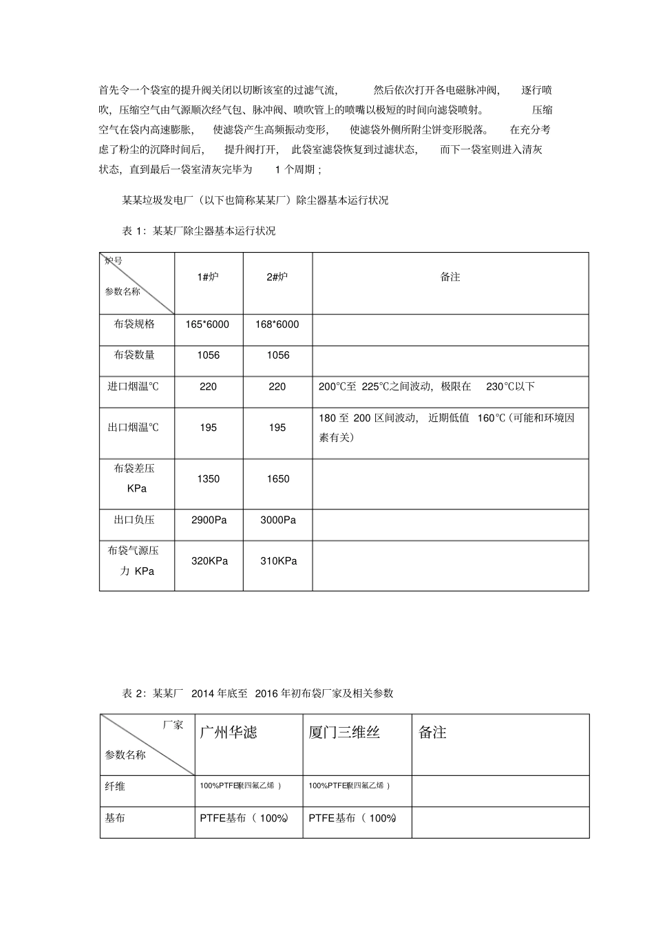
数学建模挑战赛真题--垃圾焚烧厂布袋式除尘系统运行稳定性分析今天,以焚烧方法处理生活垃圾已是我国社会维持可持续发展的必由之路。然而,随着社会对垃圾焚烧技术了解的逐步深入,民众对垃圾焚烧排放污染问题的担忧与日俱增,甚至是最新版的污染排放国标都难以满足民众对二恶英等剧毒物质排放的控制要求(例如国标允许焚烧炉每年有60小时的故障排放时间,而对于焚烧厂附近的居民来说这是难以接受的)。事实上,许多垃圾焚烧厂都存在虽然排放达标,但却仍然扰民的现象。国标控制排放量与民众环保诉求之间的落差,已成为阻碍新建垃圾焚烧厂选址落地的重要因素。而阻碍国标进一步提升的主要问题还是现行垃圾焚烧除尘工艺存在缺乏持续稳定性等重大缺陷。另外,在各地不得不建设大型焚烧厂集中处理垃圾的情况下,采用现行除尘工艺的大型焚烧厂即便其排放浓度不超标,却仍然存在排放总量限额超标的问题,也会给当地的环境带来重大的恶化影响。总之,现行垃圾焚烧除尘工艺不能持续稳定运行的缺陷,是致使社会公众对垃圾焚烧产生危害疑虑的主要原因。因此,量化分析布袋除尘器运行稳定性问题,不仅能深入揭示现行垃圾焚烧烟气处理技术缺陷以期促进除尘技术进步,同时也能对优化焚烧工况控制及运行维护规程有所帮助。附件1是某垃圾焚烧发电厂布袋式烟气处理系统的部分实际运行数据,从中可以看出,布袋除尘工艺环节对整个袋式烟气处理系统的运行稳定性有决定性影响。请收集资料,综合研究现行垃圾焚烧发电厂袋式除尘系统影响烟尘排放量的各项因素,构建数学模型分析袋式除尘系统运行稳定性问题,并分析其运行稳定性对周边环境烟尘排放总量的影响。基于你的模型请回答下述问题:1、如果给定焚烧厂周边范围单位面积排放总量限额(地区总量/地区面积),在考虑除尘系统稳定性因素的前提下,试分析讨论焚烧厂扩建规模的环境允许上限是多少?并基于你的分析结果,向政府提出环境保护综合监测建议方案;2、如果采用一种能够完全稳定运行、且除尘效果超过布袋除尘工艺的新型超净除尘替代工艺,你的除尘模型稳定性能提升多少?参考答案附件1、某某垃圾焚烧发电厂布袋除尘器可靠性情况介绍袋式除尘器也称为过滤式除尘器,是一种干式高效除尘器,它是利用多孔纤维材料制成的滤袋(简称布袋)将含尘气流中的粉尘捕集下来的一种干式高效除尘装置,是目前国内外现行垃圾焚烧发电厂采用的主要烟气处理技术。布袋除尘器具有除尘效率高、燃料适用性强、设备一次投资少和可在线维修等优点,其除尘效率可达%。然而,布袋除尘器在实际使用过程中,时而出现烧袋、糊袋、气室出口提升阀突然关闭、气室压力波动大和电气误动等现象,这些现象有的会缩短布袋使用寿命,造成除尘效率的急剧下降,有的会对除尘器及锅炉的安全构成严重威胁。虽然可靠性是布袋除尘器设计的注重要点,但由于其核心部件除尘布袋存在寿命周期、且该周期长短又与焚烧工况及运维条件密切相关,因此布袋除尘器在运行中无法实现长期恒定的除尘效果。1、布袋除尘器工作流程袋式除尘器由于其具有除尘效率高,尤其对微米及亚微米级粉尘颗粒具有较高的捕集效率,且不受粉尘比电阻的影响;运行稳定,对气体流量及含尘浓度适应性强;处理流量大,性能可靠等优点,用于捕集非粘结性、非纤维性的工业粉尘。其作用原理是尘粒在绕过滤布纤维时因惯性力作用与纤维碰撞而被拦截,细微的尘粒(粒径为1μm或更小)则受气体分子冲击(布朗运动)不断改变着运动方向,由于纤维间的空隙小于气体分子布朗运动的自由路径,尘粒便与纤维碰撞接触而被分离出来。它的优点是除尘效率高且稳定,对于2μm以上的粉尘,其效率可达%以上,且造价较低,管理简单、维修方便。布袋除尘器工作原理见图1。图1布袋除尘器工作原理图随着过滤过程的不断进行,滤袋外侧所积附的粉尘不断增加,从而导致布袋除尘器本体的阻力逐渐升高。当阻力达到设定值或过滤时间达到设定值时,清灰控制器发出清灰信号,首先令一个袋室的提升阀关闭以切断该室的过滤气流,然后依次打开各电磁脉冲阀,逐行喷吹,压缩空气由气源顺次经气包、脉冲阀、喷吹管上的喷嘴以极短的时间向滤袋喷射。压缩空气在袋内...

1、当您付费下载文档后,您只拥有了使用权限,并不意味着购买了版权,文档只能用于自身使用,不得用于其他商业用途(如 [转卖]进行直接盈利或[编辑后售卖]进行间接盈利)。
2、本站所有内容均由合作方或网友上传,本站不对文档的完整性、权威性及其观点立场正确性做任何保证或承诺!文档内容仅供研究参考,付费前请自行鉴别。
3、如文档内容存在违规,或者侵犯商业秘密、侵犯著作权等,请点击“违规举报”。

碎片内容

数学建模大赛真题

您可能关注的文档

确认删除?
VIP
微信客服
  • 扫码咨询
会员Q群
  • 会员专属群点击这里加入QQ群
客服邮箱
回到顶部