电脑桌面
添加小米粒文库到电脑桌面
安装后可以在桌面快捷访问

工程量变更签证单(例)VIP专享VIP免费

工程量变更签证单(例)_第1页
1/23
工程量变更签证单(例)_第2页
2/23
工程量变更签证单(例)_第3页
3/23
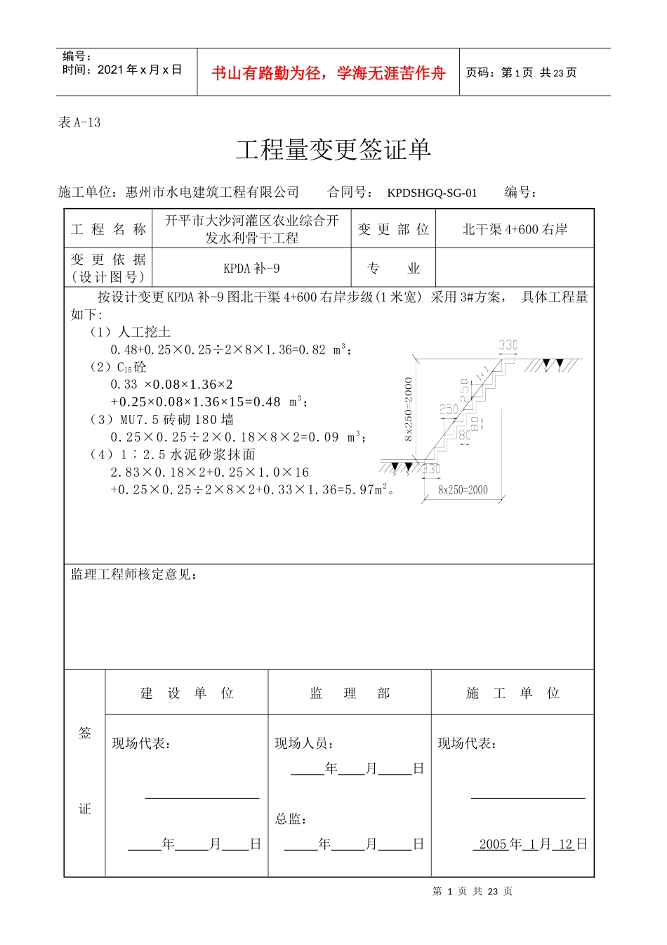
第1页共23页编号:时间:2021年x月x日书山有路勤为径,学海无涯苦作舟页码:第1页共23页表A-13工程量变更签证单施工单位:惠州市水电建筑工程有限公司合同号:KPDSHGQ-SG-01编号:工程名称开平市大沙河灌区农业综合开发水利骨干工程变更部位北干渠4+600右岸变更依据(设计图号)KPDA补-9专业按设计变更KPDA补-9图北干渠4+600右岸步级(1米宽)采用3#方案,具体工程量如下:(1)人工挖土0.48+0.25×0.25÷2×8×1.36=0.82m3;(2)C15砼0.33×0.08×1.36×2+0.25×0.08×1.36×15=0.48m3;(3)MU7.5砖砌180墙0.25×0.25÷2×0.18×8×2=0.09m3;(4)1︰2.5水泥砂浆抹面2.83×0.18×2+0.25×1.0×16+0.25×0.25÷2×8×2+0.33×1.36=5.97m2。监理工程师核定意见:签证建设单位监理部施工单位现场代表:年月日现场人员:年月日总监:年月日现场代表:2005年1月12日第2页共23页第1页共23页编号:时间:2021年x月x日书山有路勤为径,学海无涯苦作舟页码:第2页共23页注:此表用于隐蔽工程部位、图纸无法计量部位或合同外的工程项目变更签证,一式三份,施工、监理、业主各一份。表A-13工程量变更签证单施工单位:惠州市水电建筑工程有限公司合同号:KPDSHGQ-SG-01编号:工程名称开平市大沙河灌区农业综合开发水利骨干工程变更部位北干渠4+800右岸变更依据(设计图号)KPDA补-8专业按设计变更KPDA补-8图北干渠4+800右岸步级(2米宽)采用1#方案,具体工程量如下:(1)人工挖土0.93+0.25×0.25÷2×9×2.36=1.59m3;(2)C15砼0.33×0.08×2.36×2+0.25×0.08×2.36×17=0.93m3;(3)MU7.5砖砌180墙0.25×0.25÷2×0.18×9×2=0.10m3;(4)1︰2.5水泥砂浆抹面3.18×0.18×2+0.25×2.0×18+0.25×0.25÷2×9×2+0.33×2.36=11.49m2。监理工程师核定意见:签建设单位监理部施工单位第3页共23页第2页共23页编号:时间:2021年x月x日书山有路勤为径,学海无涯苦作舟页码:第3页共23页证现场代表:年月日现场人员:年月日总监:年月日现场代表:2005年1月12日注:此表用于隐蔽工程部位、图纸无法计量部位或合同外的工程项目变更签证,一式三份,施工、监理、业主各一份。表A-13工程量变更签证单施工单位:惠州市水电建筑工程有限公司合同号:KPDSHGQ-SG-01编号:工程名称开平市大沙河灌区农业综合开发水利骨干工程变更部位北干渠5+400右岸变更依据(设计图号)KPDA补-8专业按设计变更KPDA补-8图北干渠5+400右岸步级(2米宽)采用1#方案,具体工程量如下:(1)人工挖土0.93+0.25×0.25÷2×9×2.36=1.59m3;(2)C15砼0.33×0.08×2.36×2+0.25×0.08×2.36×17=0.93m3;(3)MU7.5砖砌180墙0.25×0.25÷2×0.18×9×2=0.10m3;(4)1︰2.5水泥砂浆抹面3.18×0.18×2+0.25×2.0×18+0.25×0.25÷2×9×2+0.33×2.36=11.49m2。监理工程师核定意见:第4页共23页第3页共23页编号:时间:2021年x月x日书山有路勤为径,学海无涯苦作舟页码:第4页共23页签证建设单位监理部施工单位现场代表:年月日现场人员:年月日总监:年月日现场代表:2005年1月12日注:此表用于隐蔽工程部位、图纸无法计量部位或合同外的工程项目变更签证,一式三份,施工、监理、业主各一份。表A-13工程量变更签证单施工单位:惠州市水电建筑工程有限公司合同号:KPDSHGQ-SG-01编号:工程名称开平市大沙河灌区农业综合开发水利骨干工程变更部位北干渠5+800右岸变更依据(设计图号)KPDA补-8专业按设计变更KPDA补-8图北干渠5+800右岸步级(2米宽)采用1#方案,具体工程量如下:(1)人工挖土1.02+0.25×0.25÷2×10×2.36=1.76m3;(2)C15砼0.33×0.08×2.36×2+0.25×0.08×2.36×19=1.02m3;(3)MU7.5砖砌180墙0.25×0.25÷2×0.18×10×2=0.11m3;(4)1︰2.5水泥砂浆抹面3.54×0.18×2+0.25×2.0×20+0.25×0.25÷2×10×2+0.33×2.36=12.68m2。第5页共23页第4页共23页编号:时间:2021年x月x日书山有路勤为径,学海无涯苦作舟页码:第5页共23页监理工程师核定意见:签证建设单位监理部施工单位现场代表:年月日现场人员:年月日总监:年月日现场代表:2005年1月13日注:此表用于隐蔽工程部位、图纸无法计量部位或合同外的工程项目变更签...

1、当您付费下载文档后,您只拥有了使用权限,并不意味着购买了版权,文档只能用于自身使用,不得用于其他商业用途(如 [转卖]进行直接盈利或[编辑后售卖]进行间接盈利)。
2、本站所有内容均由合作方或网友上传,本站不对文档的完整性、权威性及其观点立场正确性做任何保证或承诺!文档内容仅供研究参考,付费前请自行鉴别。
3、如文档内容存在违规,或者侵犯商业秘密、侵犯著作权等,请点击“违规举报”。

碎片内容

工程量变更签证单(例)

确认删除?
VIP
微信客服
  • 扫码咨询
会员Q群
  • 会员专属群点击这里加入QQ群
客服邮箱
回到顶部