电脑桌面
添加小米粒文库到电脑桌面
安装后可以在桌面快捷访问

徐工汽车系列起重机工作参数指标VIP免费

徐工汽车系列起重机工作参数指标_第1页
1/23
徐工汽车系列起重机工作参数指标_第2页
2/23
徐工汽车系列起重机工作参数指标_第3页
3/23
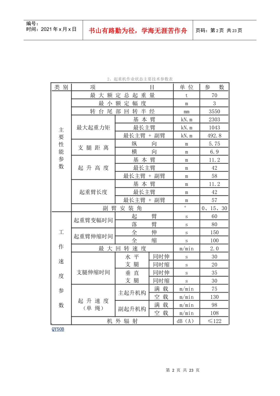
第1页共23页编号:时间:2021年x月x日书山有路勤为径,学海无涯苦作舟页码:第1页共23页徐工重型QY70K汽车起重机是我公司第三代系列产品,广泛运用了我公司的成熟技术,主要关键动力元件、传动件、液压元件和结构材料采用国际一流配置,保证了产品的高性能和高可靠性。起重机行驶状态主要技术参数表类别项目单位参数XZJ5413JQZ70KXZJ5431JQZ70K尺寸参数整机全长mm13500整机全宽mm2800整机全高mm35103540轴距第一、二轴距mm15201470第二、三轴距mm39654150第三、四轴距mm1350轮距前轮距mm22402304后轮距mm2075重量参数行驶状态整机自重kg4100043000轴荷第一、二轴kg1500017000第三、四轴kg2600026000动力参数发动机型号ISLE+350WD615.338发动机额定功率kW/(r/min)257/2100276/2200发动机额定扭矩N.m/(r/min)1550/14001500/1400发动机额定转速r/min21002200行驶参数行驶速度最高行驶速度km/h75最低稳定行驶速度km/h3转弯直径最小转弯直径m24.0臂头转弯直径m29.0最小离地间隙mm327接近角°1619离去角°1013制动距离(车速为30km/h)m≤10最大爬坡度%40百公里油耗l42第2页共23页第1页共23页编号:时间:2021年x月x日书山有路勤为径,学海无涯苦作舟页码:第2页共23页2、起重机作业状态主要技术参数表类别项目单位参数主要性能参数最大额定总起重量t70最小额定幅度m3转台尾部回转半经mm3550最大起重力矩基本臂kN.m2303最长主臂kN.m1043最长主臂+副臂kN.m492.8支腿距离纵向m5.75横向m6.9起升高度基本臂m11.2最长主臂m42最长主臂+副臂m58起重臂长度基本臂m11.2最长主臂m42最长主臂+副臂m57副臂安装角°0、15、30工作速度参数起重臂变幅时间起臂s60落臂s80起重臂伸缩时间全伸s150全缩s100最大回转速度m/min2.0支腿伸缩时间水平支腿同时伸s30同时缩s20垂直支腿同时伸s35同时缩s30起升速度(单绳)主起升机构满载m/min75空载m/min130副起升机构满载m/min98空载m/min108机外辐射dB(A)≤122QY50B第3页共23页第2页共23页编号:时间:2021年x月x日书山有路勤为径,学海无涯苦作舟页码:第3页共23页QY50B汽车起重机,采用四轴XZ50专用底盘,具有五节伸缩式主起重臂,两节副起重臂,双缸前支变幅,双H型支腿,附加第五前支腿,独立的主、副起升机构,设置了完善而先进的安全装置,可实现360°全回转起重作业。工作平稳可靠,操作简便,行驶速度高,机动灵活,利于快速转移,造型美观,维修方便。该起重机的主要性能参数达到国内先进水平,与国外同类产品接近。起重机行驶状态主要技术参数表类别项目单位参数发动机型号—WD615.334(5404)WD615.46(5406)尺寸参数整机全长mm1327013270整机全宽mm27502750整机全高mm33003300轴距第一、二轴距mm15201520第二、三轴距mm38153815第三、四轴距mm13501350前悬mm19861986后悬mm18431843轮距前轮mm22402240后轮mm20552055重量参数行驶状态总质量kg3987039870轴荷一、二轴kg1393515935三、四轴kg2593525935动力参数发动机额定功率kw/(r/min)247/2200266/2200发动机额定扭矩N.m/(r/min)1350/14001460/1400发动机额定转速r/min22002200行驶参数行驶速度最高行驶速度km/h7878最低稳定行驶速度km/h2~33~4转弯直径最小转弯直径m2424臂头最小转弯直径m27.427.4最小离地间隙mm291251接近角°1616离去角°1010第4页共23页第3页共23页编号:时间:2021年x月x日书山有路勤为径,学海无涯苦作舟页码:第4页共23页制动距离(车速为30km/h)m≤10≤10起重机作业状态主要技术参数表类别项目单位参数主要性能参数最大额定总起重量t50最小额定幅度m3转台尾部回转半经m3.8最大起重力矩基本臂kN.m1509最长主臂kN.m631支腿跨距纵向m5.45横向m6.6起升高度基本臂m11.27最长主臂m40.31最长主臂+副臂m55.8起重臂长度基本臂m10.7最长主臂m40.1最长主臂+副臂m55.1副臂安装角°0、15、30工作速度参数起重臂变幅时间全程起臂S120全程落臂S60起重臂伸缩时间全程伸臂S184全程缩臂S140最大回转速度r/min2支腿伸缩时间水平支腿同时伸S40同时缩S42垂直支腿同时伸S40同时缩S42起升速度(单绳、第三层)主、副起升机构满载m/min70.8空载m/min118机外辐射db(A)≤118司机位置处db(A)≤90第5页共...

1、当您付费下载文档后,您只拥有了使用权限,并不意味着购买了版权,文档只能用于自身使用,不得用于其他商业用途(如 [转卖]进行直接盈利或[编辑后售卖]进行间接盈利)。
2、本站所有内容均由合作方或网友上传,本站不对文档的完整性、权威性及其观点立场正确性做任何保证或承诺!文档内容仅供研究参考,付费前请自行鉴别。
3、如文档内容存在违规,或者侵犯商业秘密、侵犯著作权等,请点击“违规举报”。

碎片内容

徐工汽车系列起重机工作参数指标

确认删除?
VIP
微信客服
  • 扫码咨询
会员Q群
  • 会员专属群点击这里加入QQ群
客服邮箱
回到顶部