电脑桌面
添加小米粒文库到电脑桌面
安装后可以在桌面快捷访问

建筑幕墙验收资料VIP免费

建筑幕墙验收资料_第1页
1/65
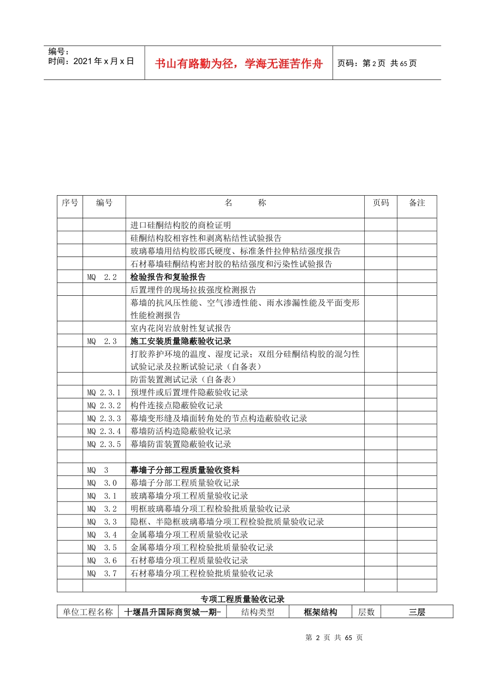
建筑幕墙验收资料_第2页
2/65
建筑幕墙验收资料_第3页
3/65
第0页共65页编号:时间:2021年x月x日书山有路勤为径,学海无涯苦作舟页码:第0页共65页建筑工程施工质量验收资料(MQ:建筑幕墙部分)档号档案馆代号案卷题名编制单位编制日期密级保管期限共卷第卷第1页共65页第0页共65页编号:时间:2021年x月x日书山有路勤为径,学海无涯苦作舟页码:第1页共65页目录序号编号名称页码备注A.MQ1幕墙工程施工、技术管理资料MQ1.1建筑幕墙工程概况MQ1.2幕墙工程中表通知书MQ1.3建筑幕墙施工组织设计、施工方案及审批MQ1.4技术交底记录MQ1.5设计交底记录、MQ1.6设计变更、洽商记录幕墙工程质量事故处理记录幕墙工程正常使用情况下物理耐用年限保证书幕墙施工图、结构计算书、设计说明建筑设计单位对幕墙工程设计的确认文件MQ1.7幕墙工程观感质量检查记录MQ1.8幕墙工程质量控制资料和主要功能检测报告检查表MQ2幕墙工程质量控制资料MQ2.1材料质量证明书及进口材料商检报告MQ2.11铝合金材料产品合格证书、性能检测报告汇总表铝合金材料产品合格证书、性能检测报告MQ2.1.2幕墙用钢材及五金(衬垫)产品合格证书、性能检测报告汇总表幕墙用钢材及五金(衬垫)产品合格证书、性能检测报告MQ2.1.3幕墙板材(玻璃、金属板、石材)产品合格证书、性能检测报告汇总表幕墙板材(玻璃、金属板、石材)产品合格证书、性能检测报告MQ2.1.4保温、防火材料合格证书、性能检测报告汇总表保温、防火材料合格证书、性能检测报告MQ2.1.5幕墙用硅酮胶质量证明书及性能检测报告汇总表硅酮结构胶及密封材料的质量证明书或合格证第2页共65页第1页共65页编号:时间:2021年x月x日书山有路勤为径,学海无涯苦作舟页码:第2页共65页序号编号名称页码备注进口硅酮结构胶的商检证明硅酮结构胶相容性和剥离粘结性试验报告玻璃幕墙用结构胶邵氏硬度、标准条件拉伸粘结强度报告石材幕墙硅酮结构密封胶的粘结强度和污染性试验报告MQ2.2检验报告和复验报告后置埋件的现场拉拔强度检测报告幕墙的抗风压性能、空气渗透性能、雨水渗漏性能及平面变形性能检测报告室内花岗岩放射性复试报告MQ2.3施工安装质量隐蔽验收记录打胶养护环境的温度、湿度记录;双组分硅酮结构胶的混匀性试验记录及拉断试验记录(自备表)防雷装置测试记录(自备表)MQ2.3.1预埋件或后置埋件隐蔽验收记录MQ2.3.2构件连接点隐蔽验收记录MQ2.3.3幕墙变形缝及墙面转角处的节点构造蔽验收记录MQ2.3.4幕墙防活构造隐蔽验收记录MQ2.3.5幕墙防雷装置隐蔽验收记录MQ3幕墙子分部工程质量验收资料MQ3.0幕墙子分部工程质量验收记录MQ3.1玻璃幕墙分项工程质量验收记录MQ3.2明框玻璃幕墙分项工程检验批质量验收记录MQ3.3隐框、半隐框玻璃幕墙分项工程检验批质量验收记录MQ3.4金属幕墙分项工程质量验收记录MQ3.5金属幕墙分项工程检验批质量验收记录MQ3.6石材幕墙分项工程质量验收记录MQ3.7石材幕墙分项工程检验批质量验收记录专项工程质量验收记录单位工程名称十堰昌升国际商贸城一期-结构类型框架结构层数三层第3页共65页第2页共65页编号:时间:2021年x月x日书山有路勤为径,学海无涯苦作舟页码:第3页共65页2#地块立面建筑幕墙专项工程名称立面建筑幕墙专项验收范围幕墙专项工程施工单位福建泉州东海建筑工程有限公司专项施工面积10229m²造价开竣工日期至2015年09月01日20016年月日验收日期年月日验收内容及自评意见项目验收记录分项工程共3个分项经查符合标准和设计要求3个分项质量控制资料核查质量控制资料共6项,经审查符号要求6项经核定符合规范要求6项安全和主要使用功能核查及抽查效果结构安全和功能检验(检测)报告共1份符合要求1份观感质量验收较好自评意见符合要求验收意见符合规范及设计要求。验收单位施工单位(总包):项目经理:(公章)年月日专项工程施工单位:项目负责人:(公章)年月日建设单位:项目负责人:(公章)年月日第4页共65页第3页共65页编号:时间:2021年x月x日书山有路勤为径,学海无涯苦作舟页码:第4页共65页建筑设计单位:项目负责人:(公章)年月日专项工程设计单位:项目负责人:(公章)年月日监理单位:总监理工程师:(公章)年月日注:单独办理质监手续的安装装饰装修工程及涉及结构安全的规模较大的钢结构网架网...

1、当您付费下载文档后,您只拥有了使用权限,并不意味着购买了版权,文档只能用于自身使用,不得用于其他商业用途(如 [转卖]进行直接盈利或[编辑后售卖]进行间接盈利)。
2、本站所有内容均由合作方或网友上传,本站不对文档的完整性、权威性及其观点立场正确性做任何保证或承诺!文档内容仅供研究参考,付费前请自行鉴别。
3、如文档内容存在违规,或者侵犯商业秘密、侵犯著作权等,请点击“违规举报”。

碎片内容

建筑幕墙验收资料

您可能关注的文档

确认删除?
VIP
微信客服
  • 扫码咨询
会员Q群
  • 会员专属群点击这里加入QQ群
客服邮箱
回到顶部